Frigidaire
Top-Mount Refrigerator

Model #FFHT1514TS4 Official Frigidaire top-mount refrigerator

Here are the diagrams and repair parts for Frigidaire FFHT1514TS4 top-mount refrigerator, as well as links to manuals and error code tables, if available.

There are a couple of ways to find the part or diagram you need:

  • Click a diagram to see the parts shown on that diagram.
  • In the search box below, enter all or part of the part number or the part’s name.

Not all parts are shown on the diagrams—those parts are labeled NI, for “not illustrated”.

We encourage you to save the model to your profile, so it’s easy to access parts and manuals for your appliance whenever you log in.

For DIY troubleshooting advice and repair guides, visit our repair help section.

    Showing 10 of 138 parts

    Refrigerator Door Shelf Rail#4

    Doors Diagram

    Refrigerator door shelf rail

    Part #240535101
    BEST SELLER
    Back Order
    $29.17 | 
    15% OFF 
    Phone Price: $34.17
    Refrigerator Door Shelf Rail#4B

    Doors Diagram

    Refrigerator door shelf rail

    Part #240535201
    BEST SELLER
    In Stock
    $29.65 | 
    14% OFF 
    Phone Price: $34.65
    Refrigerator Dairy Bin Cover#7

    Doors Diagram

    Refrigerator dairy bin cover

    Part #240337712
    BEST SELLER
    In Stock
    $50.59 | 
    9% OFF 
    Phone Price: $55.59
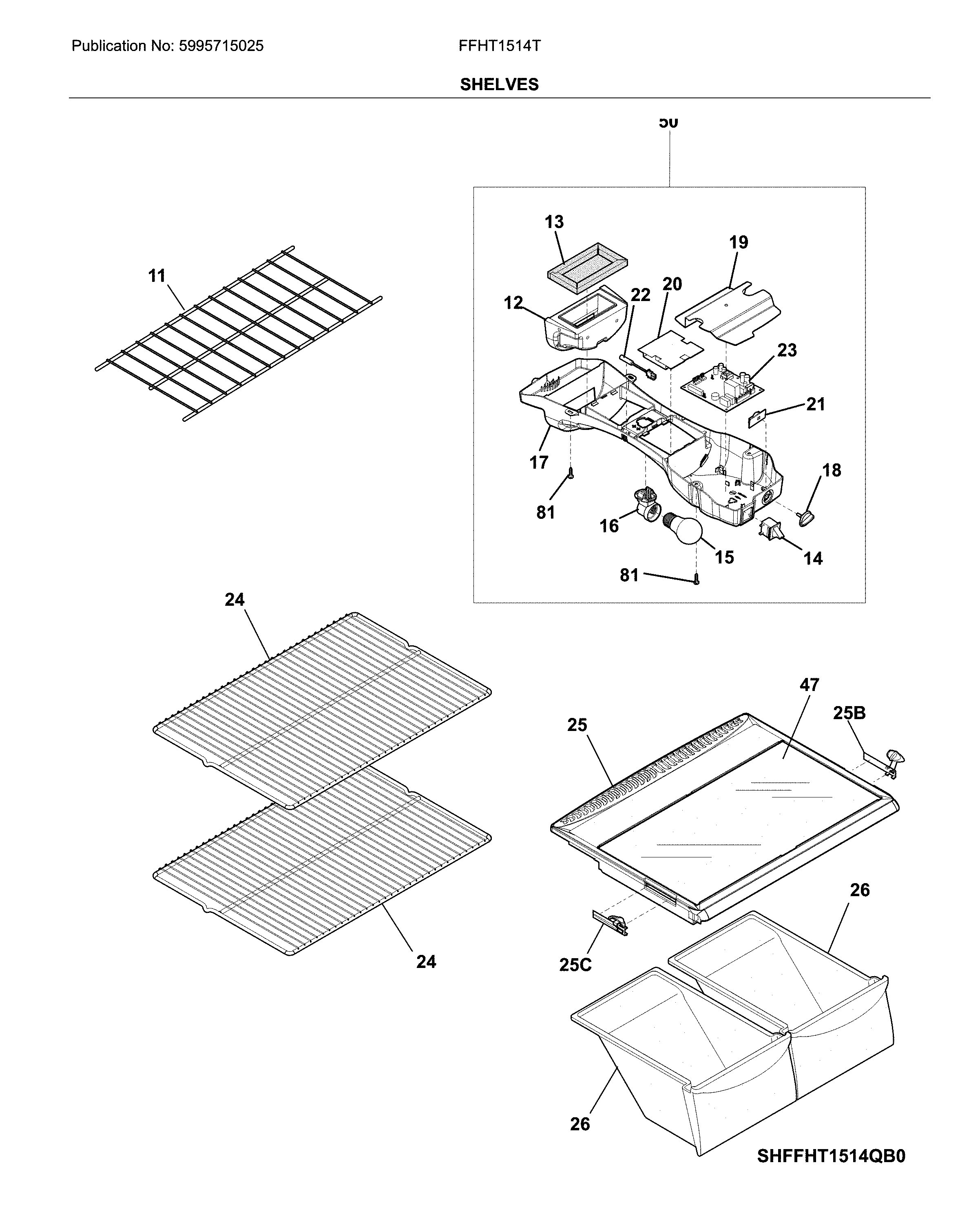
    Refrigerator Crisper Drawer#26

    Shelves Diagram

    Refrigerator crisper drawer

    Part #240364503
    BEST SELLER
    In Stock
    $109.81 | 
    8% OFF 
    Phone Price: $119.81
    Refrigerator Light Bulb#15

    Shelves Diagram

    Refrigerator light bulb

    Part #241555401
    BEST SELLER
    Back Order
    $57.19 | 
    8% OFF 
    Phone Price: $62.19
    Refrigerator Door Hinge Bushing#22

    Doors Diagram

    Refrigerator door hinge bushing

    Part #5304507146
    BEST SELLER
    This item is not returnable
    In Stock
    $7.39 | 
    12% OFF 
    Phone Price: $8.39
    Refrigerator Screw#21

    Doors Diagram

    Refrigerator screw

    Part #240383406
    Replaced by #5304515677
    ?
    Manufacturer substitution
    This part replaces 240383406. Substitute parts can look different from the original.
    BEST SELLER
    In Stock
    $8.79 | 
    10% OFF 
    Phone Price: $9.79
    Freezer Door Handle Mounting Bolt#21A

    Doors Diagram

    Freezer door handle mounting bolt

    Part #240521303
    BEST SELLER
    In Stock
    $14.79 | 
    12% OFF 
    Phone Price: $16.79
    Refrigerator Door Hinge Nylon Washer#34

    Cabinet Diagram

    Refrigerator door hinge nylon washer

    Part #240311303
    BEST SELLER
    This item is not returnable
    In Stock
    $6.95 | 
    35% OFF 
    MSRP: $10.63
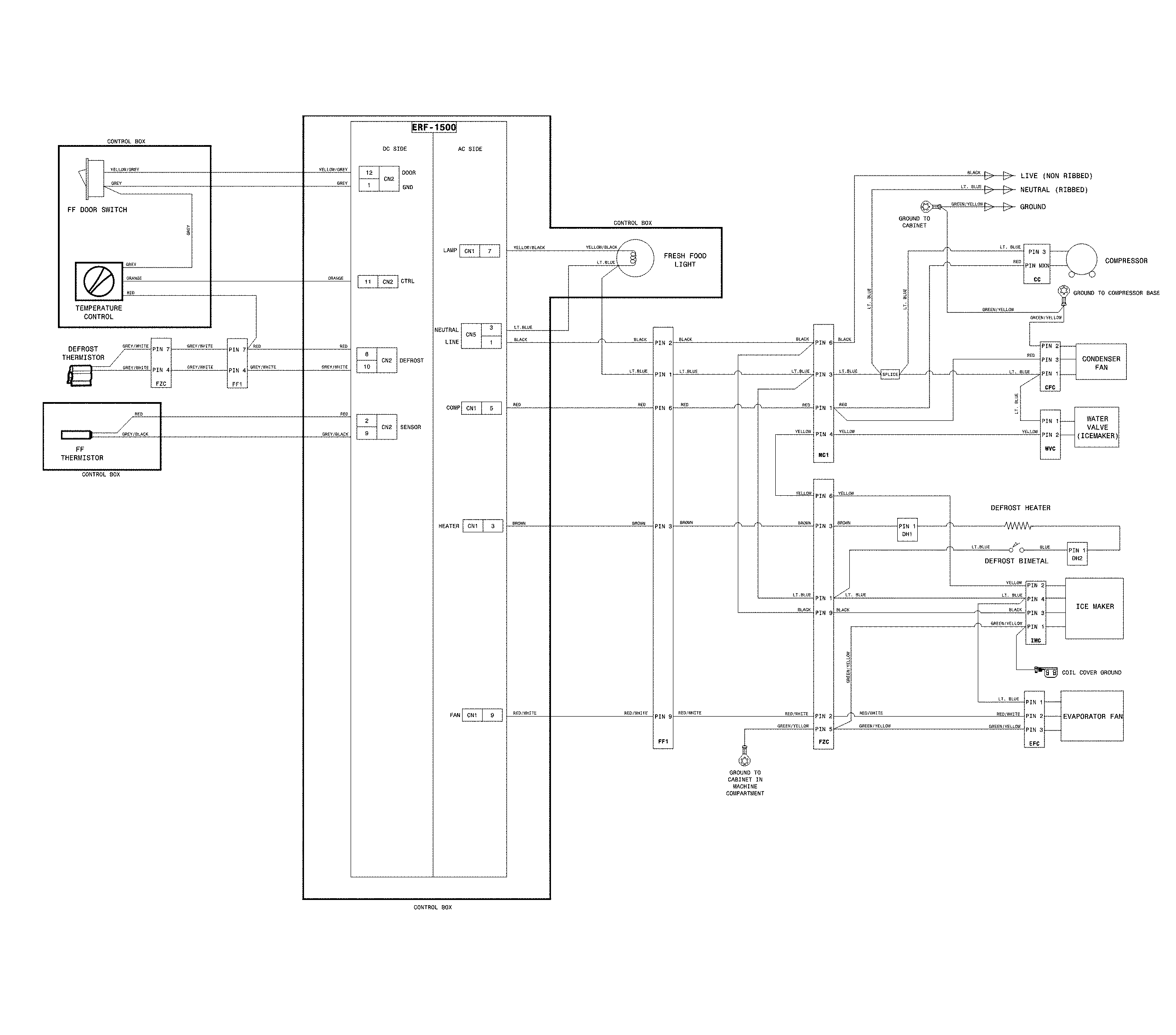
    Refrigerator Condenser Fan Motor#60

    System Diagram

    Condenser motor

    Part #297279502
    Replaced by #242018304
    ?
    Manufacturer substitution
    This part replaces 297279502. Substitute parts can look different from the original.
    BEST SELLER
    In Stock
    $87.47 | 
    13% OFF 
    MSRP: $100.00

    Symptoms common to all refrigerators

    Choose a symptom to see related refrigerator repairs.

    Main causes: leaky door gasket, defrost system failure, evaporator fan not running, dirty condenser coils, condenser fan not running
    Things to do: clean condenser coils, replace the water filter, clean the interior, adjust doors to prevent air leaks, clean the drain pan
    Main causes: jammed ice cubes, broken ice maker assembly, dirty water filter, kinked water line, bad water valve, freezer not cold enough
    Main causes: damaged door seal, faulty defrost sensor or bi-metal thermostat, broken defrost heater, bad defrost timer or control board
    Main causes: control board or cold control failure, broken compressor start relay, compressor motor failure, defrost timer problems
    Main causes: blocked air vents, compressor problems, condenser or evaporator fan not working, control system failure, sensor problems
    Main causes: blocked vents, defrost system problems, evaporator fan failure, dirty condenser coils, bad sensors, condenser fan not working
    Main causes: water valve leaking, frozen or broken defrost drain tube, overflowing drain pan, cracked water system tubing, leaking door seal

    Repair guides common to all refrigerators

    These step-by-step repair guides will help you safely fix what’s broken on your refrigerator.

    July 20, 2015
    By Lyle Weischwill
    How to clean refrigerator condenser coils

    Help your refrigerator run more efficiently by cleaning the condenser coils. It's easy and takes just a few minutes.

    Repair difficulty
    Time required
     15 minutes or less
    July 20, 2015
    By Lyle Weischwill
    How to replace a refrigerator water valve

    Replace the water valve that feeds water to the ice maker and water dispenser if it no longer controls the flow of water.

    Repair difficulty
    Time required
     15 minutes or less
    How to replace a refrigerator temperature control board

    If the temperature in your refrigerator doesn't match the temperature you set, the problem could be the temperature control board—a service technician can give you a definite diagnosis. If the board is at fault, follow these steps to replace it yourself.

    Repair difficulty
    Time required
     30 minutes or less

    Articles and videos common to all refrigerators

    Use the advice and tips in these articles and videos to get the most out of your refrigerator.

    June 2, 2022

    How to Remove a GE French Door Refrigerator Flipper Mullion

    By Lyle Weischwill

    Learn how to replace the flipper mullion on a GE French door refrigerator.

    April 19, 2022

    How to change the water filter in an LG refrigerator

    By Lyle Weischwill

    Get tips and advice on replacing the water filter in your LG refrigerator.

    December 30, 2021

    How to fix your evaporator cooling fan

    By Lyle Weischwill

    Learn how to fix a broken evaporator fan