Kenmore
Tools & Attachment

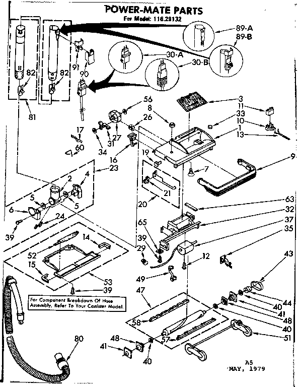
Model #11629132 Official Kenmore powermate attachment

Here are the diagrams and repair parts for Kenmore 11629132 powermate attachment, as well as links to manuals and error code tables, if available.

There are a couple of ways to find the part or diagram you need:

  • Click a diagram to see the parts shown on that diagram.
  • In the search box below, enter all or part of the part number or the part’s name.

Not all parts are shown on the diagrams—those parts are labeled NI, for “not illustrated”.

We encourage you to save the model to your profile, so it’s easy to access parts and manuals for your appliance whenever you log in.

For DIY troubleshooting advice and repair guides, visit our repair help section.

Showing 10 of 59 parts

Screw#39

Power mate Diagram

Screw

Part #681297

The manufacturer no longer makes this part, and there's no substitute part

Screw#12

Power mate Diagram

Screw

Part #681037

The manufacturer no longer makes this part, and there's no substitute part

Yoke Bearing Seal#5

Power mate Diagram

Yoke bearing seal

Part #741423
This item is not returnable
In Stock
$2.49
INDICATORCAM#27

Power mate Diagram

Cam

Part #725725
Replaced by #KS588543
?
Manufacturer substitution
This part replaces 725725. Substitute parts can look different from the original.
In Stock
$9.00
Vacuum Twist-On Wire Connector#29

Power mate Diagram

Nut

Part #596564
Replaced by #KS4154460
?
Manufacturer substitution
This part replaces 596564. Substitute parts can look different from the original.
This item is not returnable
In Stock
$2.49
INDICATORCAM#26

Power mate Diagram

Catch

Part #722955
Replaced by #KS588543
?
Manufacturer substitution
This part replaces 722955. Substitute parts can look different from the original.
In Stock
$9.00
Hose#80

Power mate Diagram

Hose

Part #741141

The manufacturer no longer makes this part, and there's no substitute part

Clean Edge#14

Power mate Diagram

Clean edge

Part #676142

The manufacturer no longer makes this part, and there's no substitute part

Bearing#4

Power mate Diagram

Bearing

Part #741573

The manufacturer no longer makes this part, and there's no substitute part

Wand#89B

Power mate Diagram

Wand

Part #742451

The manufacturer no longer makes this part, and there's no substitute part