Kenmore
Upright Vacuum

Model #47332899 Official Kenmore vacuum

Here are the diagrams and repair parts for Kenmore 47332899 vacuum, as well as links to manuals and error code tables, if available.

There are a couple of ways to find the part or diagram you need:

  • Click a diagram to see the parts shown on that diagram.
  • In the search box below, enter all or part of the part number or the part’s name.

Not all parts are shown on the diagrams—those parts are labeled NI, for “not illustrated”.

We encourage you to save the model to your profile, so it’s easy to access parts and manuals for your appliance whenever you log in.

For DIY troubleshooting advice and repair guides, visit our repair help section.

Showing 10 of 118 parts

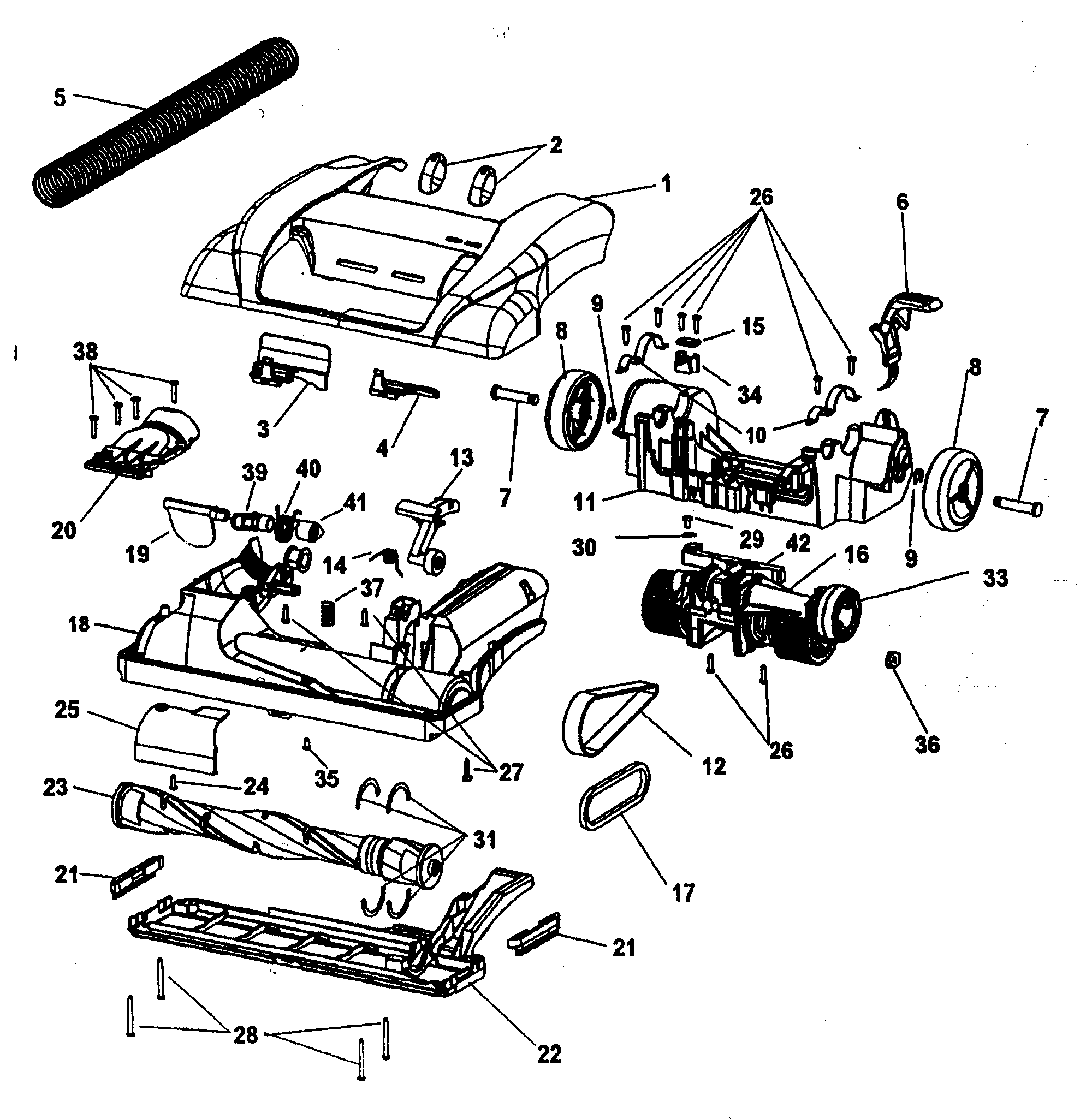
Vacuum Dust Valve Front Arm#39

Lower assy Diagram

Vacuum dust valve front arm

Part #38719049

The manufacturer no longer makes this part, and there's no substitute part

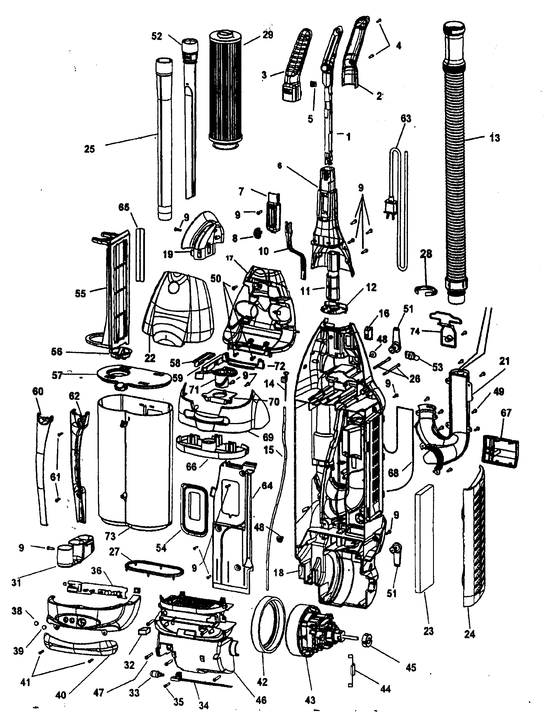
Hood#1

Lower assy Diagram

Hood

Part #37253365

The manufacturer no longer makes this part, and there's no substitute part

Sleeve#70

Upright assy Diagram

Sleeve

Part #36155013

The manufacturer no longer makes this part, and there's no substitute part

Vacuum Beater Bar Bearing#31

Lower assy Diagram

Vacuum beater bar bearing

Part #38781053

The manufacturer no longer makes this part, and there's no substitute part

Vacuum Screw

See All Related Diagrams

Vacuum screw

Part #21447072

The manufacturer no longer makes this part, and there's no substitute part

Wire Connector#NI

Upright assy Diagram

Wire connector

Part #27618508

The manufacturer no longer makes this part, and there's no substitute part

Vacuum Dust Duct Cover#25

Lower assy Diagram

Vacuum dust duct cover

Part #37243013

The manufacturer no longer makes this part, and there's no substitute part

Vacuum Beater Bar Belt (replaces 11041084, 38520835)#12

Lower assy Diagram

Vacuum beater bar belt (replaces 11041084, 38520835)

Part #38528035
This item is not returnable
In Stock
$1.50 | 
40% OFF 
Phone Price: $2.50
Seal#27

Upright assy Diagram

Seal

Part #38785017

The manufacturer no longer makes this part, and there's no substitute part

Vacuum Base#11

Lower assy Diagram

Vacuum base

Part #37241164

The manufacturer no longer makes this part, and there's no substitute part

Symptoms common to all vacuum cleaners

Choose a symptom to see related vacuum cleaner repairs.

Main causes: damaged vacuum hose, clogged motor air filter, bad suction motor
Main causes: broken drive belt, damaged brush roll, tripped brush roll motor overload, bad brush roll motor, wiring failure
Main causes: lack of power, bad power cord, drive motor failure, wiring failure
Main causes: weak suction motor, vacuum bag is full, clog in suction air path, dirty exhaust filter, leaky vacuum hose

Articles and videos common to all vacuum cleaners

Use the advice and tips in these articles and videos to get the most out of your vacuum.

June 29, 2022

Top questions about Sears and Sears PartsDirect

Lyle Weischwill

Get answers to frequently asked questions about Sears and Sears PartsDirect.

January 5, 2015

10 must-have tools for appliance repair

Lyle Weischwill

Come see which tools made our top 10 must-haves for DIY appliance repair.

July 1, 2013

Vacuum common questions

Lyle Weischwill

Find the answers to frequently asked questions about vacuum cleaners.