Kenmore
Washer

Model #11072408650 Official Kenmore electric washer

Here are the diagrams and repair parts for Kenmore 11072408650 electric washer, as well as links to manuals and error code tables, if available.

There are a couple of ways to find the part or diagram you need:

  • Click a diagram to see the parts shown on that diagram.
  • In the search box below, enter all or part of the part number or the part’s name.

Not all parts are shown on the diagrams—those parts are labeled NI, for “not illustrated”.

We encourage you to save the model to your profile, so it’s easy to access parts and manuals for your appliance whenever you log in.

For DIY troubleshooting advice and repair guides, visit our repair help section.

Showing 10 of 289 parts

Washer Agitator Bolt#22

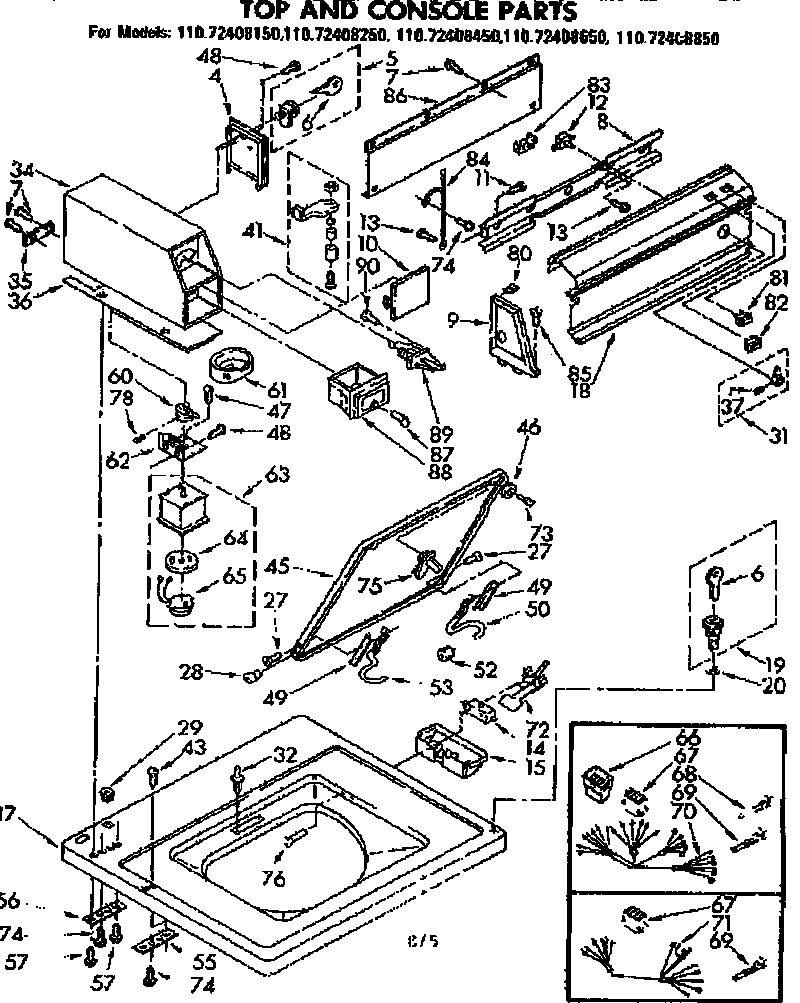
Tub and basket parts Diagram

Stud assembly

Part #359198
Replaced by #WP358237
?
Manufacturer substitution
This part replaces 359198. Substitute parts can look different from the original.
BEST SELLER
This item is not returnable
In Stock
$4.23 | 
19% OFF 
Phone Price: $5.23
Appliance Touch-Up Paint, 0.6-oz (White)

#NI

All parts Diagram

In Stock
$8.29 | 
11% OFF 
Phone Price: $9.29
Commercial Laundry Appliance Meter Case Access Key

See All Related Diagrams

Key

Part #358288
Replaced by #4396669
?
Manufacturer substitution
This part replaces 358288. Substitute parts can look different from the original.
BEST SELLER
In Stock
$9.39 | 
22% OFF 
MSRP: $12.00
Appliance Spray Paint (White)

#NI

All parts Diagram

Appliance spray paint (white)

Part #350930
BEST SELLER
This item is not returnable
In Stock
$15.69 | 
11% OFF 
Phone Price: $17.69
Appliance Touch-Up Paint, 0.6-oz (Almond)

#NI

All parts Diagram

Appliance touch-up paint, 0.6-oz (almond)

Part #72107
Replaced by #WP72107
?
Manufacturer substitution
This part replaces 72107. Substitute parts can look different from the original.
BEST SELLER
This item is not returnable
In Stock
$5.39 | 
16% OFF 
Phone Price: $6.39
Dryer Top Panel Clip#17

Cabinet parts Diagram

Dryer top panel clip

Part #18776
Replaced by #WP18776
?
Manufacturer substitution
This part replaces 18776. Substitute parts can look different from the original.
This item is not returnable
Back Order
$8.39 | 
11% OFF 
Phone Price: $9.39
Washer Cold/Hot Water Fill Hose, 6-ft#9

Cabinet parts Diagram

Hose

Part #660028
Replaced by #WP76314
?
Manufacturer substitution
This part replaces 660028. Substitute parts can look different from the original.
In Stock
$25.89 | 
16% OFF 
Phone Price: $30.89
Washer Fill Hose Seal and Screen#3

Miscellaneous parts Diagram

Screen-1 pk

Part #353362
Replaced by #285452A
?
Manufacturer substitution
This part replaces 353362. Substitute parts can look different from the original.
This item is not returnable
In Stock
$6.29 | 
14% OFF 
Phone Price: $7.29
Washer Drive Belt#13

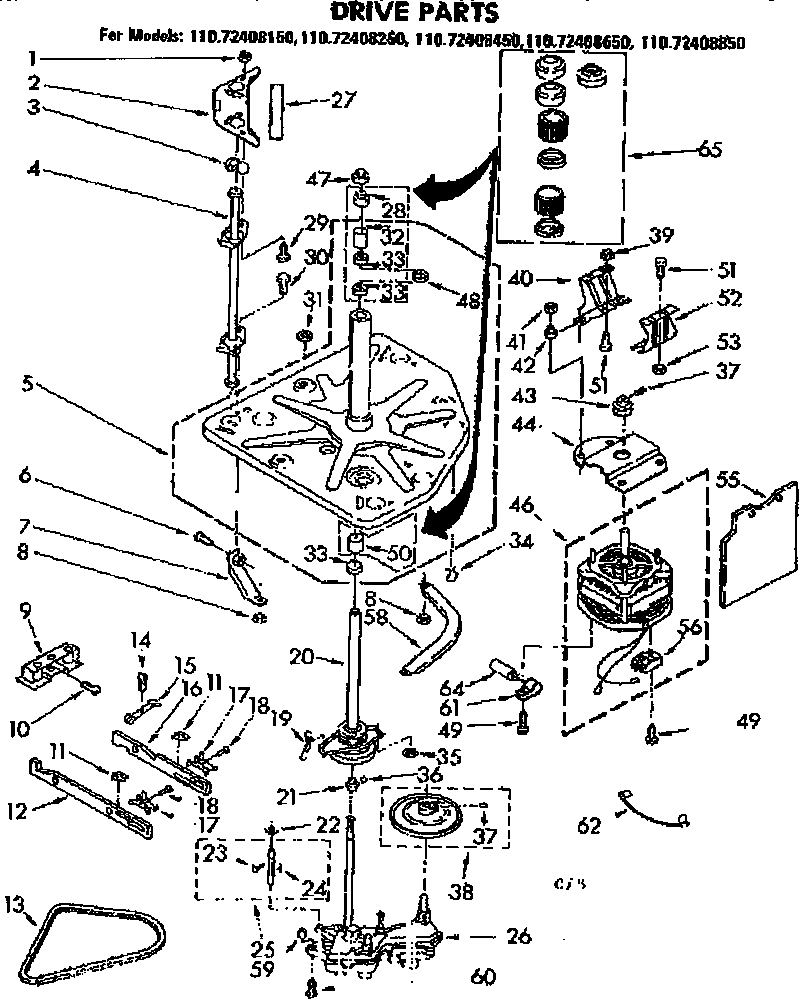
Drive parts Diagram

Washer drive belt

Part #95405
Replaced by #WP95405
?
Manufacturer substitution
This part replaces 95405. Substitute parts can look different from the original.
This item is not returnable
In Stock
$13.09 | 
53% OFF 
MSRP: $28.00
Washer Hose Clamp

See All Related Diagrams

Clamp

Part #370445
Replaced by #WP285655
?
Manufacturer substitution
This part replaces 370445. Substitute parts can look different from the original.
This item is not returnable
In Stock
$6.49 | 
13% OFF 
Phone Price: $7.49

Symptoms common to all washers

Choose a symptom to see related washer repairs.

Main causes: leaky water inlet valve, faulty water-level pressure switch, bad electronic control board
Main causes: lack of electrical power, wiring failure, bad power cord, electronic control board failure, bad user interface board
Main causes: water heater failure, bad water temperature switch, faulty control board, bad water valve, faulty water temperature sensor
Main causes: unbalanced load, loose spanner nut, worn drive block, broken shock absorber or suspension spring, debris in drain pump
Main causes: broken lid switch or lid lock, bad pressure switch, broken shifter assembly, faulty control system
Main causes: clogged drain hose, house drain clogged, bad drain pump, water-level pressure switch failure, bad control board or timer
Main causes: worn agitator dogs, bad clutch, broken motor coupler, shifter assembly failure, broken door lock, suspension component failure
Main causes: no water supply, bad water valves, water-level pressure switch failure, control system failure, bad door lock or lid switch
Main causes: bad lid switch or door lock, bad timer or electronic control board, wiring failure, bad water inlet valve assembly

Articles and videos common to all washers

Use the advice and tips in these articles and videos to get the most out of your washer.

January 3, 2022

Why is my washing machine leaking when not in use?

By Lyle Weischwill

Learn how to fix a washing machine leak

December 30, 2021

How to fix a washing machine

By Lyle Weischwill

Learn how to fix your broken washing machine

April 10, 2020

Cleaning your appliances after a drinking water advisory

By Julie Riebe

Find out how to clean and flush household appliances once a boil water advisory is lifted.