Craftsman
Chainsaw

Model #91760050 Official Craftsman chainsaw

Here are the diagrams and repair parts for Craftsman 91760050 chainsaw, as well as links to manuals and error code tables, if available.

There are a couple of ways to find the part or diagram you need:

  • Click a diagram to see the parts shown on that diagram.
  • In the search box below, enter all or part of the part number or the part’s name.

Not all parts are shown on the diagrams—those parts are labeled NI, for “not illustrated”.

We encourage you to save the model to your profile, so it’s easy to access parts and manuals for your appliance whenever you log in.

For DIY troubleshooting advice and repair guides, visit our repair help section.

Showing 10 of 208 parts

Lawn & Garden Equipment Engine Fuel Line (replaces 14306, 34357)#67

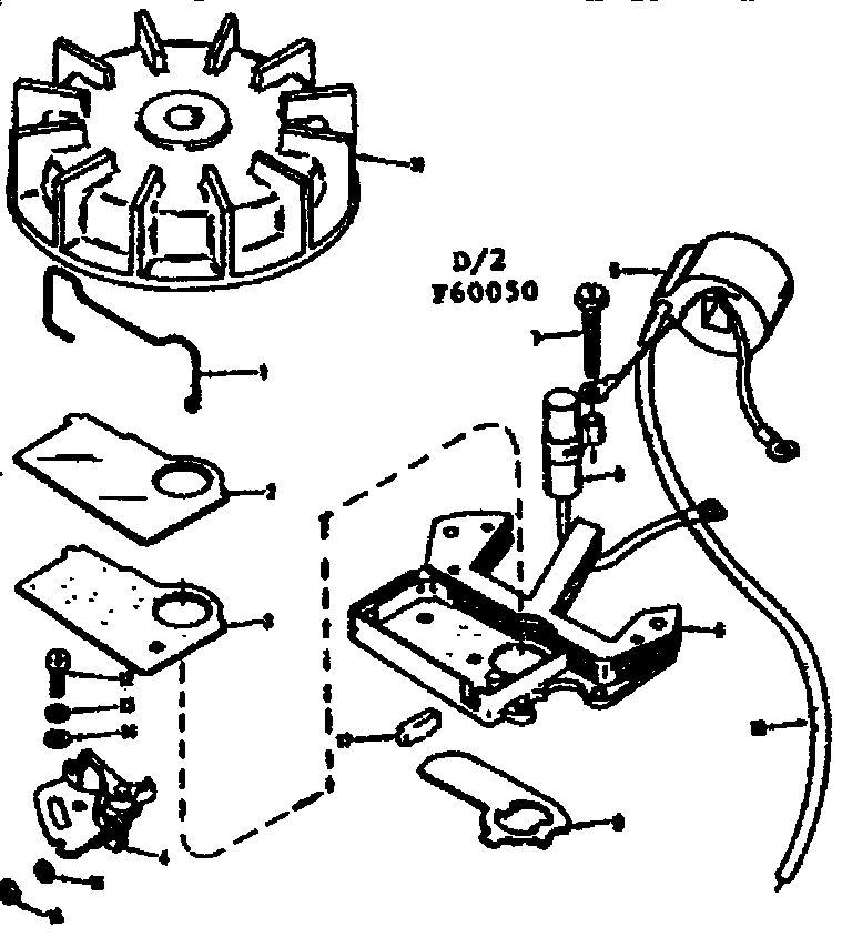
Crankcase Diagram

Fuel link

Part #29774
Replaced by #29774
?
Manufacturer substitution
This part replaces 29774. Substitute parts can look different from the original.
BEST SELLER
This item is not returnable
In Stock
$5.99 | 
14% OFF 
Phone Price: $6.99
Lawn & Garden Equipment Engine Spark Plug Boot (replaces 27276, TC-610118)#26

Crankcase Diagram

Cover

Part #610118
Replaced by #610118
?
Manufacturer substitution
This part replaces 610118. Substitute parts can look different from the original.
BEST SELLER
This item is not returnable
In Stock
$4.49 | 
25% OFF 
MSRP: $6.00
Lawn & Garden Equipment Engine Screw#44

Crankcase Diagram

Screw

Part #650123
Replaced by #651081
?
Manufacturer substitution
This part replaces 650123. Substitute parts can look different from the original.
This item is not returnable
In Stock
$5.19
Lawn & Garden Equipment Engine Carburetor Diaphragm Gasket#21

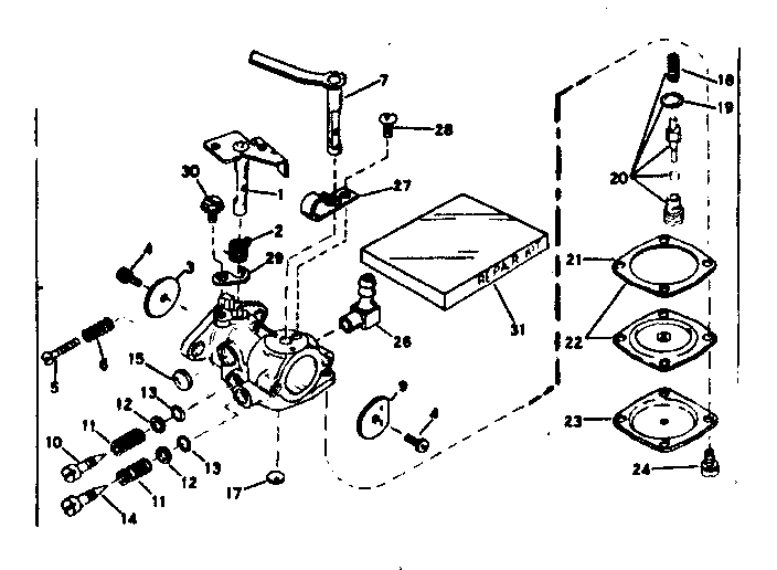
Carburetor Diagram

Gasket

Part #630750
Replaced by #630750A
?
Manufacturer substitution
This part replaces 630750. Substitute parts can look different from the original.
This item is not returnable
In Stock
$3.00
Lawn & Garden Equipment Engine Carburetor Adjustment Screw Spring#11

Carburetor Diagram

Spring

Part #630738
Replaced by #630738
?
Manufacturer substitution
This part replaces 630738. Substitute parts can look different from the original.
This item is not returnable
In Stock
$2.16
Washer#35

Chain saw Diagram

Washer

Part #09131612

The manufacturer no longer makes this part, and there's no substitute part

Lawn & Garden Equipment Engine Screw#4

Carburetor Diagram

Screw

Part #650506
Replaced by #650506
?
Manufacturer substitution
This part replaces 650506. Substitute parts can look different from the original.
This item is not returnable
In Stock
$2.16
Lawn & Garden Equipment Engine Carburetor Diaphragm Cover#23

Carburetor Diagram

Cover

Part #630751
Replaced by #630751
?
Manufacturer substitution
This part replaces 630751. Substitute parts can look different from the original.
This item is not returnable
In Stock
$4.79 | 
17% OFF 
Phone Price: $5.79
Lawn & Garden Equipment Engine Spark Plug#28

Crankcase Diagram

Plug

Part #610120
Replaced by #J8C
?
Manufacturer substitution
This part replaces 610120. Substitute parts can look different from the original.
This item is not returnable
In Stock
$3.29 | 
31% OFF 
MSRP: $4.80
Washer

See All Related Diagrams

Washer

Part #19111412

The manufacturer no longer makes this part, and there's no substitute part

Articles and videos common to all chainsaws

July 12, 2022

What are the most common replacement parts for chainsaws?

Lyle Weischwill

Learn about the most common replacement parts for chainsaws and how they can help you fix chainsaw problems.

June 29, 2022

Top questions about Sears and Sears PartsDirect

Lyle Weischwill

Get answers to frequently asked questions about Sears and Sears PartsDirect.