Kenmore
Boiler

Model #229962381 Official Kenmore gas-fired hot water & steam boiler

Here are the diagrams and repair parts for Kenmore 229962381 gas-fired hot water & steam boiler, as well as links to manuals and error code tables, if available.

There are a couple of ways to find the part or diagram you need:

  • Click a diagram to see the parts shown on that diagram.
  • In the search box below, enter all or part of the part number or the part’s name.

Not all parts are shown on the diagrams—those parts are labeled NI, for “not illustrated”.

We encourage you to save the model to your profile, so it’s easy to access parts and manuals for your appliance whenever you log in.

For DIY troubleshooting advice and repair guides, visit our repair help section.

Showing 10 of 133 parts

Water Heater Temperature and Pressure Relief Valve#22

Control and gauge installation (water) Diagram

Relief valve

Part #8840
Replaced by #10-408-05
?
Manufacturer substitution
This part replaces 8840. Substitute parts can look different from the original.
In Stock
$45.29 | 
10% OFF 
Phone Price: $50.29
Gas Valve Thermocouple#11

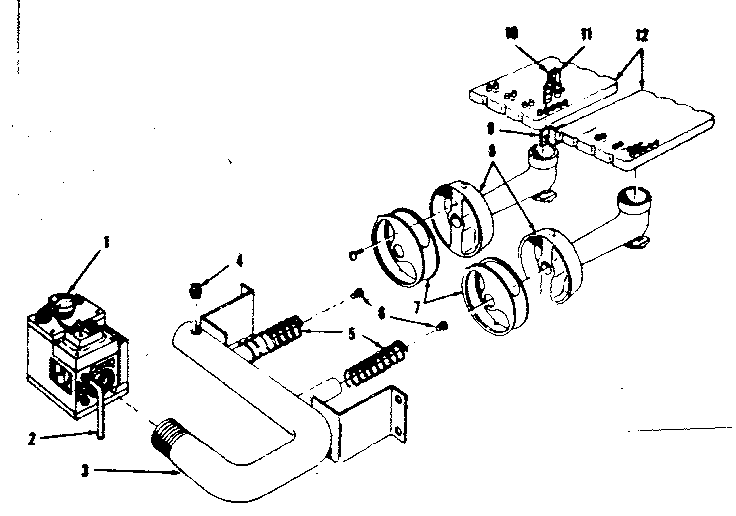
Gas burners and manifold Diagram

Thermopile

Part #Q313A
Replaced by #GO1A-332
?
Manufacturer substitution
This part replaces Q313A. Substitute parts can look different from the original.
In Stock
$66.49
White-Rodgers Furnace Gas Valve#1AA

Gas burners and manifold Diagram

Gas valve

Part #VS8138A-1016
Replaced by #36C03U-433
?
Manufacturer substitution
This part replaces VS8138A-1016. Substitute parts can look different from the original.
In Stock
$508.17 | 
$10.00 OFF 
Phone Price: $518.17
Boiler Temperature and Pressure Gauge#14

Control and gauge installation (water) Diagram

P/t gauge

Part #8879
Replaced by #1260006SP
?
Manufacturer substitution
This part replaces 8879. Substitute parts can look different from the original.
In Stock
$34.65
Thermostat

See All Related Diagrams

Thermostat

Part #9235

The manufacturer no longer makes this part, and there's no substitute part

Gauge#10

Control and gauge installation (steam) Diagram

Gauge

Part #21001
Replaced by #21-104-03
?
Manufacturer substitution
This part replaces 21001. Substitute parts can look different from the original.
In Stock
$118.99
Pipe Plug#4

Gas burners and manifold Diagram

Pipe plug

Part #219187

The manufacturer no longer makes this part, and there's no substitute part

White-Rodgers Furnace Wall-Mounted Thermostat

See All Related Diagrams

Thermostat

Part #9237
Replaced by #1E30N-910
?
Manufacturer substitution
This part replaces 9237. Substitute parts can look different from the original.
In Stock
$81.43 | 
6% OFF 
Phone Price: $86.43
Wing Nut#4

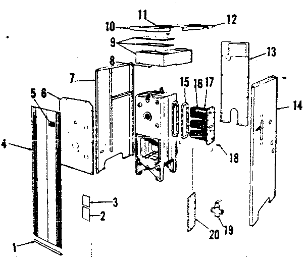
Doors and unit sections Diagram

Wing nut

Part #126177

The manufacturer no longer makes this part, and there's no substitute part

Screw#18

Cabinet Diagram

Screw

Part #100133

The manufacturer no longer makes this part, and there's no substitute part