Samsung
Washer

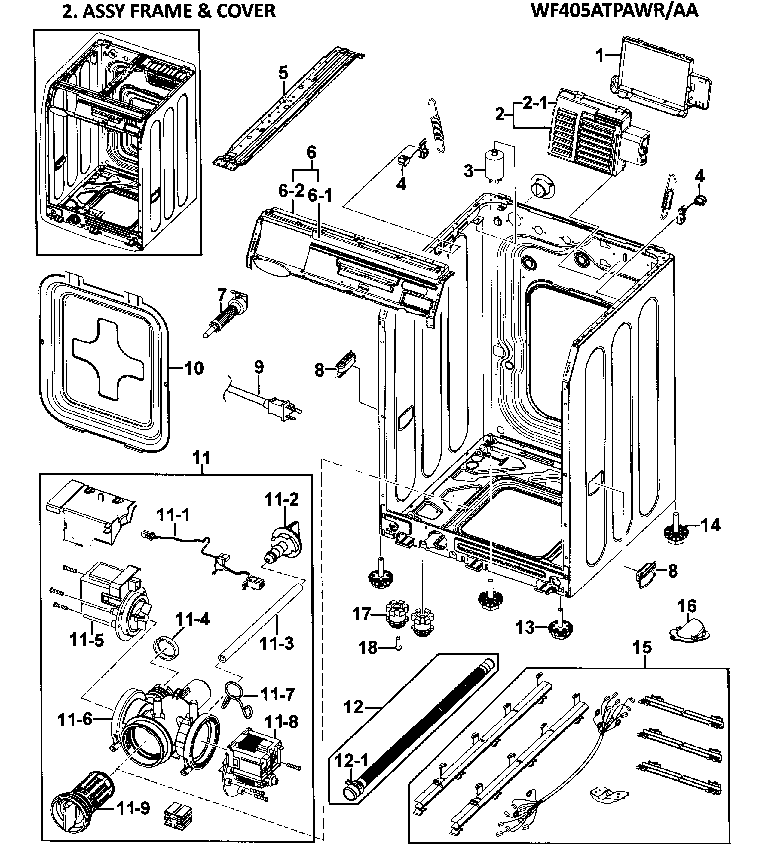
Model #WF405ATPAWR/AA-00 Official Samsung washer

Here are the diagrams and repair parts for Samsung WF405ATPAWR-AA-00 washer, as well as links to manuals and error code tables, if available.

There are a couple of ways to find the part or diagram you need:

  • Click a diagram to see the parts shown on that diagram.
  • In the search box below, enter all or part of the part number or the part’s name.

Not all parts are shown on the diagrams—those parts are labeled NI, for “not illustrated”.

We encourage you to save the model to your profile, so it’s easy to access parts and manuals for your appliance whenever you log in.

For DIY troubleshooting advice and repair guides, visit our repair help section.

Owner’s manual

Showing 10 of 147 parts

Washer Door Boot#1-8

Tub assy Diagram

Washer door boot

Part #DC64-02805A
BEST SELLER
In Stock
$107.90 | 
8% OFF 
Phone Price: $117.90
Washer Vent Bellows#1-18

Drawer housing Diagram

Washer vent bellows

Part #DC67-00275A
BEST SELLER
This item is not returnable
In Stock
$9.42 | 
10% OFF 
Phone Price: $10.42
Washer Shock Absorber (replaces DC66-00650D)

See All Related Diagrams

In Stock
$34.12 | 
13% OFF 
Phone Price: $39.12
Washer Drain Pump#11-5

Cabinet Diagram

Washer drain pump

Part #DC31-00054D
BEST SELLER
In Stock
$54.10 | 
8% OFF 
Phone Price: $59.10
Washer Bolt#7-1

Tub assy Diagram

Washer bolt

Part #DC60-40137A
BEST SELLER
In Stock
$7.55 | 
12% OFF 
Phone Price: $8.55
Washer Door Glass#1-10

Front/door Diagram

Door glass

Part #DC64-00504A
Replaced by #DC64-00504C
?
Manufacturer substitution
This part replaces DC64-00504A. Substitute parts can look different from the original.
BEST SELLER
In Stock
$140.79 | 
7% OFF 
Phone Price: $150.79
Washer Drain Pump Check Valve#11-4

Cabinet Diagram

Washer drain pump check valve

Part #DC62-00299A
BEST SELLER
This item is not returnable
In Stock
$3.79 | 
21% OFF 
Phone Price: $4.79
Washer Shipping Bolt#7

Cabinet Diagram

Washer shipping bolt

Part #DC97-14489A
BEST SELLER
In Stock
$26.09 | 
16% OFF 
Phone Price: $31.09
Washer Motor Rotor Position Sensor#10-3

Tub assy Diagram

Washer motor rotor position sensor

Part #DC31-00098A
BEST SELLER
In Stock
$49.74 | 
10% OFF 
Was: $55.39
Washer Door Lock Strike#1-5

Front/door Diagram

Door latch

Part #DC66-00375A
Replaced by #DC66-00326A
?
Manufacturer substitution
This part replaces DC66-00375A. Substitute parts can look different from the original.
BEST SELLER
In Stock
$12.05 | 
14% OFF 
Phone Price: $14.05

Symptoms common to all washers

Choose a symptom to see related washer repairs.

Main causes: leaky water inlet valve, faulty water-level pressure switch, bad electronic control board
Main causes: lack of electrical power, wiring failure, bad power cord, electronic control board failure, bad user interface board
Main causes: water heater failure, bad water temperature switch, faulty control board, bad water valve, faulty water temperature sensor
Main causes: unbalanced load, loose spanner nut, worn drive block, broken shock absorber or suspension spring, debris in drain pump
Main causes: broken lid switch or lid lock, bad pressure switch, broken shifter assembly, faulty control system
Main causes: clogged drain hose, house drain clogged, bad drain pump, water-level pressure switch failure, bad control board or timer
Main causes: worn agitator dogs, bad clutch, broken motor coupler, shifter assembly failure, broken door lock, suspension component failure
Main causes: no water supply, bad water valves, water-level pressure switch failure, control system failure, bad door lock or lid switch
Main causes: bad lid switch or door lock, bad timer or electronic control board, wiring failure, bad water inlet valve assembly

Articles and videos common to all washers

Use the advice and tips in these articles and videos to get the most out of your washer.

January 3, 2022

Why is my washing machine leaking when not in use?

By Lyle Weischwill

Learn how to fix a washing machine leak

December 30, 2021

How to fix a washing machine

By Lyle Weischwill

Learn how to fix your broken washing machine

April 10, 2020

Cleaning your appliances after a drinking water advisory

By Julie Riebe

Find out how to clean and flush household appliances once a boil water advisory is lifted.