Kenmore
Countertop Microwave

Model #5658778410 Official Kenmore microwave

Here are the diagrams and repair parts for Kenmore 5658778410 microwave, as well as links to manuals and error code tables, if available.

There are a couple of ways to find the part or diagram you need:

  • Click a diagram to see the parts shown on that diagram.
  • In the search box below, enter all or part of the part number or the part’s name.

Not all parts are shown on the diagrams—those parts are labeled NI, for “not illustrated”.

We encourage you to save the model to your profile, so it’s easy to access parts and manuals for your appliance whenever you log in.

For DIY troubleshooting advice and repair guides, visit our repair help section.

Showing 10 of 177 parts

Micro-Switch#17

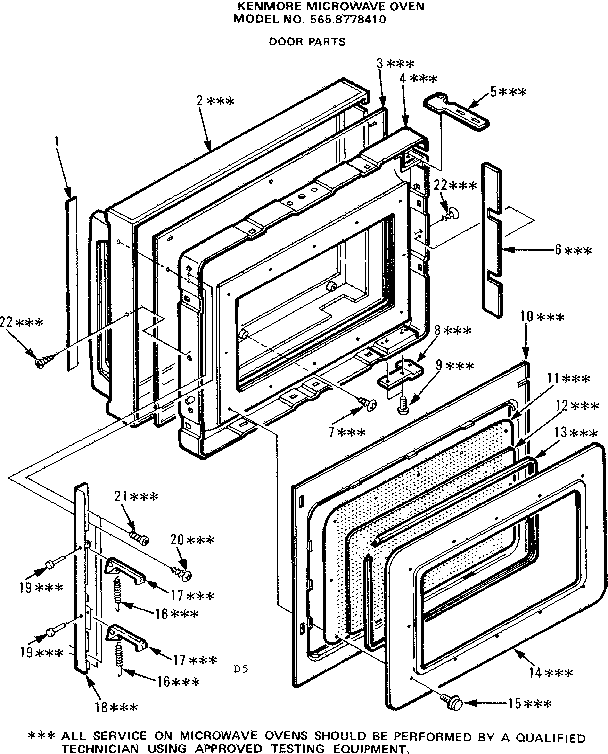
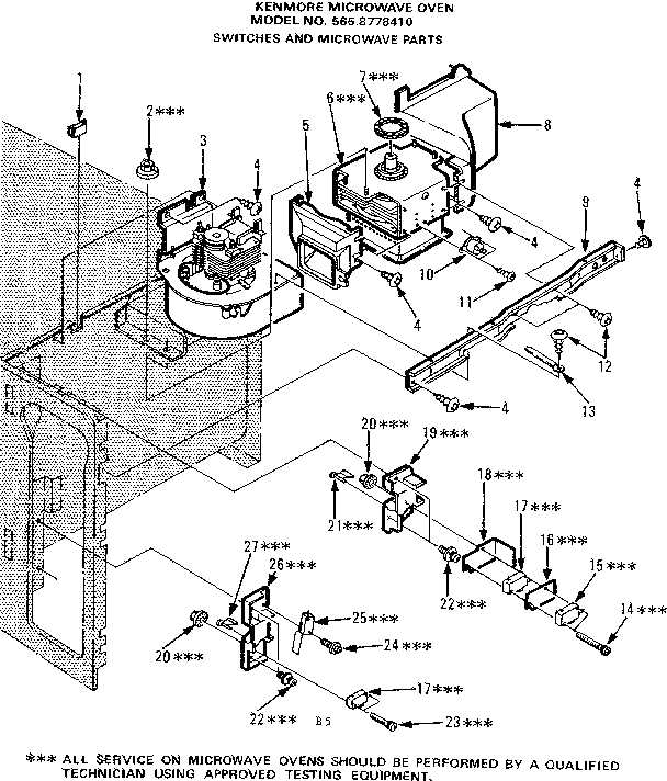
Switches and microwave parts Diagram

Micro-switch

Part #11243

The manufacturer no longer makes this part, and there's no substitute part

Microwave Fuse, 15-amp#23

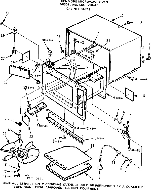
Microwave parts Diagram

Microwave fuse, 15-amp

Part #11255

The manufacturer no longer makes this part, and there's no substitute part

Capacitor

See All Related Diagrams

Capacitor

Part #11653

The manufacturer no longer makes this part, and there's no substitute part

Magnetron#6

Switches and microwave parts Diagram

Magnetron

Part #12663

The manufacturer no longer makes this part, and there's no substitute part

Fuse Holder#24

Microwave parts Diagram

Fuse holder

Part #11256

The manufacturer no longer makes this part, and there's no substitute part

Diode#12

Power and control circuit board part no. 12357r Diagram

Diode

Part #11181

The manufacturer no longer makes this part, and there's no substitute part

Intg Circuit

See All Related Diagrams

Intg circuit

Part #11650

The manufacturer no longer makes this part, and there's no substitute part

Capacitor#3

Microwave parts Diagram

Capacitor

Part #11253

The manufacturer no longer makes this part, and there's no substitute part

Micro-Switch#15

Switches and microwave parts Diagram

Micro-switch

Part #11628

The manufacturer no longer makes this part, and there's no substitute part

Capacitor#35

Power and control circuit board part no. 12357r Diagram

Capacitor

Part #11564

The manufacturer no longer makes this part, and there's no substitute part

Articles and videos common to all microwaves

November 12, 2022

5 Holiday Cleaning Tasks Essential to Boosting Your Home’s Image

By Lyle Weischwill

Get tips on completing essential holiday cleaning tasks to brighten your home.

August 19, 2022

Are DIY appliance repairs safe?

By Lyle Weischwill

Find out how to stay safe when repairing your appliances.

August 5, 2022

Introducing new technical repair content that we’re developing for the Sears Technical Institute

By Lyle Weischwill

Learn about Sears Technical Institute and the advanced technical content being developed for aspiring appliance techs.