Eureka
Canister Vacuum

Model #3120 Official Eureka vacuum cleaner

Here are the diagrams and repair parts for Eureka 3120 vacuum cleaner, as well as links to manuals and error code tables, if available.

There are a couple of ways to find the part or diagram you need:

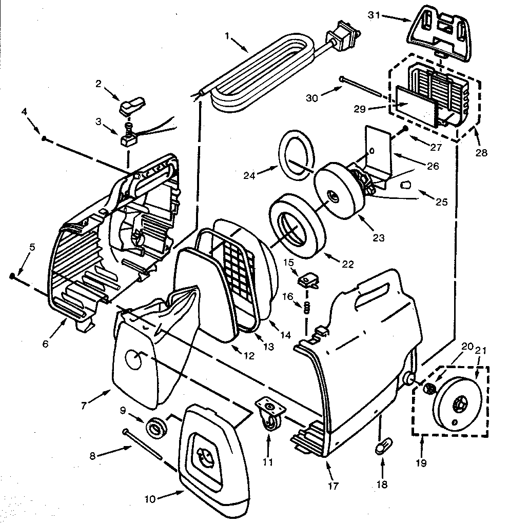
  • Click a diagram to see the parts shown on that diagram.
  • In the search box below, enter all or part of the part number or the part’s name.

Not all parts are shown on the diagrams—those parts are labeled NI, for “not illustrated”.

We encourage you to save the model to your profile, so it’s easy to access parts and manuals for your appliance whenever you log in.

For DIY troubleshooting advice and repair guides, visit our repair help section.

    Showing 10 of 41 parts

    Vacuum Motor Safety Filter#12

    Vacuum cleaner parts Diagram

    Vacuum motor safety filter

    Part #26197

    The manufacturer no longer makes this part, and there's no substitute part

    Screw#5

    Vacuum cleaner parts Diagram

    Screw

    Part #53197-2

    The manufacturer no longer makes this part, and there's no substitute part

    Carpet Cleaner Screw, 10-pack#4

    Vacuum cleaner parts Diagram

    Carpet cleaner screw, 10-pack

    Part #53197-1

    The manufacturer no longer makes this part, and there's no substitute part

    Gasket#13

    Vacuum cleaner parts Diagram

    Gasket

    Part #55394

    The manufacturer no longer makes this part, and there's no substitute part

    Mounting Gasket#22

    Vacuum cleaner parts Diagram

    Mounting gasket

    Part #26190

    The manufacturer no longer makes this part, and there's no substitute part

    Cord Assembly#1

    Vacuum cleaner parts Diagram

    Cord assembly

    Part #36528-5

    The manufacturer no longer makes this part, and there's no substitute part

    Twist-On Wire Connector#25

    Vacuum cleaner parts Diagram

    Twist-on wire connector

    Part #53214-2

    The manufacturer no longer makes this part, and there's no substitute part

    Start Wand#6

    Hose and attachment parts Diagram

    Start wand

    Part #14070-2

    The manufacturer no longer makes this part, and there's no substitute part

    Bag#7

    Vacuum cleaner parts Diagram

    Bag

    Part #13876-1

    The manufacturer no longer makes this part, and there's no substitute part

    F/w Brush#5

    Hose and attachment parts Diagram

    F/w brush

    Part #26002-5

    The manufacturer no longer makes this part, and there's no substitute part

    Symptoms common to all vacuum cleaners

    Choose a symptom to see related vacuum cleaner repairs.

    Main causes: damaged vacuum hose, clogged motor air filter, bad suction motor
    Main causes: broken drive belt, damaged brush roll, tripped brush roll motor overload, bad brush roll motor, wiring failure
    Main causes: lack of power, bad power cord, drive motor failure, wiring failure
    Main causes: weak suction motor, vacuum bag is full, clog in suction air path, dirty exhaust filter, leaky vacuum hose

    Repair guides for canister vacuums

    How to replace a vacuum power head ribbed drive belt

    Some canister vacuums have a ribbed drive belt that spins the brush roll on a power brush attachment. If the brush roll slips, you can replace it using these instructions.

    Repair difficulty
    Time required
     30 minutes or less
    July 1, 2013
    By Lyle Weischwill
    How to replace a vacuum suction motor

    The suction motor on a vacuum creates the draw of air at the cleaning head that picks up dirt. If the vacuum won't run, give it a new life by replacing the suction motor. These steps explain how.

    Repair difficulty
    Time required
     15 minutes or less
    July 1, 2013
    By Lyle Weischwill
    How to replace a vacuum beater bar

    Replace the brush roll if the bristles ares worn or the cylinder is damaged.

    Repair difficulty
    Time required
     30 minutes or less

    Articles and videos common to all vacuum cleaners

    Use the advice and tips in these articles and videos to get the most out of your vacuum.

    January 5, 2015

    10 must-have tools for appliance repair

    By Lyle Weischwill

    Come see which tools made our top 10 must-haves for DIY appliance repair.

    December 18, 2014

    Deciding between a canister or upright vacuum

    By Lyle Weischwill

    Undecided about canister or upright? We compare them.

    July 1, 2013

    Vacuum common questions

    By Lyle Weischwill

    Find the answers to frequently asked questions about vacuum cleaners.