Kenmore
Central Air Conditioner

Model #2538731840 Official Kenmore air conditioner

Here are the diagrams and repair parts for Kenmore 2538731840 air conditioner, as well as links to manuals and error code tables, if available.

There are a couple of ways to find the part or diagram you need:

  • Click a diagram to see the parts shown on that diagram.
  • In the search box below, enter all or part of the part number or the part’s name.

Not all parts are shown on the diagrams—those parts are labeled NI, for “not illustrated”.

We encourage you to save the model to your profile, so it’s easy to access parts and manuals for your appliance whenever you log in.

For DIY troubleshooting advice and repair guides, visit our repair help section.

Showing 10 of 95 parts

Dishwasher Screw

See All Related Diagrams

Screw

Part #516353
Replaced by #154419403
?
Manufacturer substitution
This part replaces 516353. Substitute parts can look different from the original.
This item is not returnable
In Stock
$7.00
Dishwasher Screw#6

Electrical system & air handling parts Diagram

Screw

Part #516359
Replaced by #154419403
?
Manufacturer substitution
This part replaces 516359. Substitute parts can look different from the original.
This item is not returnable
In Stock
$7.00
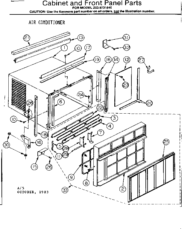
Filter#9

Cabinet & front panel parts Diagram

Filter

Part #47-9155

The manufacturer no longer makes this part, and there's no substitute part

Refrigerator Wire Harness Clamp#46

Electrical system & air handling parts Diagram

Clamp

Part #96777
Replaced by #5303001199
?
Manufacturer substitution
This part replaces 96777. Substitute parts can look different from the original.
In Stock
$51.00
Washer

#NI

All parts Diagram

Washer

Part #100033
Replaced by #3005891
?
Manufacturer substitution
This part replaces 100033. Substitute parts can look different from the original.
This item is not returnable
In Stock
$2.16
Louver#22

Cabinet & front panel parts Diagram

Louver

Part #508800-02

The manufacturer no longer makes this part, and there's no substitute part

Decorative Panel#23

Electrical system & air handling parts Diagram

Decorative panel

Part #516380

The manufacturer no longer makes this part, and there's no substitute part

Cover#25

Electrical system & air handling parts Diagram

Cover

Part #500309

The manufacturer no longer makes this part, and there's no substitute part

Thermo Cutou#41

Electrical system & air handling parts Diagram

Thermo cutou

Part #503335

The manufacturer no longer makes this part, and there's no substitute part

Seal#6

Cabinet & front panel parts Diagram

Seal

Part #149188-01

The manufacturer no longer makes this part, and there's no substitute part

Articles and videos common to all central air conditioners

November 30, 2022

2023 HVAC regulation changes and how they may affect you

By Lyle Weischwill

Find out how new DOE standards going into effect in 2023 can affect you and what you need to do.

October 24, 2022

Easy DIY appliance repairs that anyone can do

By Lyle Weischwill

Get advice on simple DIY fixes for appliances that you can safely do on your own.

August 5, 2022

Introducing new technical repair content that we’re developing for the Sears Technical Institute

By Lyle Weischwill

Learn about Sears Technical Institute and the advanced technical content being developed for aspiring appliance techs.