Proform
Treadmill

Model #831296231 Official Proform crosswalk 370e treadmill

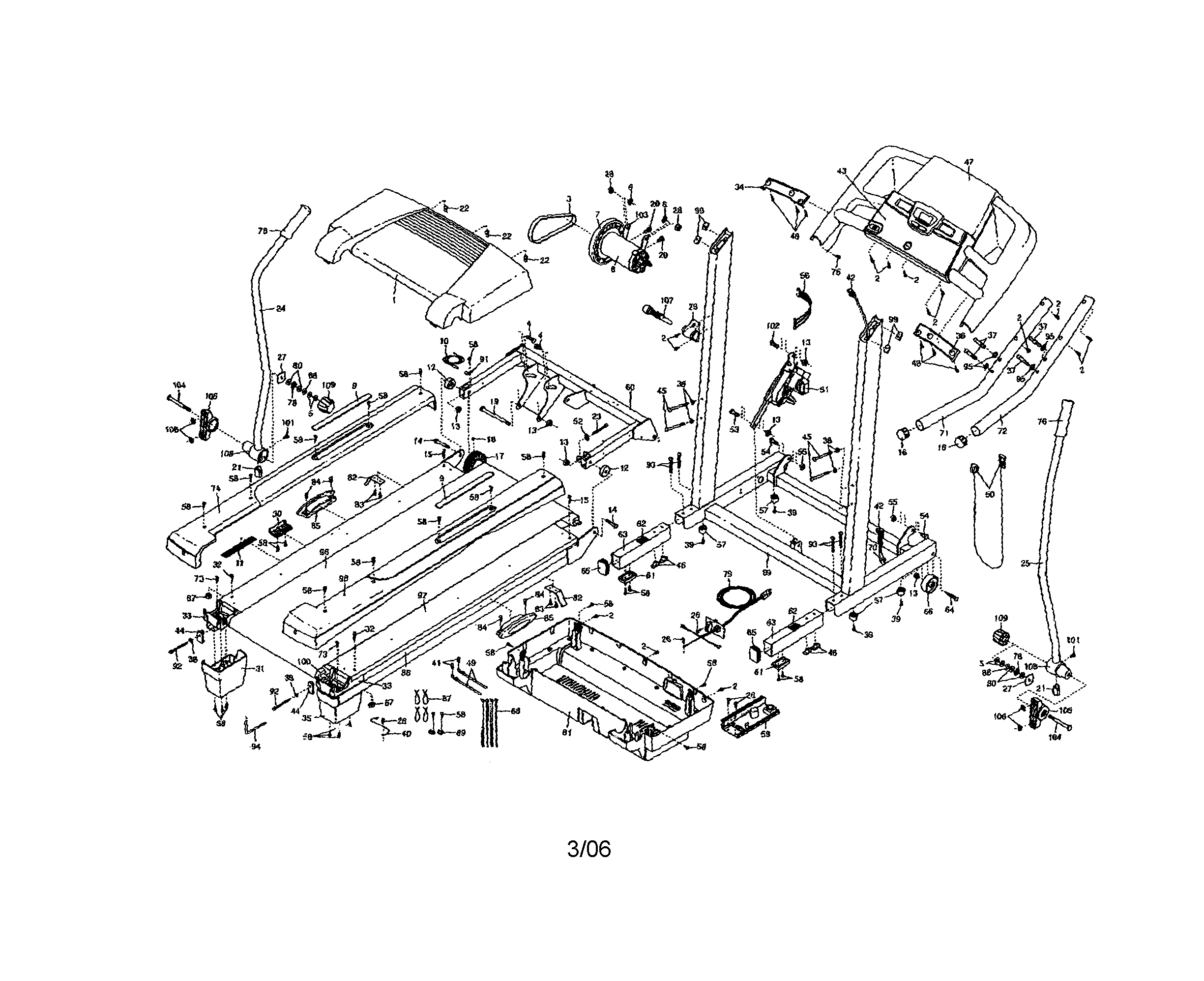
Here are the diagrams and repair parts for Proform 831296231 crosswalk 370e treadmill, as well as links to manuals and error code tables, if available.

There are a couple of ways to find the part or diagram you need:

  • Click a diagram to see the parts shown on that diagram.
  • In the search box below, enter all or part of the part number or the part’s name.

Not all parts are shown on the diagrams—those parts are labeled NI, for “not illustrated”.

We encourage you to save the model to your profile, so it’s easy to access parts and manuals for your appliance whenever you log in.

For DIY troubleshooting advice and repair guides, visit our repair help section.

Owner’s manual

Showing 10 of 113 parts

Treadmill Walking Belt Lubricant (replaces 134591)

#NI10

All parts Diagram

Lube,icon,wl

Part #134591
Replaced by #219168
?
Manufacturer substitution
This part replaces 134591. Substitute parts can look different from the original.
BEST SELLER
This item is not returnable
Back Order
$3.99
Treadmill Walking Belt Lubricant, 3-pack (replaces 202557, 219897)

#NI11

All parts Diagram

Kit,wlk-blt,

Part #202557
Replaced by #219170
?
Manufacturer substitution
This part replaces 202557. Substitute parts can look different from the original.
BEST SELLER
In Stock
$23.69 | 
17% OFF 
Phone Price: $28.69
Treadmill Latch Pin Housing (replaces 223555)

See All Related Diagrams

Treadmill latch bracket

Part #223555
Replaced by #228101
?
Manufacturer substitution
This part replaces 223555. Substitute parts can look different from the original.
BEST SELLER
This item is not returnable
Back Order
$4.39 | 
19% OFF 
Phone Price: $5.39
Treadmill Motor Control Board#59

Treadmill Diagram

Treadmill motor control board

Part #248188

The manufacturer no longer makes this part, and there's no substitute part

Treadmill Washer#38

Treadmill Diagram

Treadmill washer

Part #014063
This item is not returnable
In Stock
$1.49 | 
40% OFF 
Phone Price: $2.49
Rear Roller Bracket#33

Treadmill Diagram

Rear roller bracket

Part #233666
This item is not returnable
In Stock
$15.09 | 
12% OFF 
Phone Price: $17.09
Treadmill Drive Motor (replaces 302600)#8

Treadmill Diagram

Mtr,drive,ar

Part #206942
Replaced by #405692
?
Manufacturer substitution
This part replaces 206942. Substitute parts can look different from the original.
In Stock
$139.89 | 
7% OFF 
Phone Price: $149.89
Exercise Equipment Rubber Pad

See All Related Diagrams

Exercise equipment rubber pad

Part #157600
This item is not returnable
In Stock
$2.16
Latch Pin Assembly

See All Related Diagrams

Latch pin assembly

Part #226961
This item is not returnable
In Stock
$6.99
Treadmill Extension Leg Nut

See All Related Diagrams

Treadmill extension leg nut

Part #223547
This item is not returnable
Back Order
$3.99

Symptoms for treadmills

Choose a symptom to see related treadmill repairs.

Main causes: faulty sensors, wiring failure, bad control console
Main causes: no power, bad power cord, tripped or faulty overload switch, bad power switch, wiring failure, bad motor control board
Main causes: missing safety key, bad control console, wiring failure, faulty motor control board, bad drive motor
Main causes: bad control console, wiring failure, bad motor control board
Main causes: damaged walking belt, improper belt tension, lack of belt lubricant, bad drive motor
Main causes: damaged walking belt, improper belt tension, bad roller bearing
Main causes: rear roller out of alignment, damaged walking belt, bad roller

Repair guides for treadmills

These step-by-step repair guides will help you safely fix what’s broken on your treadmill.

How to replace a treadmill motor controller

Your treadmill motor won't run with a defective motor controller. Replace the motor controller if it doesn't operate the motor correctly.

Repair difficulty
Time required
 15 minutes or less
How to replace a treadmill walking belt

A worn walking belt will begin to slow down during use. If your treadmill walking belt is worn out, replace it using these steps.

Repair difficulty
Time required
 45 minutes or less
June 1, 2015
Lyle Weischwill
How to replace a treadmill drive motor

A defective drive motor won't run when activated by the motor controller. Replace the treadmill drive motor if it doesn't run.

Repair difficulty
Time required
 15 minutes or less

Articles and videos common to all fitness & exercise

Use the advice and tips in these articles and videos to get the most out of your treadmill.

June 29, 2022

Top questions about Sears and Sears PartsDirect

Lyle Weischwill

Get answers to frequently asked questions about Sears and Sears PartsDirect.