Kenmore
Washer

Model #11072692220 Official Kenmore washer

Here are the diagrams and repair parts for Kenmore 11072692220 washer, as well as links to manuals and error code tables, if available.

There are a couple of ways to find the part or diagram you need:

  • Click a diagram to see the parts shown on that diagram.
  • In the search box below, enter all or part of the part number or the part’s name.

Not all parts are shown on the diagrams—those parts are labeled NI, for “not illustrated”.

We encourage you to save the model to your profile, so it’s easy to access parts and manuals for your appliance whenever you log in.

For DIY troubleshooting advice and repair guides, visit our repair help section.

    Showing 10 of 341 parts

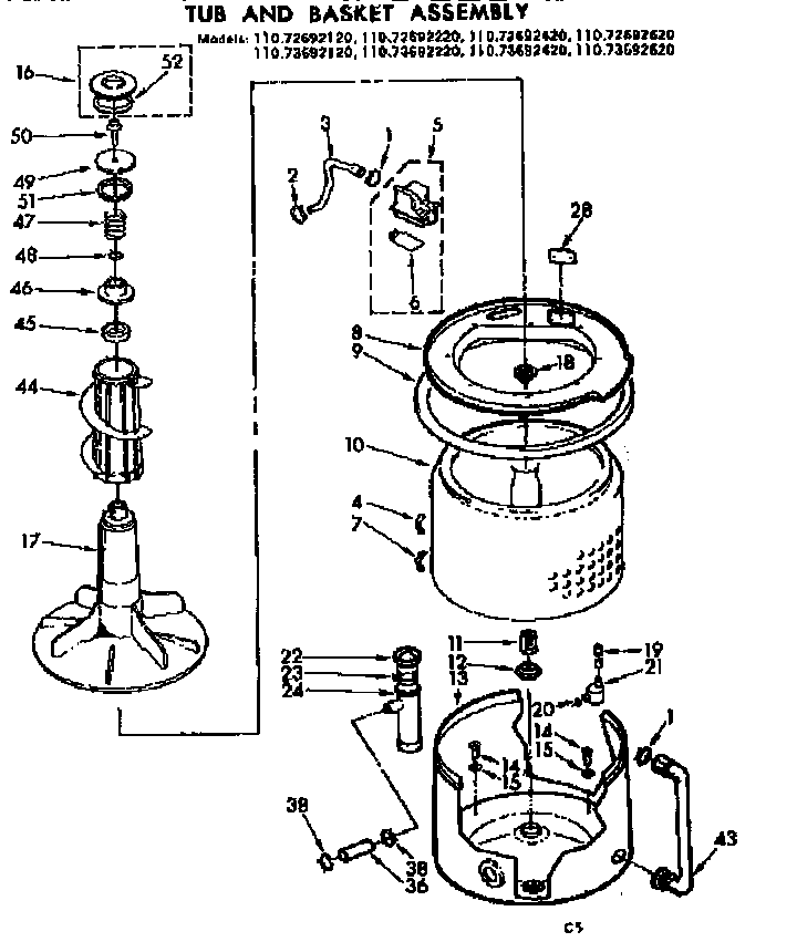
    Washer Agitator Bolt#50

    Tub and basket assembly Diagram

    Washer agitator bolt

    Part #358237
    Replaced by #WP358237
    ?
    Manufacturer substitution
    This part replaces 358237. Substitute parts can look different from the original.
    BEST SELLER
    This item is not returnable
    In Stock
    $2.51 | 
    40% OFF 
    MSRP: $4.20
    Laundry Appliance Door Switch Kit#19

    Top and console assembly Diagram

    Lid switch

    Part #364090
    Replaced by #W10820036
    ?
    Manufacturer substitution
    This part replaces 364090. Substitute parts can look different from the original.
    BEST SELLER
    In Stock
    $27.04 | 
    18% OFF 
    MSRP: $33.00
    Washer Lid Bumper#14

    Top and console assembly Diagram

    Bumper

    Part #354241
    Replaced by #WP9724509
    ?
    Manufacturer substitution
    This part replaces 354241. Substitute parts can look different from the original.
    BEST SELLER
    This item is not returnable
    In Stock
    $4.39 | 
    19% OFF 
    Phone Price: $5.39
    Washer Lid Bumper#10

    Top and console assembly Diagram

    Bumper

    Part #354255
    Replaced by #WP354255
    ?
    Manufacturer substitution
    This part replaces 354255. Substitute parts can look different from the original.
    BEST SELLER
    This item is not returnable
    In Stock
    $4.39 | 
    19% OFF 
    Phone Price: $5.39
    Dryer Top Panel Clip#41

    Cabinet parts Diagram

    Dryer top panel clip

    Part #18776
    Replaced by #WP18776
    ?
    Manufacturer substitution
    This part replaces 18776. Substitute parts can look different from the original.
    This item is not returnable
    Back Order
    $8.39 | 
    11% OFF 
    Phone Price: $9.39
    Washer Agitator Cap Seal#52

    Tub and basket assembly Diagram

    Seal

    Part #357559
    Replaced by #WP358912
    ?
    Manufacturer substitution
    This part replaces 357559. Substitute parts can look different from the original.
    This item is not returnable
    In Stock
    $6.49 | 
    13% OFF 
    Phone Price: $7.49
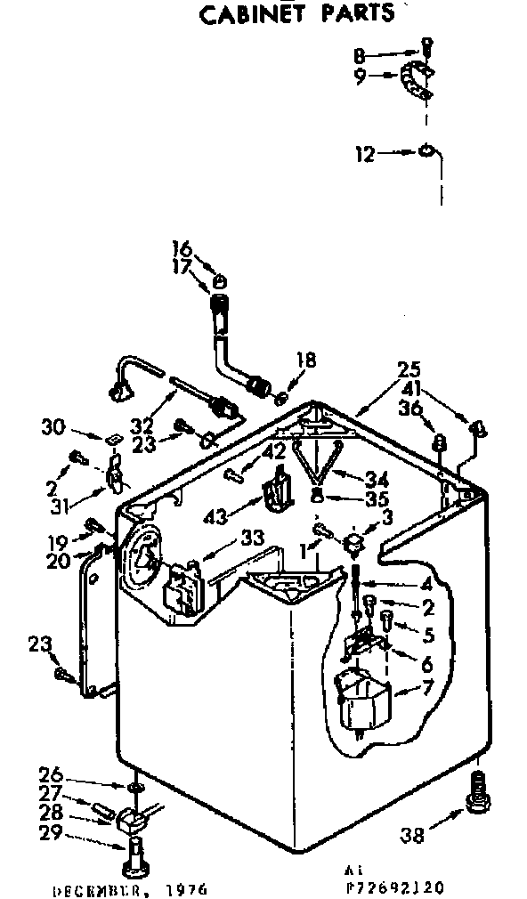
    Washer Fill Hose Seal and Screen#16

    Cabinet parts Diagram

    Washer

    Part #355521
    Replaced by #285452A
    ?
    Manufacturer substitution
    This part replaces 355521. Substitute parts can look different from the original.
    This item is not returnable
    In Stock
    $6.29 | 
    14% OFF 
    Phone Price: $7.29
    Washer Drive Belt

    See All Related Diagrams

    Washer drive belt

    Part #95405
    Replaced by #WP95405
    ?
    Manufacturer substitution
    This part replaces 95405. Substitute parts can look different from the original.
    This item is not returnable
    In Stock
    $13.09 | 
    53% OFF 
    MSRP: $28.00
    Washer Screw, #10-16 x 3/8-in#65

    Top and console assembly Diagram

    Screw

    Part #339554
    Replaced by #WP3390631
    ?
    Manufacturer substitution
    This part replaces 339554. Substitute parts can look different from the original.
    This item is not returnable
    In Stock
    $4.39 | 
    19% OFF 
    Phone Price: $5.39
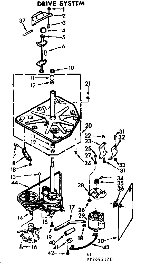
    Washer Brake Cam Retainer Clip#17

    Gearcase/transmission Diagram

    Ring

    Part #90368
    Replaced by #W11033823
    ?
    Manufacturer substitution
    This part replaces 90368. Substitute parts can look different from the original.
    This item is not returnable
    In Stock
    $8.39 | 
    11% OFF 
    Phone Price: $9.39

    Symptoms common to all washers

    Choose a symptom to see related washer repairs.

    Main causes: leaky water inlet valve, faulty water-level pressure switch, bad electronic control board
    Main causes: lack of electrical power, wiring failure, bad power cord, electronic control board failure, bad user interface board
    Main causes: water heater failure, bad water temperature switch, faulty control board, bad water valve, faulty water temperature sensor
    Main causes: unbalanced load, loose spanner nut, worn drive block, broken shock absorber or suspension spring, debris in drain pump
    Main causes: broken lid switch or lid lock, bad pressure switch, broken shifter assembly, faulty control system
    Main causes: clogged drain hose, house drain clogged, bad drain pump, water-level pressure switch failure, bad control board or timer
    Main causes: worn agitator dogs, bad clutch, broken motor coupler, shifter assembly failure, broken door lock, suspension component failure
    Main causes: no water supply, bad water valves, water-level pressure switch failure, control system failure, bad door lock or lid switch
    Main causes: bad lid switch or door lock, bad timer or electronic control board, wiring failure, bad water inlet valve assembly

    Articles and videos common to all washers

    Use the advice and tips in these articles and videos to get the most out of your washer.

    January 3, 2022

    Why is my washing machine leaking when not in use?

    By Lyle Weischwill

    Learn how to fix a washing machine leak

    December 30, 2021

    How to fix a washing machine

    By Lyle Weischwill

    Learn how to fix your broken washing machine

    April 10, 2020

    Cleaning your appliances after a drinking water advisory

    By Julie Riebe

    Find out how to clean and flush household appliances once a boil water advisory is lifted.