Speed Queen
Washer

Model #SWTZ21QM Official Speed Queen commercial washer

Here are the diagrams and repair parts for Speed Queen SWTZ21QM commercial washer, as well as links to manuals and error code tables, if available.

There are a couple of ways to find the part or diagram you need:

  • Click a diagram to see the parts shown on that diagram.
  • In the search box below, enter all or part of the part number or the part’s name.

Not all parts are shown on the diagrams—those parts are labeled NI, for “not illustrated”.

We encourage you to save the model to your profile, so it’s easy to access parts and manuals for your appliance whenever you log in.

For DIY troubleshooting advice and repair guides, visit our repair help section.

    Showing 10 of 278 parts

    Screw#6

    Security kit Diagram

    Screw

    Part #503688

    The manufacturer no longer makes this part, and there's no substitute part

    Ring#14

    Motor assy Diagram

    Ring

    Part #23748

    The manufacturer no longer makes this part, and there's no substitute part

    Nut#2

    Meter case Diagram

    Nut

    Part #29786

    The manufacturer no longer makes this part, and there's no substitute part

    Screw#2

    Agitator assy Diagram

    Screw

    Part #27202

    The manufacturer no longer makes this part, and there's no substitute part

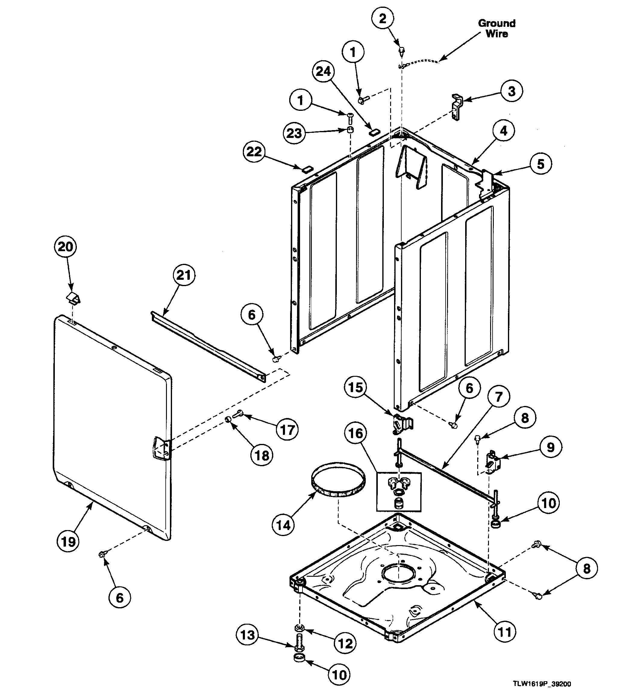
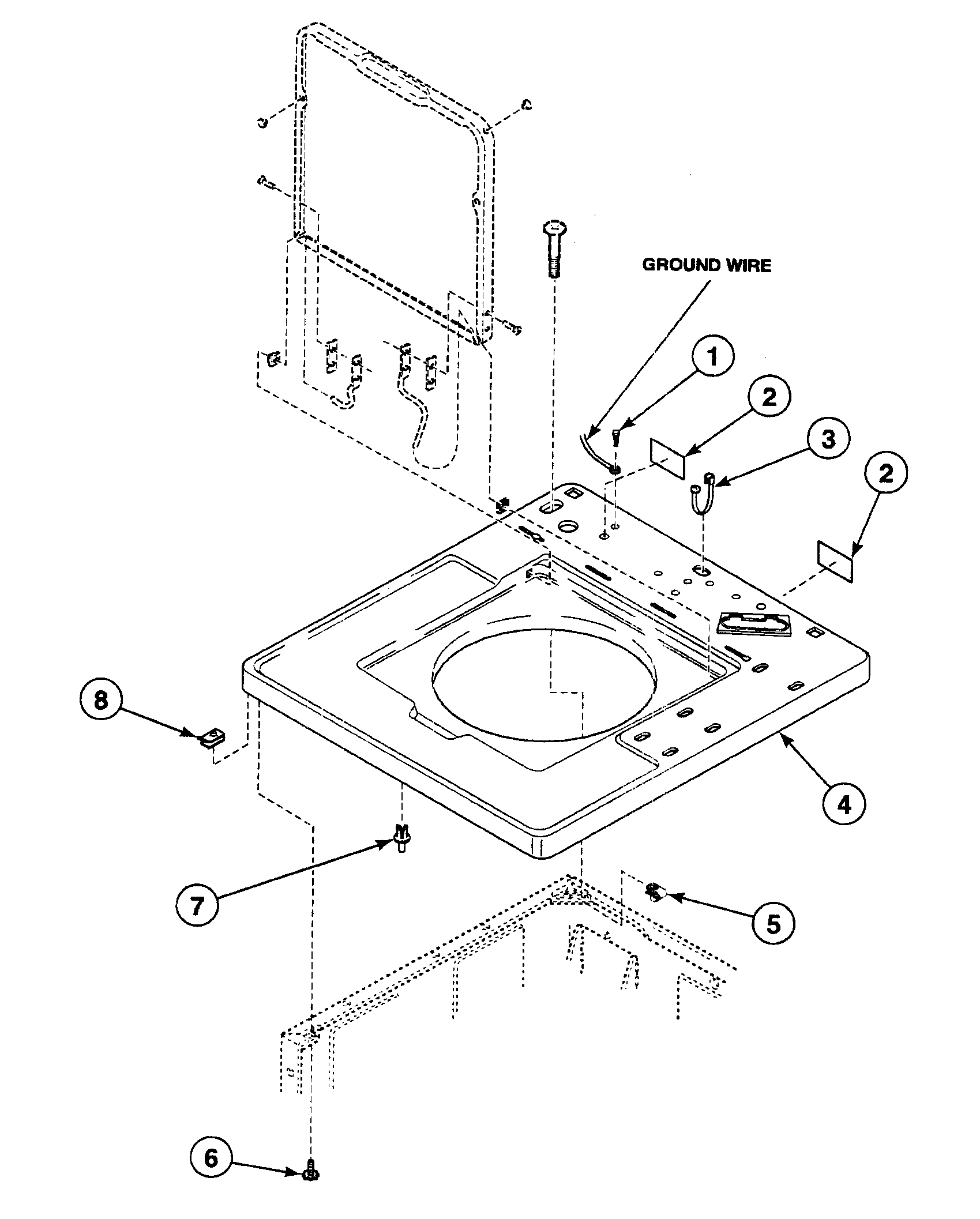
    Bracket#9

    Cabinet Diagram

    Bracket

    Part #36036

    The manufacturer no longer makes this part, and there's no substitute part

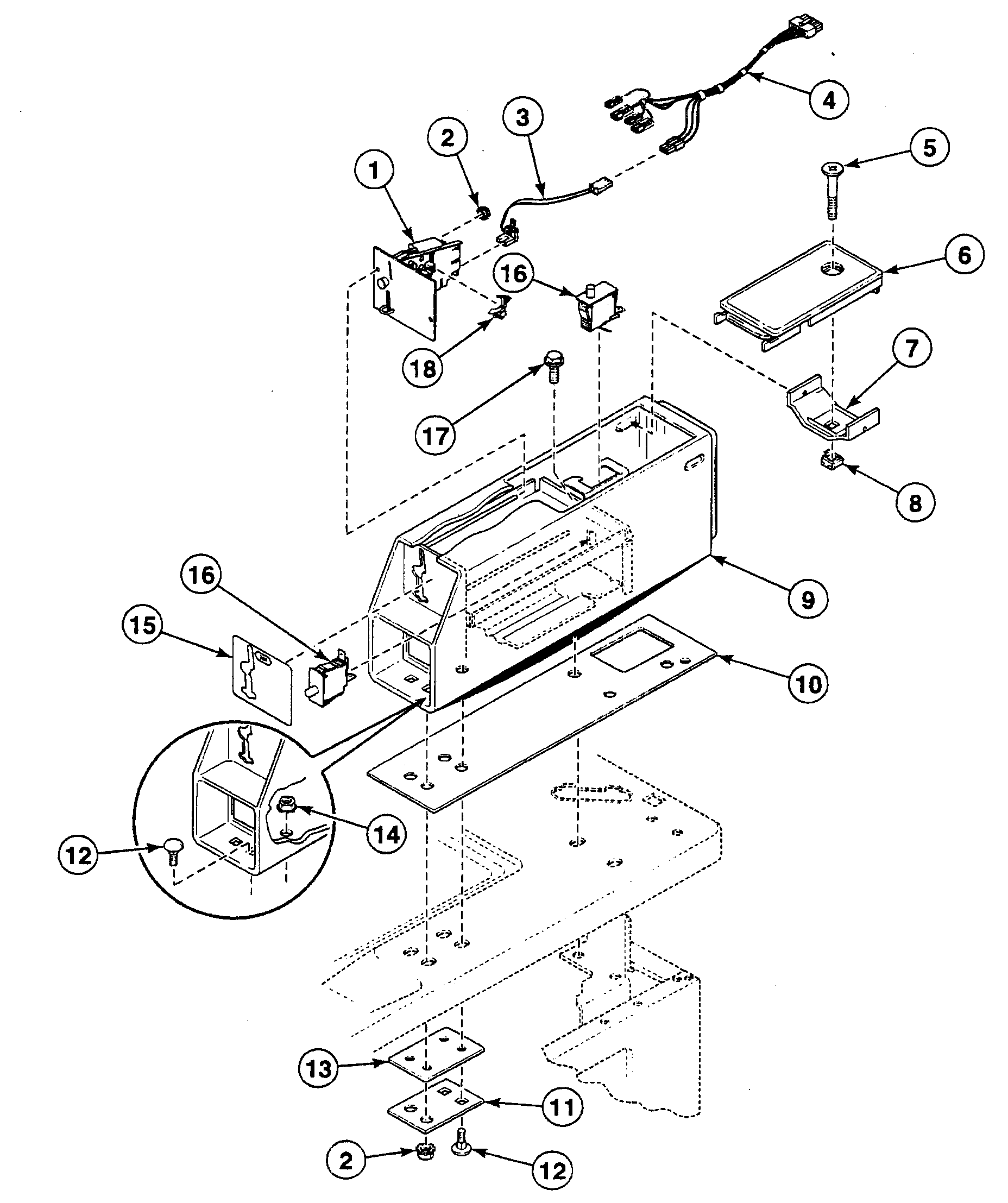
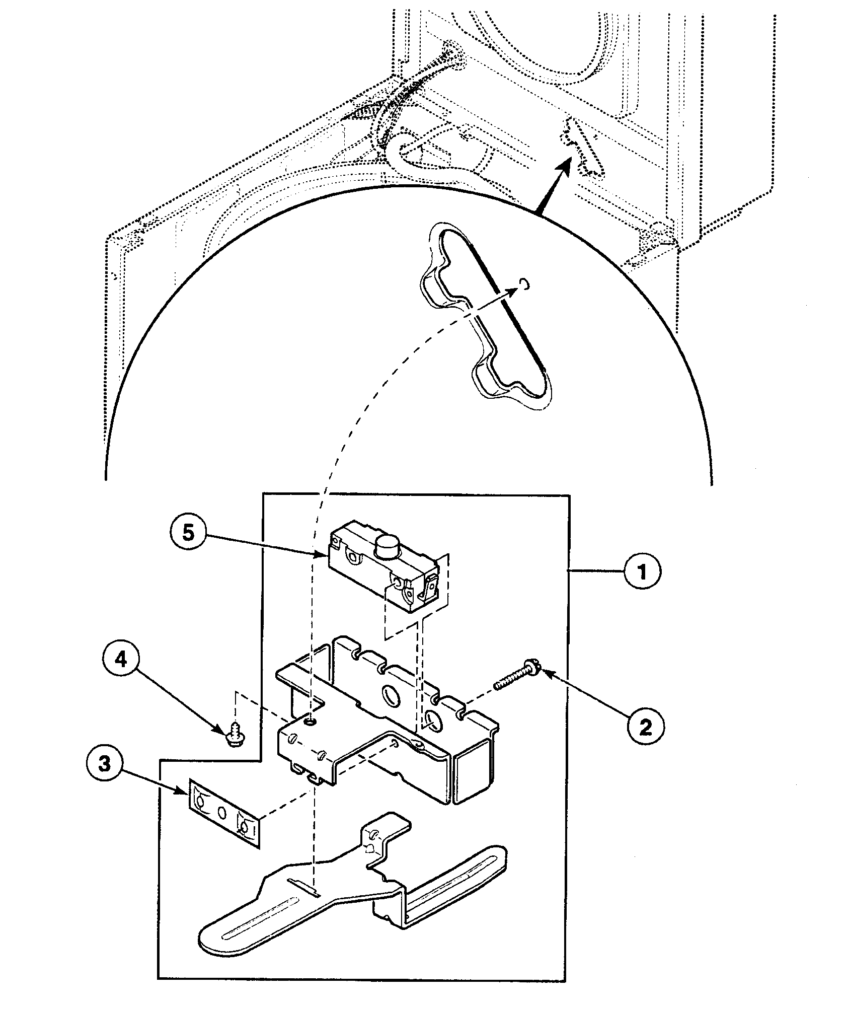
    Switch#5

    Lid switch Diagram

    Switch

    Part #33445

    The manufacturer no longer makes this part, and there's no substitute part

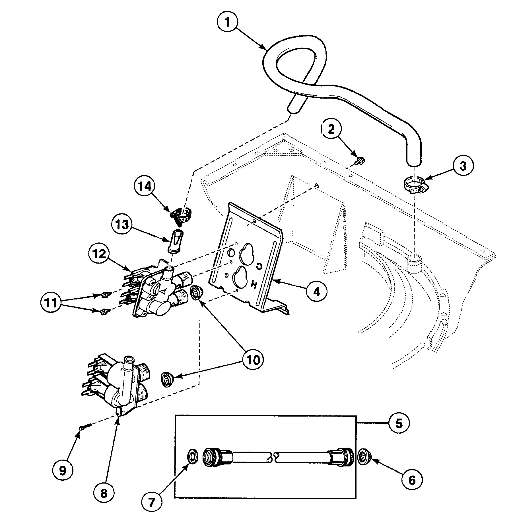
    Screw#2

    Valve assy Diagram

    Screw

    Part #33562

    The manufacturer no longer makes this part, and there's no substitute part

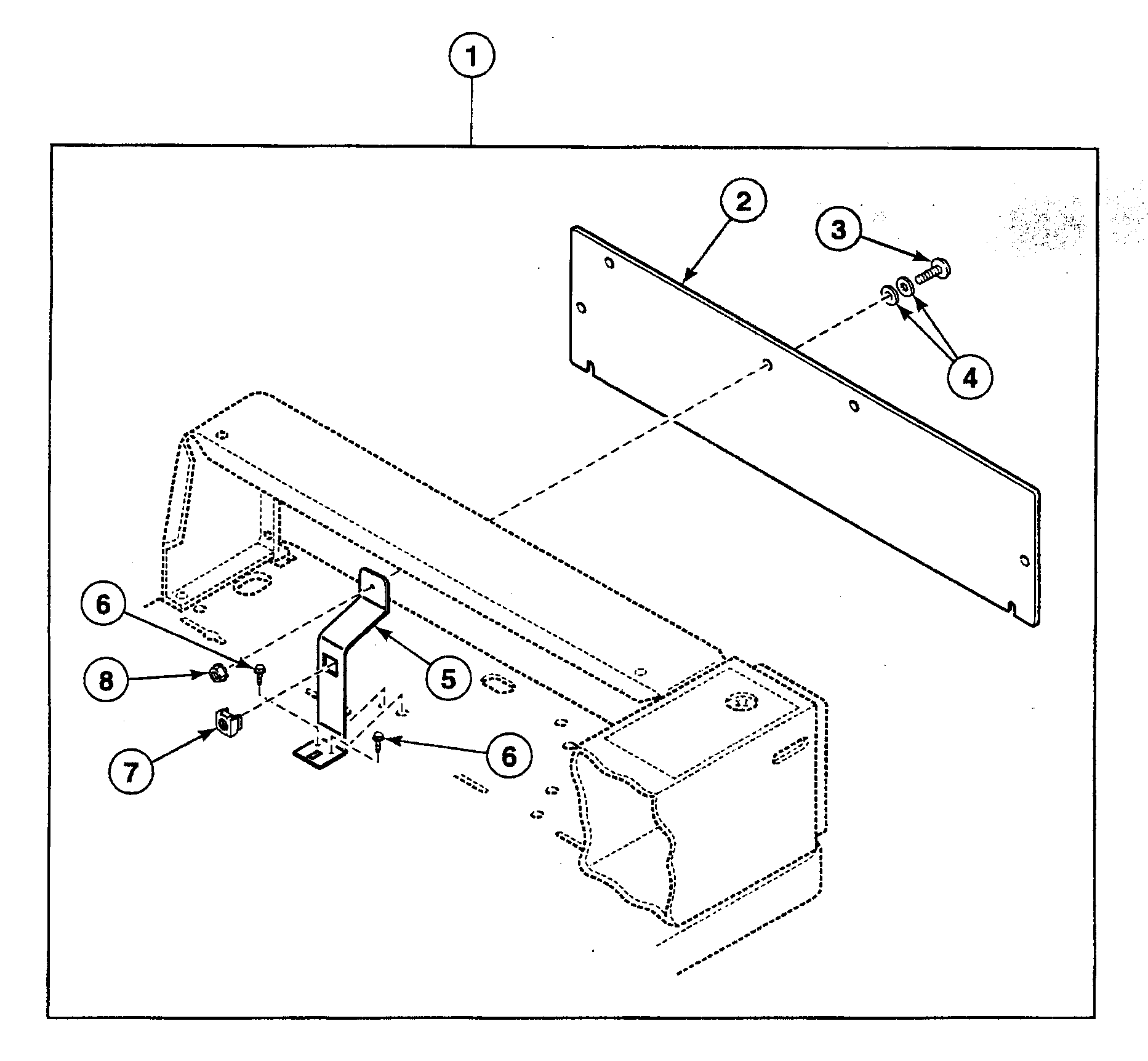
    Hook#8

    Tools 2 Diagram

    Hook

    Part #254P4P

    The manufacturer no longer makes this part, and there's no substitute part

    Hose Clamp#3

    Valve assy Diagram

    Hose clamp

    Part #800803

    The manufacturer no longer makes this part, and there's no substitute part

    Nut#14

    Meter case Diagram

    Nut

    Part #802337

    The manufacturer no longer makes this part, and there's no substitute part

    Symptoms common to all washers

    Choose a symptom to see related washer repairs.

    Main causes: leaky water inlet valve, faulty water-level pressure switch, bad electronic control board
    Main causes: lack of electrical power, wiring failure, bad power cord, electronic control board failure, bad user interface board
    Main causes: water heater failure, bad water temperature switch, faulty control board, bad water valve, faulty water temperature sensor
    Main causes: unbalanced load, loose spanner nut, worn drive block, broken shock absorber or suspension spring, debris in drain pump
    Main causes: broken lid switch or lid lock, bad pressure switch, broken shifter assembly, faulty control system
    Main causes: clogged drain hose, house drain clogged, bad drain pump, water-level pressure switch failure, bad control board or timer
    Main causes: worn agitator dogs, bad clutch, broken motor coupler, shifter assembly failure, broken door lock, suspension component failure
    Main causes: no water supply, bad water valves, water-level pressure switch failure, control system failure, bad door lock or lid switch
    Main causes: bad lid switch or door lock, bad timer or electronic control board, wiring failure, bad water inlet valve assembly

    Articles and videos common to all washers

    Use the advice and tips in these articles and videos to get the most out of your washer.

    January 3, 2022

    Why is my washing machine leaking when not in use?

    By Lyle Weischwill

    Learn how to fix a washing machine leak

    December 30, 2021

    How to fix a washing machine

    By Lyle Weischwill

    Learn how to fix your broken washing machine

    April 10, 2020

    Cleaning your appliances after a drinking water advisory

    By Julie Riebe

    Find out how to clean and flush household appliances once a boil water advisory is lifted.