GE
Dryer

Model #DDG7189SBLAA Official GE dryer

Here are the diagrams and repair parts for GE DDG7189SBLAA dryer, as well as links to manuals and error code tables, if available.

There are a couple of ways to find the part or diagram you need:

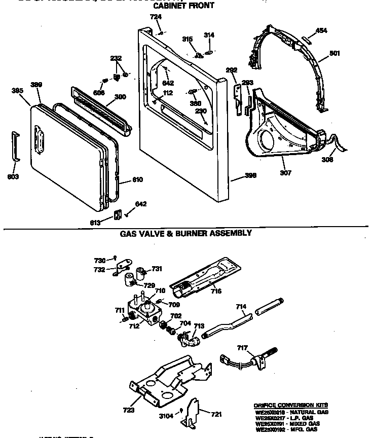
  • Click a diagram to see the parts shown on that diagram.
  • In the search box below, enter all or part of the part number or the part’s name.

Not all parts are shown on the diagrams—those parts are labeled NI, for “not illustrated”.

We encourage you to save the model to your profile, so it’s easy to access parts and manuals for your appliance whenever you log in.

For DIY troubleshooting advice and repair guides, visit our repair help section.

Showing 10 of 148 parts

Washer Control Knob#19

Backsplash & controls Diagram

Knob clip

Part #WE1X1207
Replaced by #WH1X2721
?
Manufacturer substitution
This part replaces WE1X1207. Substitute parts can look different from the original.
BEST SELLER
This item is not returnable
In Stock
$5.40 | 
16% OFF 
Phone Price: $6.40
Washer Control Knob#19

Backsplash & controls Diagram

Timer knob

Part #WE1X1208
Replaced by #WH1X2721
?
Manufacturer substitution
This part replaces WE1X1208. Substitute parts can look different from the original.
BEST SELLER
This item is not returnable
In Stock
$5.40 | 
16% OFF 
Phone Price: $6.40
Dryer Door Catch#232

Cabinet front Diagram

Latch clip

Part #WE1X1032
Replaced by #WE1M1011
?
Manufacturer substitution
This part replaces WE1X1032. Substitute parts can look different from the original.
BEST SELLER
This item is not returnable
In Stock
$10.29 | 
16% OFF 
Phone Price: $12.29
Dryer Door Handle (White)#603

Cabinet front Diagram

Handle,doo

Part #WE1X1188
Replaced by #WE01X20419
?
Manufacturer substitution
This part replaces WE1X1188. Substitute parts can look different from the original.
This item is not returnable
In Stock
$22.13 | 
18% OFF 
Phone Price: $27.13
Dryer Lint Screen#300

Cabinet front Diagram

Dryer lint screen

Part #WE18X54
In Stock
$57.41 | 
10% OFF 
Was: $63.79
Dryer Idler Pulley#216

Drum & duct Diagram

Idler pulley

Part #WE12X92
Replaced by #WE12X83
?
Manufacturer substitution
This part replaces WE12X92. Substitute parts can look different from the original.
In Stock
$26.45 | 
16% OFF 
Phone Price: $31.45
Dryer Drum Belt#213

Drum & duct Diagram

Drive belt

Part #WE12X82
Replaced by #WE12X10014
?
Manufacturer substitution
This part replaces WE12X82. Substitute parts can look different from the original.
In Stock
$23.93 | 
17% OFF 
Phone Price: $28.93
Dryer Rotary Start Switch#89

Backsplash & controls Diagram

In Stock
$41.09 | 
11% OFF 
Phone Price: $46.09
Dryer Blower Wheel Retainer Assembly#200

Drum & duct Diagram

Dryer blower wheel retainer assembly

Part #WE1X688
This item is not returnable
In Stock
$17.72 | 
10% OFF 
Was: $19.69
Dryer Timer#100

Backsplash & controls Diagram

Dryer timer

Part #WE4X795
In Stock
$115.99 | 
8% OFF 
Phone Price: $125.99

Symptoms common to all dryers

Choose a symptom to see related dryer repairs.

Main causes: bad drum support roller, damaged idler pulley, broken blower fan blade, worn drum glide bearing, bad drive motor
Main causes: bad gas valve coils, broken heating element, tripped safety thermostat or fuse, bad operating thermostat, control failure
Main causes: bad timer or electronic control board, door switch failure
Main causes: lack of electrical power, bad power cord, wiring failure, bad control board, blown thermal fuse, bad door switch
Main causes: clogged exhaust vent, bad motor relay, loose dryer door catch, bad door switch, control system failure, faulty drive motor
Main causes: damaged door strike, worn door catch
Main causes: door switch failure, lack of power, broken belt, blown thermal fuse, bad drive motor, control system failure
Main causes: clogged exhaust system, heating system failure, deposits on moisture sensor, control system failure

Repair guides common to all dryers

These step-by-step repair guides will help you safely fix what’s broken on your dryer.

August 1, 2014
Lyle Weischwill
How to replace a dryer drum support roller

If your dryer thumps or squeals, replace the drum support roller to restore quiet to your home.

Repair difficulty
Time required
 90 minutes or less
August 1, 2014
Lyle Weischwill
How to replace a dryer thermistor

The thermistor senses the air temperature in the dryer. If your dryer overheats or doesn't heat at all, the thermistor could be the problem.

Repair difficulty
Time required
 30 minutes or less
August 1, 2014
Lyle Weischwill
How to replace a dryer idler pulley

The idler pulley exerts pressure keeps the drive belt tight so it can rotate the drum. A worn idler pulley squeals or squeaks when the dryer is running. Follow these instructions to replace it.

Repair difficulty
Time required
 90 minutes or less

Articles and videos common to all dryers

Use the advice and tips in these articles and videos to get the most out of your dryer.

October 24, 2022

Easy DIY appliance repairs that anyone can do

Lyle Weischwill

Get advice on simple DIY fixes for appliances that you can safely do on your own.

January 4, 2022

How to replace a Maytag dryer heating element

Lyle Weischwill

Learn how to replace a Maytag dryer heating element

August 17, 2021

How to read a wiring schematic video

Lyle Weischwill

Learn how to decipher symbols so you can buy the right part for your problem.