Panasonic
Upright Vacuum

Model #MC-V525800 Official Panasonic vacuum

Here are the diagrams and repair parts for Panasonic MC-V525800 vacuum, as well as links to manuals and error code tables, if available.

There are a couple of ways to find the part or diagram you need:

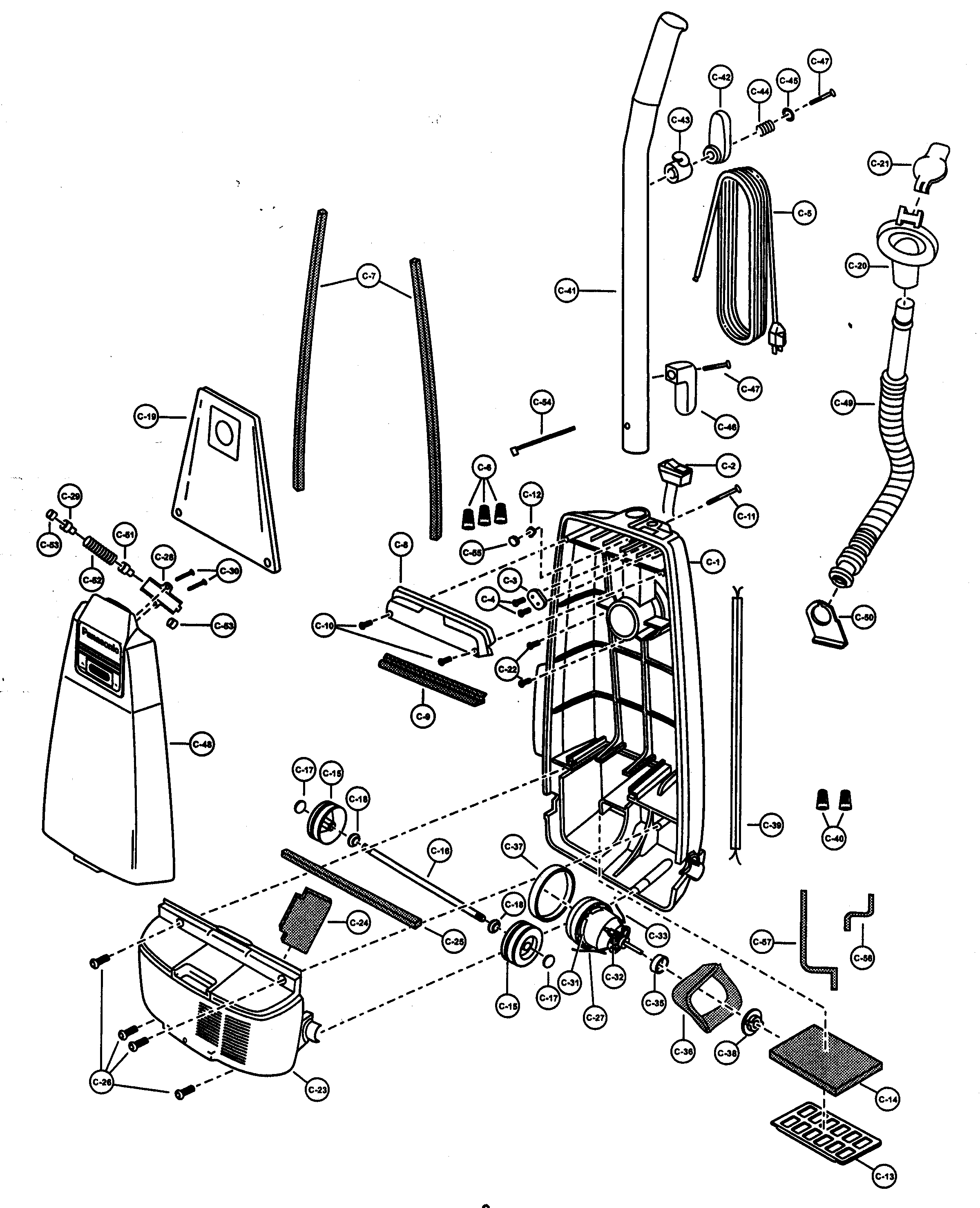
  • Click a diagram to see the parts shown on that diagram.
  • In the search box below, enter all or part of the part number or the part’s name.

Not all parts are shown on the diagrams—those parts are labeled NI, for “not illustrated”.

We encourage you to save the model to your profile, so it’s easy to access parts and manuals for your appliance whenever you log in.

For DIY troubleshooting advice and repair guides, visit our repair help section.

Showing 10 of 88 parts

Lower Plate#A-12

Nozzle housing Diagram

Lower plate

Part #AC27AADGZ00
In Stock
$38.89 | 
11% OFF 
Phone Price: $43.89
Guard#A-4

Nozzle housing Diagram

Guard

Part #AC10A2VZV07
In Stock
$25.99
Lamp#A-24

Nozzle housing Diagram

Lamp

Part #AC28GADFZ00
This item is not returnable
In Stock
$7.99
Packing#C-9

Body/motor housing/motor Diagram

Packing

Part #AC73KV0ZV06
In Stock
$26.49
Compartment#C-1

Body/motor housing/motor Diagram

Compartment

Part #AC40KARSZV07
In Stock
$55.49
Hook#C-42

Body/motor housing/motor Diagram

Hook

Part #AC53EV0ZV07
This item is not returnable
In Stock
$4.99
Filter#B-5

Agitator assy Diagram

Filter

Part #AC44KBVNZ000
In Stock
$8.49
Vacuum Twist-On Wire Connector

See All Related Diagrams

In Stock
$47.49
Lower Plate#A-11

Nozzle housing Diagram

Lower plate

Part #AC91AADGZ00
In Stock
$70.99
Shaft#A-3

Nozzle housing Diagram

Shaft

Part #AMC25S-V00
This item is not returnable
In Stock
$7.49

Symptoms common to all vacuum cleaners

Choose a symptom to see related vacuum cleaner repairs.

Main causes: damaged vacuum hose, clogged motor air filter, bad suction motor
Main causes: broken drive belt, damaged brush roll, tripped brush roll motor overload, bad brush roll motor, wiring failure
Main causes: lack of power, bad power cord, drive motor failure, wiring failure
Main causes: weak suction motor, vacuum bag is full, clog in suction air path, dirty exhaust filter, leaky vacuum hose

Articles and videos common to all vacuum cleaners

Use the advice and tips in these articles and videos to get the most out of your vacuum.

January 5, 2015

10 must-have tools for appliance repair

By Lyle Weischwill

Come see which tools made our top 10 must-haves for DIY appliance repair.

December 18, 2014

Deciding between a canister or upright vacuum

By Lyle Weischwill

Undecided about canister or upright? We compare them.

July 1, 2013

Vacuum common questions

By Lyle Weischwill

Find the answers to frequently asked questions about vacuum cleaners.