Sony
8mm Camcorder

Model #CCD-TR65 Official Sony 8mm camcorder

Here are the diagrams and repair parts for Sony CCD-TR65 8mm camcorder, as well as links to manuals and error code tables, if available.

There are a couple of ways to find the part or diagram you need:

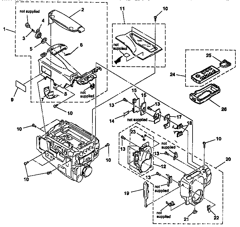
  • Click a diagram to see the parts shown on that diagram.
  • In the search box below, enter all or part of the part number or the part’s name.

Not all parts are shown on the diagrams—those parts are labeled NI, for “not illustrated”.

We encourage you to save the model to your profile, so it’s easy to access parts and manuals for your appliance whenever you log in.

For DIY troubleshooting advice and repair guides, visit our repair help section.

Owner’s manual

Showing 10 of 95 parts

Holder#9

Cabinet Diagram

Holder

Part #394771401

The manufacturer no longer makes this part, and there's no substitute part

Seal#48

Cabinet Diagram

Seal

Part #395358501

The manufacturer no longer makes this part, and there's no substitute part

Guide#53

Cabinet Diagram

Guide

Part #394771101

The manufacturer no longer makes this part, and there's no substitute part

Urethane#6

Camcorder Diagram

Urethane

Part #395364601

The manufacturer no longer makes this part, and there's no substitute part

Reforcement#33

Cabinet Diagram

Reforcement

Part #374717801

The manufacturer no longer makes this part, and there's no substitute part

Cushion#7

Camcorder Diagram

Cushion

Part #395364501

The manufacturer no longer makes this part, and there's no substitute part

Knob#39

Cabinet Diagram

Knob

Part #394898901

The manufacturer no longer makes this part, and there's no substitute part

Sheet#38

Cabinet Diagram

Sheet

Part #394900801

The manufacturer no longer makes this part, and there's no substitute part

Holder#11

Cabinet Diagram

Holder

Part #394288801

The manufacturer no longer makes this part, and there's no substitute part

PCB Assembly#20

Cabinet Diagram

Pcb assembly

Part #A7071832A

The manufacturer no longer makes this part, and there's no substitute part