Kenmore
Canister Vacuum

Model #11621514011 Official Kenmore vacuum

Here are the diagrams and repair parts for Kenmore 11621514011 vacuum, as well as links to manuals and error code tables, if available.

There are a couple of ways to find the part or diagram you need:

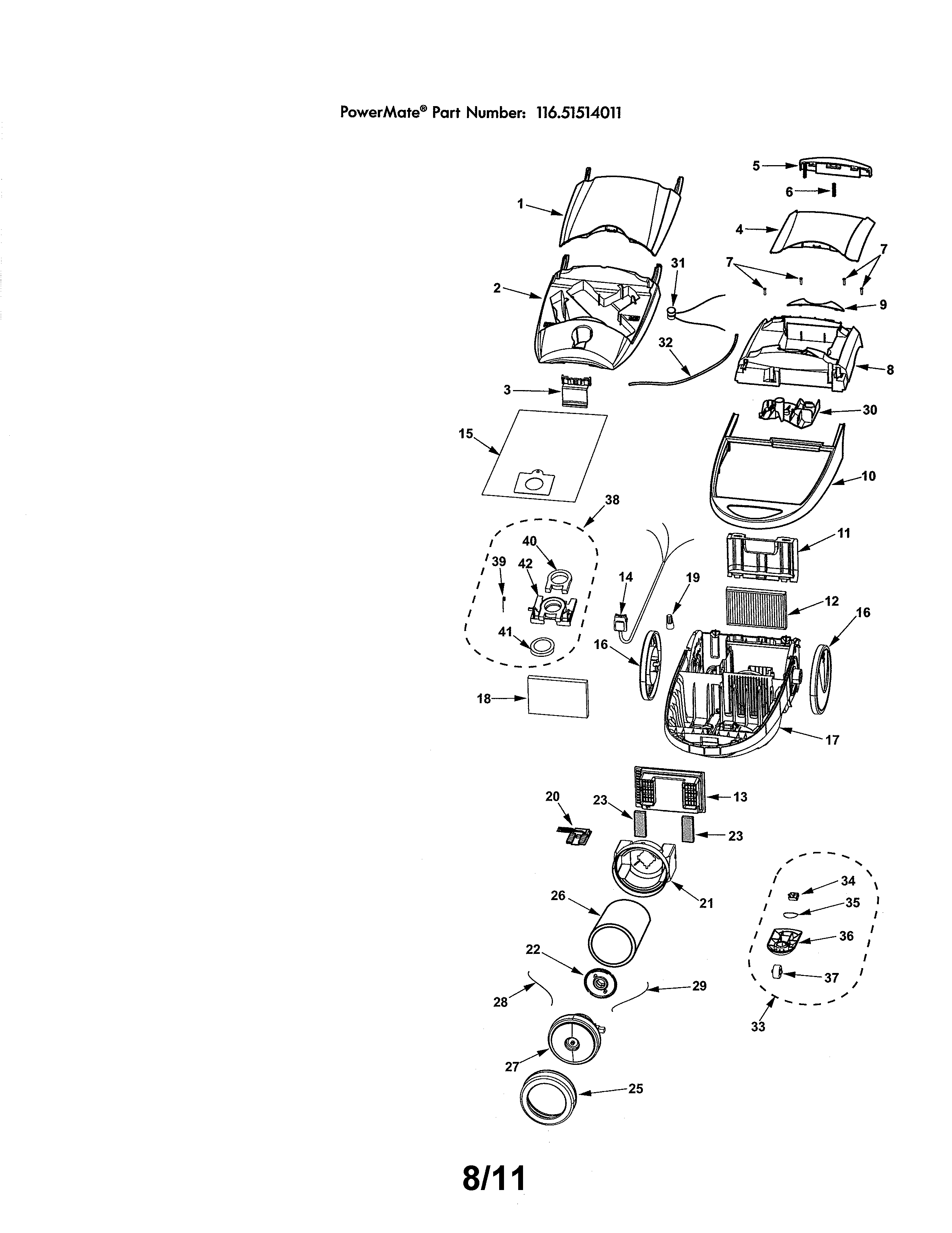
  • Click a diagram to see the parts shown on that diagram.
  • In the search box below, enter all or part of the part number or the part’s name.

Not all parts are shown on the diagrams—those parts are labeled NI, for “not illustrated”.

We encourage you to save the model to your profile, so it’s easy to access parts and manuals for your appliance whenever you log in.

For DIY troubleshooting advice and repair guides, visit our repair help section.

Owner’s manual

Showing 10 of 83 parts

Vacuum Exhaust Filter#12

Canister Diagram

Vacuum exhaust filter

Part #KC38KCEN1000

The manufacturer no longer makes this part, and there's no substitute part

Vacuum Motor Safety Filter#18

Canister Diagram

Vacuum motor safety filter

Part #8175084
Replaced by #8175084
?
Manufacturer substitution
This part replaces 8175084. Substitute parts can look different from the original.
BEST SELLER

Get free shipping with Automatic Reorder

Back Order
$26.51 | 
16% OFF 
Phone Price: $31.51
Vacuum Hose Swivel#19

Hose Diagram

Vacuum hose swivel

Part #KC92PBZTZV06
Replaced by #KC92PBZTZV06
?
Manufacturer substitution
This part replaces KC92PBZTZV06. Substitute parts can look different from the original.
BEST SELLER
Back Order
$26.79 | 
16% OFF 
Phone Price: $31.79
Vacuum Floor Brush#1

Attachments Diagram

Vacuum beater bar

Part #KC83QDKMZV06
Replaced by #KC83QDKMZV06
?
Manufacturer substitution
This part replaces KC83QDKMZV06. Substitute parts can look different from the original.
BEST SELLER
Back Order
$25.45 | 
16% OFF 
Phone Price: $30.45
Vacuum Crevice Tool#2

Attachments Diagram

Vacuum crevice tool

Part #KC60RDKNZV06
Replaced by #KC60RDKNZV06
?
Manufacturer substitution
This part replaces KC60RDKNZV06. Substitute parts can look different from the original.
BEST SELLER
In Stock
$18.34 | 
10% OFF 
Phone Price: $20.34
Vacuum PowerMate Jr.#9

Attachments Diagram

Vacuum powermate jr.

Part #KC85PDKMZV0X
Replaced by #KC85PDKMZV0X
?
Manufacturer substitution
This part replaces KC85PDKMZV0X. Substitute parts can look different from the original.
BEST SELLER
Back Order
$86.11 | 
5% OFF 
Phone Price: $91.11
Vacuum Wand, Upper#11

Attachments Diagram

Vacuum upper wand

Part #KC13PDKMZV0X
Replaced by #KC13PDKMZV0X
?
Manufacturer substitution
This part replaces KC13PDKMZV0X. Substitute parts can look different from the original.
BEST SELLER
Back Order
$35.96 | 
12% OFF 
Phone Price: $40.96
Vacuum Cord Reel Contact Disk and Power Cord#6

Cord reel Diagram

Vacuum cord reel contact disc and power cord

Part #4370695
Replaced by #4370695
?
Manufacturer substitution
This part replaces 4370695. Substitute parts can look different from the original.
BEST SELLER
Back Order
$42.09 | 
11% OFF 
Phone Price: $47.09
Vacuum Hose Adapter Seal#11

Hose Diagram

Vacuum hose adapter seal

Part #KC04RATMZ000
Replaced by #KC04RATMZ000
?
Manufacturer substitution
This part replaces KC04RATMZ000. Substitute parts can look different from the original.
BEST SELLER
This item is not returnable
In Stock
$3.59 | 
22% OFF 
Phone Price: $4.59
Vacuum Bag Mount Inlet Packing#41

Canister Diagram

Packing (black)

Part #4370688
Replaced by #4370688
?
Manufacturer substitution
This part replaces 4370688. Substitute parts can look different from the original.
BEST SELLER
This item is not returnable
In Stock
$4.49 | 
18% OFF 
Phone Price: $5.49

Symptoms common to all vacuum cleaners

Choose a symptom to see related vacuum cleaner repairs.

Main causes: damaged vacuum hose, clogged motor air filter, bad suction motor
Main causes: broken drive belt, damaged brush roll, tripped brush roll motor overload, bad brush roll motor, wiring failure
Main causes: lack of power, bad power cord, drive motor failure, wiring failure
Main causes: weak suction motor, vacuum bag is full, clog in suction air path, dirty exhaust filter, leaky vacuum hose

Repair guides for canister vacuums

How to replace a vacuum power head ribbed drive belt

Some canister vacuums have a ribbed drive belt that spins the brush roll on a power brush attachment. If the brush roll slips, you can replace it using these instructions.

Repair difficulty
Time required
 30 minutes or less
July 1, 2013
By Lyle Weischwill
How to replace a vacuum suction motor

The suction motor on a vacuum creates the draw of air at the cleaning head that picks up dirt. If the vacuum won't run, give it a new life by replacing the suction motor. These steps explain how.

Repair difficulty
Time required
 15 minutes or less
July 1, 2013
By Lyle Weischwill
How to replace a vacuum beater bar

Replace the brush roll if the bristles ares worn or the cylinder is damaged.

Repair difficulty
Time required
 30 minutes or less

Articles and videos common to all vacuum cleaners

Use the advice and tips in these articles and videos to get the most out of your vacuum.

January 5, 2015

10 must-have tools for appliance repair

By Lyle Weischwill

Come see which tools made our top 10 must-haves for DIY appliance repair.

December 18, 2014

Deciding between a canister or upright vacuum

By Lyle Weischwill

Undecided about canister or upright? We compare them.

July 1, 2013

Vacuum common questions

By Lyle Weischwill

Find the answers to frequently asked questions about vacuum cleaners.