Craftsman
Water Pump

Model #390252155 Official Craftsman pump

Here are the diagrams and repair parts for Craftsman 390252155 pump, as well as links to manuals and error code tables, if available.

There are a couple of ways to find the part or diagram you need:

  • Click a diagram to see the parts shown on that diagram.
  • In the search box below, enter all or part of the part number or the part’s name.

Not all parts are shown on the diagrams—those parts are labeled NI, for “not illustrated”.

We encourage you to save the model to your profile, so it’s easy to access parts and manuals for your appliance whenever you log in.

For DIY troubleshooting advice and repair guides, visit our repair help section.

Owner’s manual

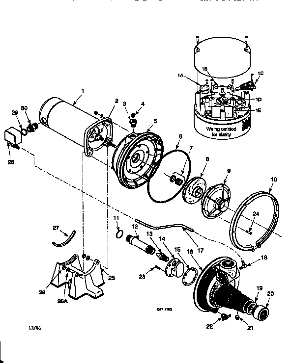
    Showing 10 of 45 parts

    Pump Housing O-Ring#6

    Pump only Diagram

    Pump housing o-ring

    Part #U9-399
    BEST SELLER
    This item is not returnable
    Back Order
    $23.49 | 
    18% OFF 
    Phone Price: $28.49
    Pump Body Gasket#15

    Pump only Diagram

    Pump body gasket

    Part #J20-18
    Replaced by #J20-18C
    ?
    Manufacturer substitution
    This part replaces J20-18. Substitute parts can look different from the original.
    This item is not returnable
    Back Order
    $9.99 | 
    9% OFF 
    Phone Price: $10.99
    Pump Impeller Housing Clamp#10

    Pump only Diagram

    In Stock
    $231.69 | 
    $10.00 OFF 
    Phone Price: $241.69
    Pump Motor Base#25

    Pump only Diagram

    Pump motor base

    Part #C4-42P
    In Stock
    $114.46
    Pump Diffuser#9

    Pump only Diagram

    Pump diffuser

    Part #J1-39P
    In Stock
    $151.89 | 
    6% OFF 
    Phone Price: $161.89
    Pump Impeller#8

    Pump only Diagram

    Pump impeller

    Part #J105-40PE
    In Stock
    $139.59 | 
    7% OFF 
    Phone Price: $149.59
    O-Ring#11

    Pump only Diagram

    O-ring

    Part #U9-201

    The manufacturer no longer makes this part, and there's no substitute part

    Capacitor#1E

    Pump only Diagram

    Capacitor

    Part #U18-526

    The manufacturer no longer makes this part, and there's no substitute part

    Centrifugal Pump Motor#1

    Pump only Diagram

    Motor

    Part #J218-953C
    Replaced by #J218-582APKG
    ?
    Manufacturer substitution
    This part replaces J218-953C. Substitute parts can look different from the original.
    In Stock
    $571.15
    Pump Nozzle#13

    Pump only Diagram

    Pump nozzle

    Part #N34P-19
    In Stock
    $22.73