Amana
Dryer

Model #LE2400/P7762202W Official Amana dryer

Here are the diagrams and repair parts for Amana LE2400-P7762202W dryer, as well as links to manuals and error code tables, if available.

There are a couple of ways to find the part or diagram you need:

  • Click a diagram to see the parts shown on that diagram.
  • In the search box below, enter all or part of the part number or the part’s name.

Not all parts are shown on the diagrams—those parts are labeled NI, for “not illustrated”.

We encourage you to save the model to your profile, so it’s easy to access parts and manuals for your appliance whenever you log in.

For DIY troubleshooting advice and repair guides, visit our repair help section.

Showing 10 of 191 parts

Dryer Valve Coil Kit (replaces 12001349, 279834BULK, 306106, 694539, 694540)#3

Gas burner conversion kits (lg1101/p7762204w) (lg2401/p7762205w) (lg2501/p7762206w) Diagram

Coil

Part #R0610050
Replaced by #279834
?
Manufacturer substitution
This part replaces R0610050. Substitute parts can look different from the original.
BEST SELLER
In Stock
$28.91 | 
15% OFF 
Phone Price: $33.91
Dryer Valve Coil Kit (replaces 12001349, 279834BULK, 306106, 694539, 694540)#2

Gas burner conversion kits (lg1101/p7762204w) (lg2401/p7762205w) (lg2501/p7762206w) Diagram

Coil

Part #R0610003
Replaced by #279834
?
Manufacturer substitution
This part replaces R0610003. Substitute parts can look different from the original.
BEST SELLER
In Stock
$28.91 | 
15% OFF 
Phone Price: $33.91
Dryer Drum Belt (replaces 661570)#6

Motor Diagram

Dryer drum b

Part #R0606549
Replaced by #661570V
?
Manufacturer substitution
This part replaces R0606549. Substitute parts can look different from the original.
BEST SELLER
In Stock
$29.92 | 
14% OFF 
Phone Price: $34.92
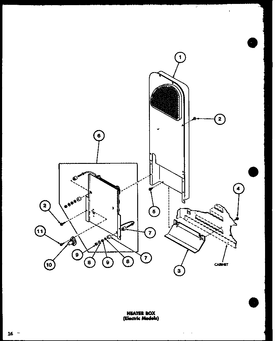
Dryer Heating Element (replaces 61195)#6C

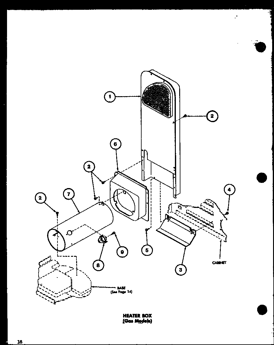
Heater box (electric models) (le1100/p7762201w) (le2400/p7762202w) (le2500/p7762203w) Diagram

Heater kit

Part #R0610022
Replaced by #61927
?
Manufacturer substitution
This part replaces R0610022. Substitute parts can look different from the original.
Back Order
$87.09 | 
5% OFF 
Phone Price: $92.09
Dryer Heating Element (replaces 61195)#6A

Heater box (electric models) (le1100/p7762201w) (le2400/p7762202w) (le2500/p7762203w) Diagram

Heater element

Part #R0610020
Replaced by #61927
?
Manufacturer substitution
This part replaces R0610020. Substitute parts can look different from the original.
Back Order
$87.09 | 
5% OFF 
Phone Price: $92.09
Laundry Appliance Retainer Ring

See All Related Diagrams

Retainer ring

Part #R0601527
Replaced by #WP23748
?
Manufacturer substitution
This part replaces R0601527. Substitute parts can look different from the original.
This item is not returnable
In Stock
$8.59 | 
10% OFF 
Phone Price: $9.59
Dryer Nut#19

Motor Diagram

Refrigerator lock nut

Part #R0601011
Replaced by #WPW10139757
?
Manufacturer substitution
This part replaces R0601011. Substitute parts can look different from the original.
This item is not returnable
In Stock
$4.33
Dryer Top Panel Clip#7

Loading door Diagram

Clip

Part #R0601520
Replaced by #WP22001650
?
Manufacturer substitution
This part replaces R0601520. Substitute parts can look different from the original.
This item is not returnable
In Stock
$6.49 | 
13% OFF 
Phone Price: $7.49
Dryer Door Catch#11

Loading door Diagram

Strike

Part #R0601524
Replaced by #LA-1003
?
Manufacturer substitution
This part replaces R0601524. Substitute parts can look different from the original.
This item is not returnable
In Stock
$20.69 | 
19% OFF 
Phone Price: $25.69
Laundry Appliance Screw, #12-14 x 1/2-in

See All Related Diagrams

Refrigerator screw

Part #R0600028
Replaced by #WP27001200
?
Manufacturer substitution
This part replaces R0600028. Substitute parts can look different from the original.
This item is not returnable
In Stock
$4.39 | 
19% OFF 
Phone Price: $5.39

Symptoms common to all dryers

Choose a symptom to see related dryer repairs.

Main causes: bad drum support roller, damaged idler pulley, broken blower fan blade, worn drum glide bearing, bad drive motor
Main causes: bad gas valve coils, broken heating element, tripped safety thermostat or fuse, bad operating thermostat, control failure
Main causes: bad timer or electronic control board, door switch failure
Main causes: lack of electrical power, bad power cord, wiring failure, bad control board, blown thermal fuse, bad door switch
Main causes: clogged exhaust vent, bad motor relay, loose dryer door catch, bad door switch, control system failure, faulty drive motor
Main causes: damaged door strike, worn door catch
Main causes: door switch failure, lack of power, broken belt, blown thermal fuse, bad drive motor, control system failure
Main causes: clogged exhaust system, heating system failure, deposits on moisture sensor, control system failure

Repair guides common to all dryers

These step-by-step repair guides will help you safely fix what’s broken on your dryer.

August 1, 2014
Lyle Weischwill
How to replace a dryer drum support roller

If your dryer thumps or squeals, replace the drum support roller to restore quiet to your home.

Repair difficulty
Time required
 90 minutes or less
August 1, 2014
Lyle Weischwill
How to replace a dryer thermistor

The thermistor senses the air temperature in the dryer. If your dryer overheats or doesn't heat at all, the thermistor could be the problem.

Repair difficulty
Time required
 30 minutes or less
August 1, 2014
Lyle Weischwill
How to replace a dryer idler pulley

The idler pulley exerts pressure keeps the drive belt tight so it can rotate the drum. A worn idler pulley squeals or squeaks when the dryer is running. Follow these instructions to replace it.

Repair difficulty
Time required
 90 minutes or less

Articles and videos common to all dryers

Use the advice and tips in these articles and videos to get the most out of your dryer.

October 24, 2022

Easy DIY appliance repairs that anyone can do

Lyle Weischwill

Get advice on simple DIY fixes for appliances that you can safely do on your own.

January 4, 2022

How to replace a Maytag dryer heating element

Lyle Weischwill

Learn how to replace a Maytag dryer heating element

August 17, 2021

How to read a wiring schematic video

Lyle Weischwill

Learn how to decipher symbols so you can buy the right part for your problem.