Okuma
Generator

Model #56550 Official Okuma 13-hp generator

Here are the diagrams and repair parts for Okuma 56550 13-hp generator, as well as links to manuals and error code tables, if available.

There are a couple of ways to find the part or diagram you need:

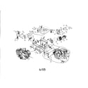
  • Click a diagram to see the parts shown on that diagram.
  • In the search box below, enter all or part of the part number or the part’s name.

Not all parts are shown on the diagrams—those parts are labeled NI, for “not illustrated”.

We encourage you to save the model to your profile, so it’s easy to access parts and manuals for your appliance whenever you log in.

For DIY troubleshooting advice and repair guides, visit our repair help section.

Owner’s manual

    Showing 10 of 64 parts

    Generator Screw#52

    Generator assembly Diagram

    Generator screw

    Part #P54530

    The manufacturer no longer makes this part, and there's no substitute part

    Generator Fuel Line#59

    Generator assembly Diagram

    Generator fuel line

    Part #P54544

    The manufacturer no longer makes this part, and there's no substitute part

    Lawn & Garden Equipment Bolt#54

    Generator assembly Diagram

    Lawn & garden equipment bolt

    Part #P54534

    The manufacturer no longer makes this part, and there's no substitute part

    Tapping Screw#35

    Generator assembly Diagram

    Tapping screw

    Part #P54496

    The manufacturer no longer makes this part, and there's no substitute part

    Fuel Filter#49

    Generator assembly Diagram

    Fuel filter

    Part #P54524

    The manufacturer no longer makes this part, and there's no substitute part

    Generator Fuel Gauge Assembly#51

    Generator assembly Diagram

    Generator fuel gauge assembly

    Part #P54528

    The manufacturer no longer makes this part, and there's no substitute part

    Complete Cock#60

    Generator assembly Diagram

    Complete cock

    Part #P54546

    The manufacturer no longer makes this part, and there's no substitute part

    Hex Nut#62

    Generator assembly Diagram

    Hex nut

    Part #P54550

    The manufacturer no longer makes this part, and there's no substitute part

    Generator En#36

    Generator assembly Diagram

    Generator en

    Part #P54498

    The manufacturer no longer makes this part, and there's no substitute part

    Tube Clip#58

    Generator assembly Diagram

    Tube clip

    Part #P54542

    The manufacturer no longer makes this part, and there's no substitute part