Proform
Treadmill

Model #QVTL37550 Official Proform 375se

Here are the diagrams and repair parts for Proform QVTL37550 375se, as well as links to manuals and error code tables, if available.

There are a couple of ways to find the part or diagram you need:

  • Click a diagram to see the parts shown on that diagram.
  • In the search box below, enter all or part of the part number or the part’s name.

Not all parts are shown on the diagrams—those parts are labeled NI, for “not illustrated”.

We encourage you to save the model to your profile, so it’s easy to access parts and manuals for your appliance whenever you log in.

For DIY troubleshooting advice and repair guides, visit our repair help section.

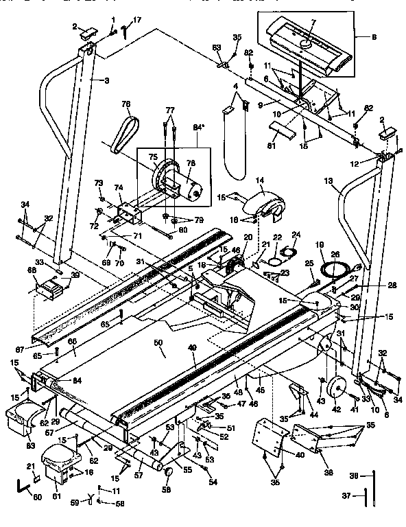
Showing 10 of 92 parts

Treadmill Circuit Breaker, 15-amp#25

Unit parts Diagram

Circuit breaker

Part #127202
Replaced by #109382
?
Manufacturer substitution
This part replaces 127202. Substitute parts can look different from the original.
BEST SELLER
This item is not returnable
In Stock
$9.39 | 
10% OFF 
Phone Price: $10.39
Exercise Equipment Screw#62

Unit parts Diagram

Exercise equipment screw

Part #105444
This item is not returnable
In Stock
$2.16
Elliptical Washer

See All Related Diagrams

Elliptical washer

Part #014132
This item is not returnable
In Stock
$2.16
Exercise Equipment Screw#46

Unit parts Diagram

Exercise equipment screw

Part #013162
This item is not returnable
In Stock
$2.16
Exercise Equipment Flat Washer#29

Unit parts Diagram

Exercise equipment flat washer

Part #014127
This item is not returnable
In Stock
$2.16
Treadmill Walking Belt Alignment Tool Holder

See All Related Diagrams

Treadmill walking belt alignment tool holder

Part #016028
This item is not returnable
In Stock
$2.16
Exercise Equipment Handle End Cap, 1.5-in#56

Unit parts Diagram

Exercise equipment handle end cap, 1.5-in

Part #116980
This item is not returnable
In Stock
$2.16
Treadmill Incline Wheel Bolt#41

Unit parts Diagram

Treadmill incline wheel bolt

Part #117806
This item is not returnable
In Stock
$2.16
Exercise Equipment Pulley Washer#53

Unit parts Diagram

Exercise equipment pulley washer

Part #014105
This item is not returnable
In Stock
$2.16
Treadmill Nut#16

Unit parts Diagram

Nut,tinnerma

Part #124380
Replaced by #133333
?
Manufacturer substitution
This part replaces 124380. Substitute parts can look different from the original.
This item is not returnable
In Stock
$2.16

Symptoms for treadmills

Choose a symptom to see related treadmill repairs.

Main causes: faulty sensors, wiring failure, bad control console
Main causes: no power, bad power cord, tripped or faulty overload switch, bad power switch, wiring failure, bad motor control board
Main causes: missing safety key, bad control console, wiring failure, faulty motor control board, bad drive motor
Main causes: bad control console, wiring failure, bad motor control board
Main causes: damaged walking belt, improper belt tension, lack of belt lubricant, bad drive motor
Main causes: damaged walking belt, improper belt tension, bad roller bearing
Main causes: rear roller out of alignment, damaged walking belt, bad roller

Repair guides for treadmills

These step-by-step repair guides will help you safely fix what’s broken on your treadmill.

June 1, 2015
By Lyle Weischwill
How to replace a treadmill motor controller

Your treadmill motor won't run with a defective motor controller. Replace the motor controller if it doesn't operate the motor correctly.

Repair difficulty
Time required
 15 minutes or less
How to replace a treadmill walking belt

A worn walking belt will begin to slow down during use. If your treadmill walking belt is worn out, replace it using these steps.

Repair difficulty
Time required
 45 minutes or less
June 1, 2015
By Lyle Weischwill
How to replace a treadmill drive motor

A defective drive motor won't run when activated by the motor controller. Replace the treadmill drive motor if it doesn't run.

Repair difficulty
Time required
 15 minutes or less

Articles and videos common to all fitness & exercise

Use the advice and tips in these articles and videos to get the most out of your treadmill.

June 29, 2022

Top questions about Sears and Sears PartsDirect

By Lyle Weischwill

Get answers to frequently asked questions about Sears and Sears PartsDirect.