Simer
Water Pump

Model #2205C Official Simer shallow well pump

Here are the diagrams and repair parts for Simer 2205C shallow well pump, as well as links to manuals and error code tables, if available.

There are a couple of ways to find the part or diagram you need:

  • Click a diagram to see the parts shown on that diagram.
  • In the search box below, enter all or part of the part number or the part’s name.

Not all parts are shown on the diagrams—those parts are labeled NI, for “not illustrated”.

We encourage you to save the model to your profile, so it’s easy to access parts and manuals for your appliance whenever you log in.

For DIY troubleshooting advice and repair guides, visit our repair help section.

Owner’s manual

Showing 6 of 6 parts

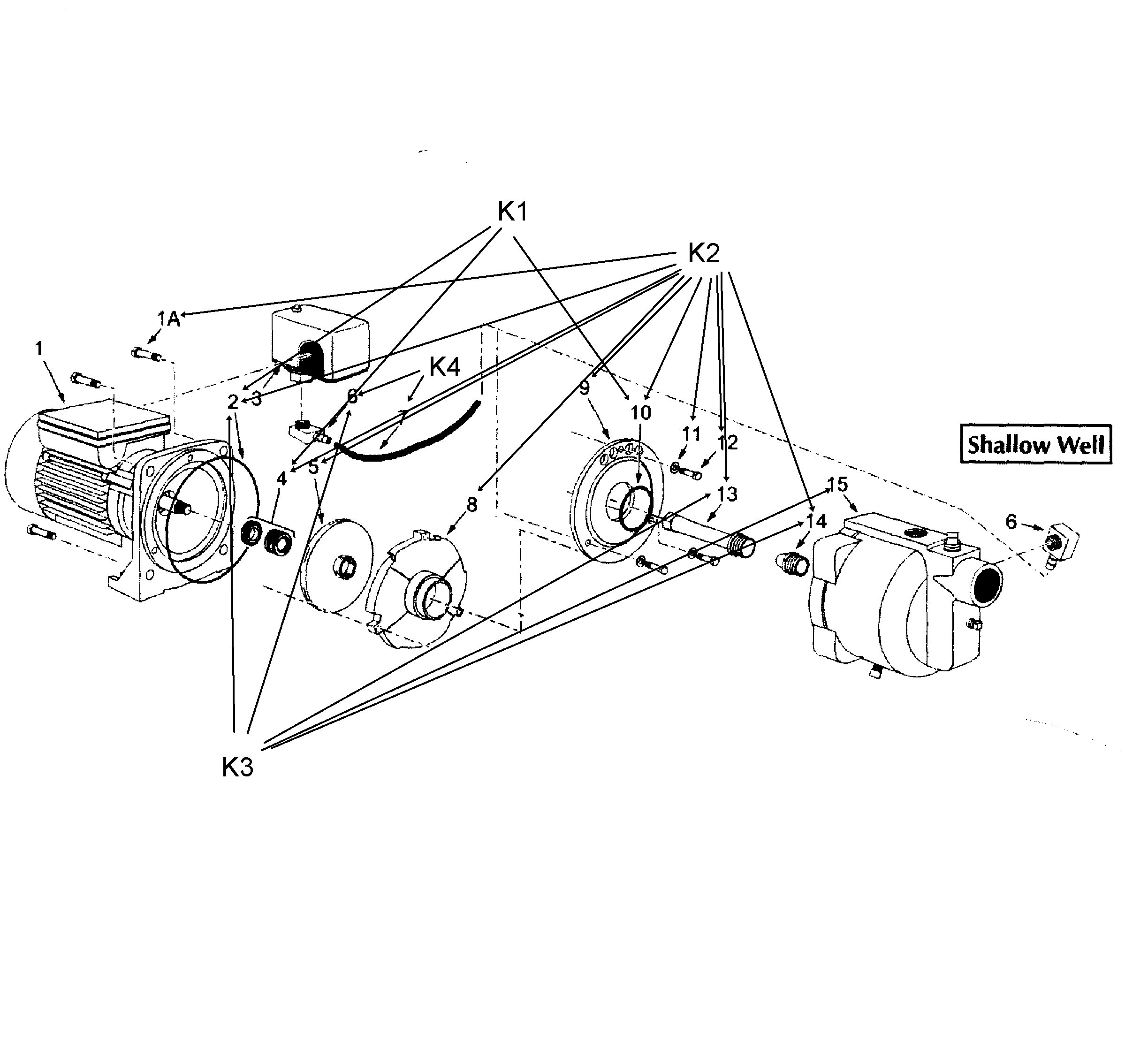
Pump Seal and O-Ring Kit#K1

Water pump Diagram

Pump seal and o-ring kit

Part #RPK-35

The manufacturer no longer makes this part, and there's no substitute part

Pump Pressure Switch#3

Water pump Diagram

Pump pressure switch

Part #TC2151

The manufacturer no longer makes this part, and there's no substitute part

Pump Body#K3

Water pump Diagram

Pump body

Part #R176-73

The manufacturer no longer makes this part, and there's no substitute part

Pump Overhaul Kit#K2

Water pump Diagram

Pump overhaul kit

Part #RPK-205SW

The manufacturer no longer makes this part, and there's no substitute part

Owner's Manual#NI

Water pump Diagram

Owner's manual

Part #754408

The manufacturer no longer makes this part, and there's no substitute part

Tub Kit#K4

Water pump Diagram

Tub kit

Part #FPASFK

The manufacturer no longer makes this part, and there's no substitute part