Proform
Treadmill

Model #831246451 Official Proform xp 580 crosstrainer treadmill

Here are the diagrams and repair parts for Proform 831246451 xp 580 crosstrainer treadmill, as well as links to manuals and error code tables, if available.

There are a couple of ways to find the part or diagram you need:

  • Click a diagram to see the parts shown on that diagram.
  • In the search box below, enter all or part of the part number or the part’s name.

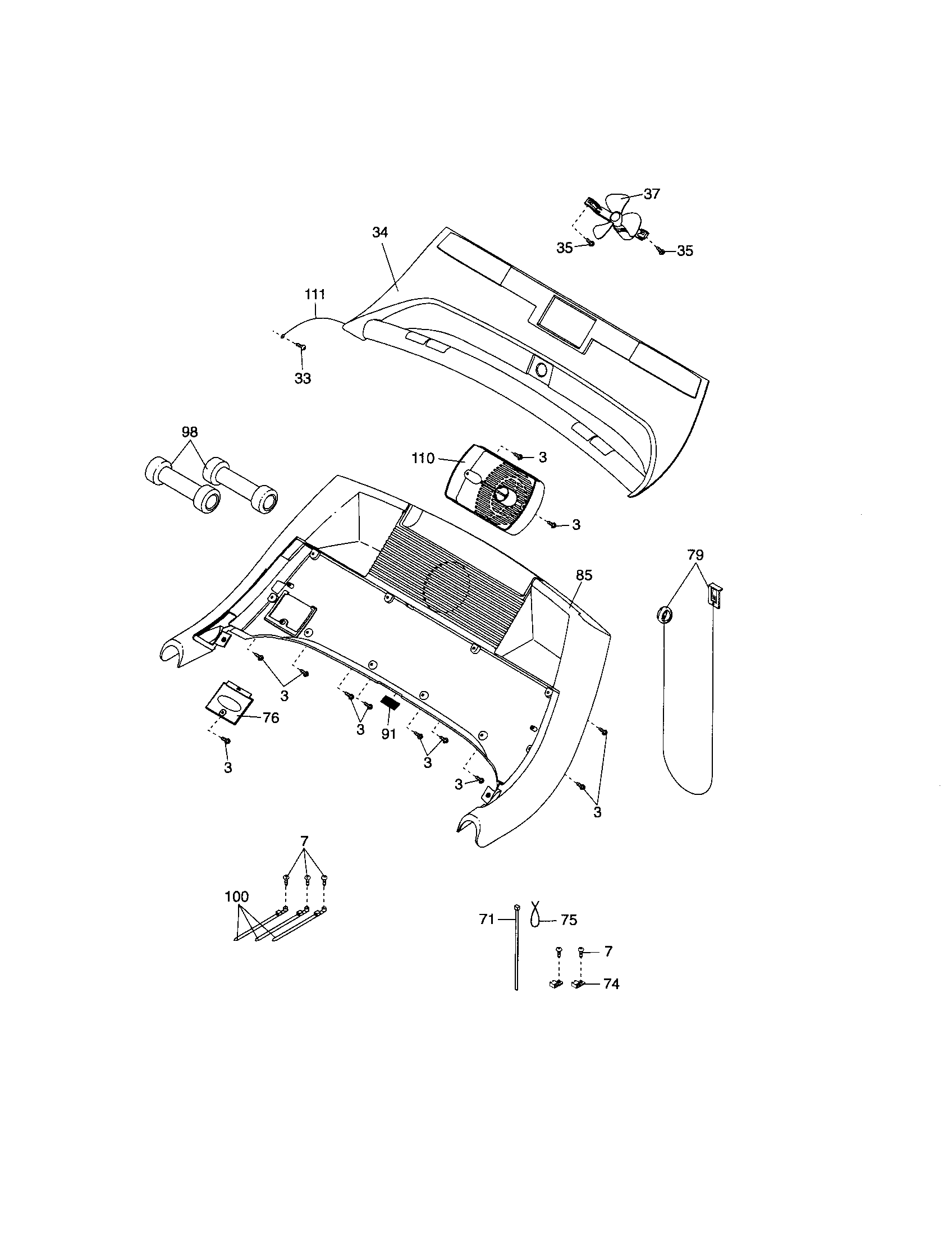
Not all parts are shown on the diagrams—those parts are labeled NI, for “not illustrated”.

We encourage you to save the model to your profile, so it’s easy to access parts and manuals for your appliance whenever you log in.

For DIY troubleshooting advice and repair guides, visit our repair help section.

Owner’s manual

Showing 10 of 131 parts

Treadmill Walking Belt Lubricant

#NI30

All parts Diagram

Treadmill walking belt lubricant

Part #219168
BEST SELLER
This item is not returnable
In Stock
$3.99
Treadmill Safety Key Assembly

See All Related Diagrams

Treadmill safety key assembly

Part #208603
BEST SELLER
This item is not returnable
In Stock
$4.69 | 
18% OFF 
Phone Price: $5.69
Treadmill Drive Motor

#27

All parts Diagram

Mtr,2.80hp,a

Part #248147
Replaced by #286075
?
Manufacturer substitution
This part replaces 248147. Substitute parts can look different from the original.
BEST SELLER
In Stock
$291.49
Treadmill Walking Belt Alignment Tool

See All Related Diagrams

Treadmill walking belt alignment tool

Part #128457
This item is not returnable
In Stock
$2.49 | 
29% OFF 
Phone Price: $3.49
Treadmill Power Cord

#36

All parts Diagram

Wire,pwr cor

Part #247991
Replaced by #031229
?
Manufacturer substitution
This part replaces 247991. Substitute parts can look different from the original.
BEST SELLER
In Stock
$11.39 | 
15% OFF 
Phone Price: $13.39
Exercise Equipment Magnet

#46

All parts Diagram

Exercise equipment magnet

Part #113842
This item is not returnable
In Stock
$2.16
Treadmill Incline Motor

#88

All parts Diagram

In Stock
$91.39 | 
5% OFF 
Phone Price: $96.39
Treadmill Rear Roller

#51

All parts Diagram

Back Order
$60.69 | 
8% OFF 
Phone Price: $65.69
Treadmill Transport Wheel

#80

All parts Diagram

Treadmill transport wheel

Part #199545
This item is not returnable
In Stock
$2.99
Treadmill Frame Bushing

#42

All parts Diagram

Treadmill frame bushing

Part #219550
This item is not returnable
In Stock
$2.16

Symptoms for treadmills

Choose a symptom to see related treadmill repairs.

Main causes: faulty sensors, wiring failure, bad control console
Main causes: no power, bad power cord, tripped or faulty overload switch, bad power switch, wiring failure, bad motor control board
Main causes: missing safety key, bad control console, wiring failure, faulty motor control board, bad drive motor
Main causes: bad control console, wiring failure, bad motor control board
Main causes: damaged walking belt, improper belt tension, lack of belt lubricant, bad drive motor
Main causes: damaged walking belt, improper belt tension, bad roller bearing
Main causes: rear roller out of alignment, damaged walking belt, bad roller

Repair guides for treadmills

These step-by-step repair guides will help you safely fix what’s broken on your treadmill.

June 1, 2015
By Lyle Weischwill
How to replace a treadmill motor controller

Your treadmill motor won't run with a defective motor controller. Replace the motor controller if it doesn't operate the motor correctly.

Repair difficulty
Time required
 15 minutes or less
How to replace a treadmill walking belt

A worn walking belt will begin to slow down during use. If your treadmill walking belt is worn out, replace it using these steps.

Repair difficulty
Time required
 45 minutes or less
June 1, 2015
By Lyle Weischwill
How to replace a treadmill drive motor

A defective drive motor won't run when activated by the motor controller. Replace the treadmill drive motor if it doesn't run.

Repair difficulty
Time required
 15 minutes or less

Articles and videos common to all fitness & exercise

Use the advice and tips in these articles and videos to get the most out of your treadmill.

June 29, 2022

Top questions about Sears and Sears PartsDirect

By Lyle Weischwill

Get answers to frequently asked questions about Sears and Sears PartsDirect.