Crosley
Dishwasher

Model #CDB600KS0 Official Crosley dishwasher

Here are the diagrams and repair parts for Crosley CDB600KS0 dishwasher, as well as links to manuals and error code tables, if available.

There are a couple of ways to find the part or diagram you need:

  • Click a diagram to see the parts shown on that diagram.
  • In the search box below, enter all or part of the part number or the part’s name.

Not all parts are shown on the diagrams—those parts are labeled NI, for “not illustrated”.

We encourage you to save the model to your profile, so it’s easy to access parts and manuals for your appliance whenever you log in.

For DIY troubleshooting advice and repair guides, visit our repair help section.

Showing 10 of 107 parts

Dishwasher Spray Arm, Lower (replaces 154568001, 154568002, 5304506526)#24

Motor & pump Diagram

Dishwasher spray arm

Part #154568001
Replaced by #5304517203
?
Manufacturer substitution
This part replaces 154568001. Substitute parts can look different from the original.
BEST SELLER
In Stock
$31.90 | 
14% OFF 
Phone Price: $36.90
Dishwasher Door Seal (replaces 154845301)#3

Tub Diagram

Gasket

Part #154561001
Replaced by #154827601
?
Manufacturer substitution
This part replaces 154561001. Substitute parts can look different from the original.
BEST SELLER
In Stock
$21.98 | 
29% OFF 
MSRP: $31.00
Dishwasher Door Seal, Lower (replaces 154576501, 154759101)#49

Door Diagram

Dishwasher door seal

Part #154576501
Replaced by #809006501
?
Manufacturer substitution
This part replaces 154576501. Substitute parts can look different from the original.
BEST SELLER
In Stock
$21.78 | 
19% OFF 
Phone Price: $26.78
Dishwasher Silverware Basket (replaces 5304506523, 5304507404)#2

Racks Diagram

Dishwasher silverware basket

Part #154556101
Replaced by #5304521739
?
Manufacturer substitution
This part replaces 154556101. Substitute parts can look different from the original.
BEST SELLER
In Stock
$27.57 | 
15% OFF 
Phone Price: $32.57
Dishwasher Silverware Basket (replaces 5304506523, 5304507404)#15

Racks Diagram

Handle

Part #154254001
Replaced by #5304521739
?
Manufacturer substitution
This part replaces 154254001. Substitute parts can look different from the original.
BEST SELLER
In Stock
$27.57 | 
15% OFF 
Phone Price: $32.57
Dishwasher Lower Spray Arm Support (replaces 5304506515)#62

Motor & pump Diagram

Dishwasher lower spray arm support

Part #154294101
Replaced by #5304518968
?
Manufacturer substitution
This part replaces 154294101. Substitute parts can look different from the original.
BEST SELLER
In Stock
$9.42 | 
10% OFF 
Phone Price: $10.42
Dishwasher Drain Pump (replaces 154736201, 5304492415)#60

Motor & pump Diagram

Pump

Part #154736201
Replaced by #A00126401
?
Manufacturer substitution
This part replaces 154736201. Substitute parts can look different from the original.
BEST SELLER
In Stock
$63.51 | 
33% OFF 
MSRP: $95.00
Dishwasher Splash Shield Kit (replaces 154685101, 154685404)#NI

Tub Diagram

Gasket

Part #154685101
Replaced by #154701001
?
Manufacturer substitution
This part replaces 154685101. Substitute parts can look different from the original.
BEST SELLER
In Stock
$24.52 | 
17% OFF 
Phone Price: $29.52
Dishwasher Filter (replaces 154775401, 154775402)#63

Motor & pump Diagram

Base

Part #154776101
Replaced by #5304506533
?
Manufacturer substitution
This part replaces 154776101. Substitute parts can look different from the original.
BEST SELLER
This item is not returnable
In Stock
$23.09 | 
18% OFF 
Phone Price: $28.09
Dishwasher Filter (replaces 154775401, 154775402)#64

Motor & pump Diagram

Dishwasher filter

Part #154252301
Replaced by #5304506533
?
Manufacturer substitution
This part replaces 154252301. Substitute parts can look different from the original.
BEST SELLER
This item is not returnable
In Stock
$23.09 | 
18% OFF 
Phone Price: $28.09

Symptoms common to all dishwashers

Choose a symptom to see related dishwasher repairs.

Main causes: broken door latch, tripped circuit breaker, broken heating element, faulty vent fan, sensor failure, control system problem
Main cause: damaged rack height adjuster
Main causes: damaged or stuck spray arm, leaking door seal, damaged door hinge, leaky heating element water seal, cracked water supply line
Main causes: clogged kitchen sink drain, clogged drain hose, drain check valve damaged, drain pump failure, control system problem
Main causes: water supply problem, stuck overfill float, clogged water inlet valve screen, water inlet valve failure
Main causes: glass or popcorn kernel stuck in the chopper blade, drain line vibrating against the cabinet, debris in wash pump or drain pump
Main causes: broken door spring, damaged or broken door hinge
Main causes: not using rinse aid, rinse aid dispenser failure, broken heating element, malfunctioning vent, drying fan failure
Main causes: light switch beside the sink turned off, lack of power, bad dishwasher door switch, control system failure, wiring problem

Repair guides common to all dishwashers

These step-by-step repair guides will help you safely fix what’s broken on your dishwasher.

How to replace a dishwasher door latch assembly

If the dishwasher door doesn't click shut, a broken door latch is a likely cause. Follow these instructions to replace it yourself.

Repair difficulty
Time required
 30 minutes or less
How to replace a dishwasher user interface control

The user interface control houses the selection buttons and display. If it fails, you can't select the cycle and settings. Follow these instructions to replace it yourself.

Repair difficulty
Time required
 30 minutes or less
April 1, 2014
Lyle Weischwill
How to replace a dishwasher thermal fuse

A completely dead control panel often indicates that the thermal fuse on the electronic control board is blown; follow these steps to replace a blown thermal fuse in your dishwasher.

Repair difficulty
Time required
 15 minutes or less

Articles and videos common to all dishwashers

Use the advice and tips in these articles and videos to get the most out of your dishwasher.

November 13, 2022

7 Tips to Get Your Dishwasher Ready for the Holidays

Lyle Weischwill

Find professional tips that can help you get your dishwasher ready for the holidays.

December 23, 2021

How to reset a Whirlpool dishwasher

Lyle Weischwill

Learn how to reset a Whirlpool dishwasher when its control freezes up.

August 17, 2021

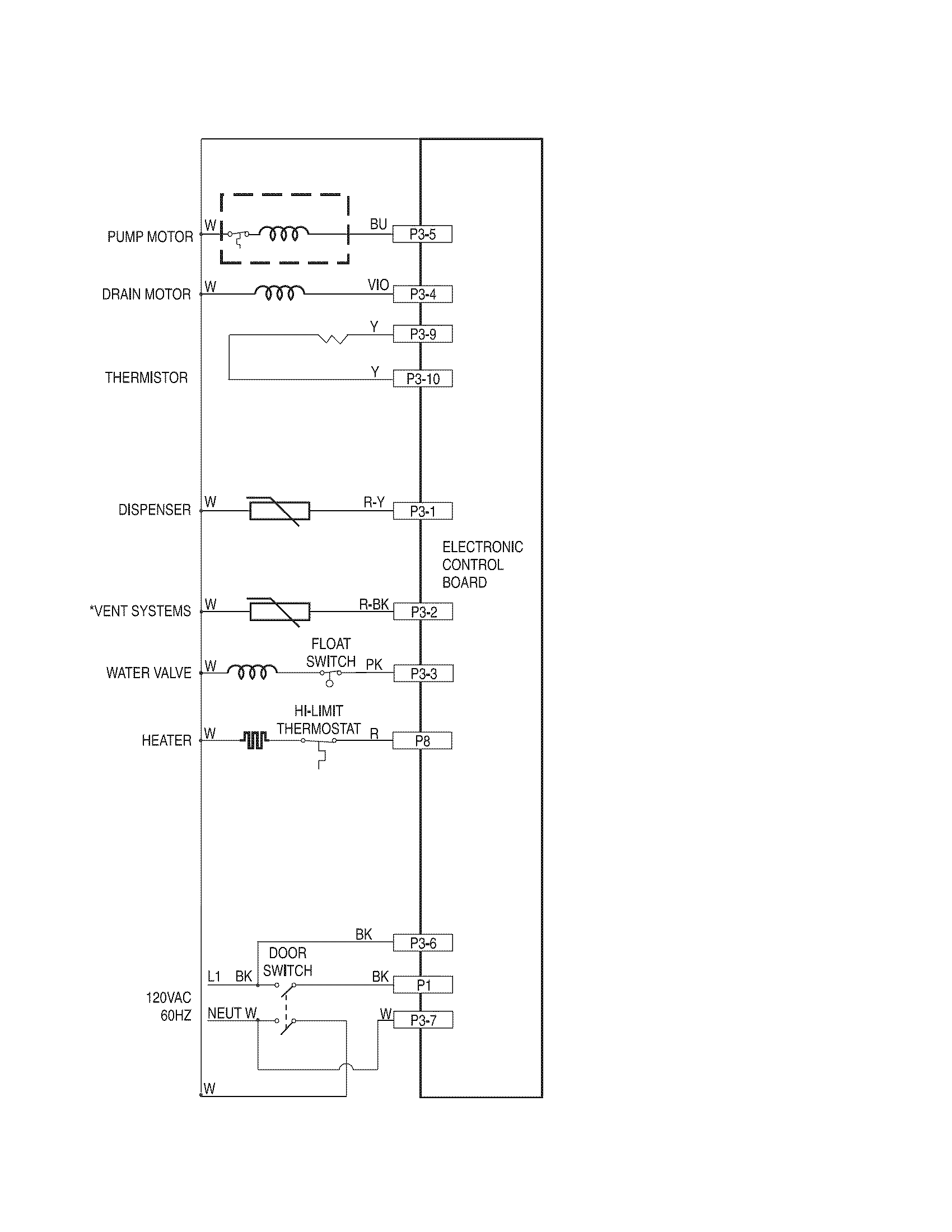
How to read a wiring schematic video

Lyle Weischwill

Learn how to decipher symbols so you can buy the right part for your problem.