JVC
Compact VHS-C Camcorder

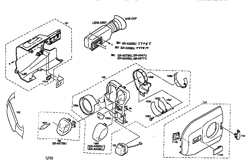
Model #GR-AX77U Official JVC camcorder

Here are the diagrams and repair parts for JVC GR-AX77U camcorder, as well as links to manuals and error code tables, if available.

There are a couple of ways to find the part or diagram you need:

  • Click a diagram to see the parts shown on that diagram.
  • In the search box below, enter all or part of the part number or the part’s name.

Not all parts are shown on the diagrams—those parts are labeled NI, for “not illustrated”.

We encourage you to save the model to your profile, so it’s easy to access parts and manuals for your appliance whenever you log in.

For DIY troubleshooting advice and repair guides, visit our repair help section.

Showing 10 of 26 parts

Case, Lower#1

Cabinet parts Diagram

Case, lower

Part #LY10044-001A

The manufacturer no longer makes this part, and there's no substitute part

Dc Cord Assembly

#NI

All parts Diagram

Dc cord assembly

Part #PEAC0449

The manufacturer no longer makes this part, and there's no substitute part

Motor

#NI

All parts Diagram

Motor

Part #PTY30526-002

The manufacturer no longer makes this part, and there's no substitute part

Button#6

Cabinet parts Diagram

Button

Part #LY40190-001A

The manufacturer no longer makes this part, and there's no substitute part

Hood

#NI

All parts Diagram

Hood

Part #LY30311-001A

The manufacturer no longer makes this part, and there's no substitute part

Zoom Motor

#NI

All parts Diagram

Zoom motor

Part #PTY30526-001

The manufacturer no longer makes this part, and there's no substitute part

Microphone#4

Cabinet parts Diagram

Microphone

Part #LY20082-001B

The manufacturer no longer makes this part, and there's no substitute part

Cover

See All Related Diagrams

Cover

Part #LY20090-042A

The manufacturer no longer makes this part, and there's no substitute part

Drum Assembly

#NI

All parts Diagram

Drum assembly

Part #YDV2083A

The manufacturer no longer makes this part, and there's no substitute part

Capstan Motor

#NI

All parts Diagram

Capstan motor

Part #YU42078-2

The manufacturer no longer makes this part, and there's no substitute part