Hoover
Upright Vacuum

Model #U5453-900 Official Hoover upright vacuum

Here are the diagrams and repair parts for Hoover U5453-900 upright vacuum, as well as links to manuals and error code tables, if available.

There are a couple of ways to find the part or diagram you need:

  • Click a diagram to see the parts shown on that diagram.
  • In the search box below, enter all or part of the part number or the part’s name.

Not all parts are shown on the diagrams—those parts are labeled NI, for “not illustrated”.

We encourage you to save the model to your profile, so it’s easy to access parts and manuals for your appliance whenever you log in.

For DIY troubleshooting advice and repair guides, visit our repair help section.

Owner’s manual

    Showing 10 of 80 parts

    Vacuum Handle Release Pedal#3

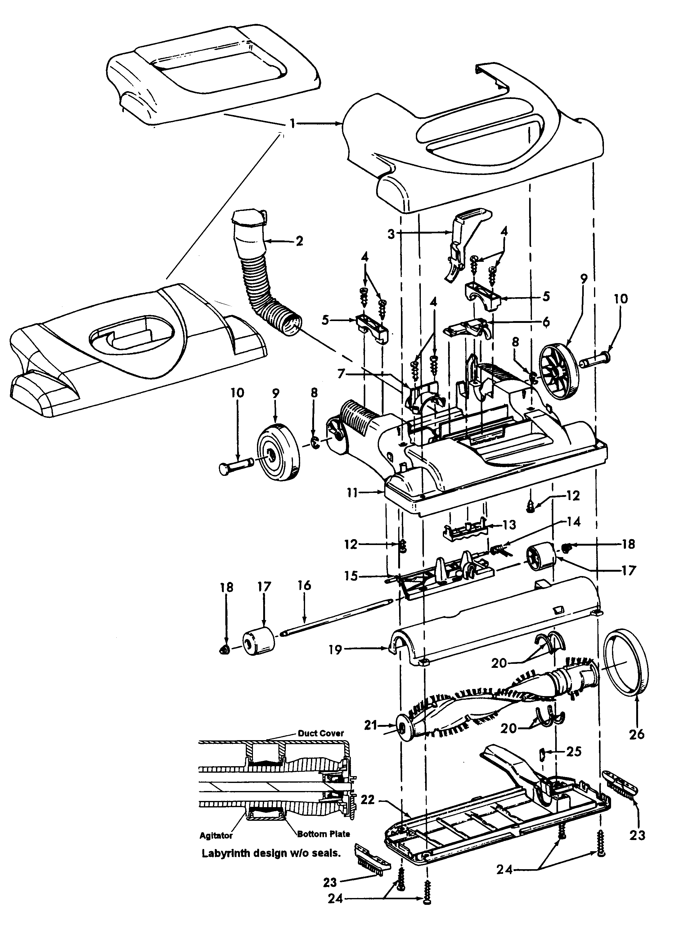
    Agitator, mainbody, hood Diagram

    Vacuum handle release pedal

    Part #38458043

    The manufacturer no longer makes this part, and there's no substitute part

    Vacuum Motor Mount#38

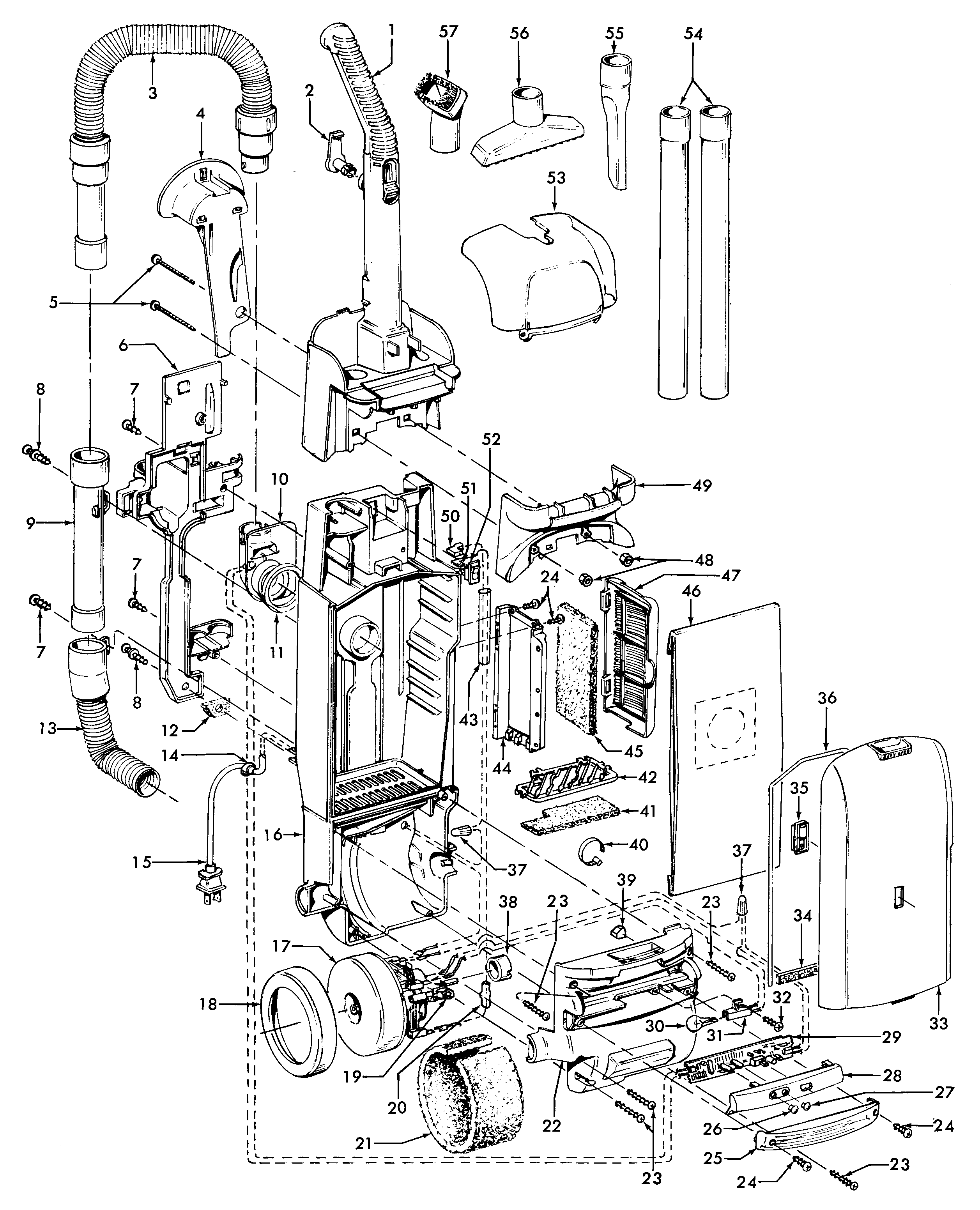
    Motor, handle, hose, outerbag Diagram

    Vacuum motor mount

    Part #36322030

    The manufacturer no longer makes this part, and there's no substitute part

    Vacuum Screw and Nut

    See All Related Diagrams

    Vacuum screw and nut

    Part #40201149

    The manufacturer no longer makes this part, and there's no substitute part

    Vacuum Beater Bar Bearing#20

    Agitator, mainbody, hood Diagram

    Vacuum beater bar bearing

    Part #38781053

    The manufacturer no longer makes this part, and there's no substitute part

    Vacuum Screw

    See All Related Diagrams

    Vacuum screw

    Part #21447072

    The manufacturer no longer makes this part, and there's no substitute part

    Vacuum Hose Holder#4

    Motor, handle, hose, outerbag Diagram

    Vacuum hose holder

    Part #36433137

    The manufacturer no longer makes this part, and there's no substitute part

    Gasket#11

    Motor, handle, hose, outerbag Diagram

    Gasket

    Part #31178017

    The manufacturer no longer makes this part, and there's no substitute part

    Vacuum Wheel#9

    Agitator, mainbody, hood Diagram

    Vacuum wheel

    Part #38522077

    The manufacturer no longer makes this part, and there's no substitute part

    Label#20A

    Motor, handle, hose, outerbag Diagram

    Label

    Part #51873001

    The manufacturer no longer makes this part, and there's no substitute part

    Gasket#34

    Motor, handle, hose, outerbag Diagram

    Gasket

    Part #34123050

    The manufacturer no longer makes this part, and there's no substitute part

    Symptoms common to all vacuum cleaners

    Choose a symptom to see related vacuum cleaner repairs.

    Main causes: damaged vacuum hose, clogged motor air filter, bad suction motor
    Main causes: broken drive belt, damaged brush roll, tripped brush roll motor overload, bad brush roll motor, wiring failure
    Main causes: lack of power, bad power cord, drive motor failure, wiring failure
    Main causes: weak suction motor, vacuum bag is full, clog in suction air path, dirty exhaust filter, leaky vacuum hose

    Articles and videos common to all vacuum cleaners

    Use the advice and tips in these articles and videos to get the most out of your vacuum.

    January 5, 2015

    10 must-have tools for appliance repair

    By Lyle Weischwill

    Come see which tools made our top 10 must-haves for DIY appliance repair.

    December 18, 2014

    Deciding between a canister or upright vacuum

    By Lyle Weischwill

    Undecided about canister or upright? We compare them.

    July 1, 2013

    Vacuum common questions

    By Lyle Weischwill

    Find the answers to frequently asked questions about vacuum cleaners.