Ramsey
Automotive

Model #RE 12000 R Official Ramsey winch

Here are the diagrams and repair parts for Ramsey RE-12000-R winch, as well as links to manuals and error code tables, if available.

There are a couple of ways to find the part or diagram you need:

  • Click a diagram to see the parts shown on that diagram.
  • In the search box below, enter all or part of the part number or the part’s name.

Not all parts are shown on the diagrams—those parts are labeled NI, for “not illustrated”.

We encourage you to save the model to your profile, so it’s easy to access parts and manuals for your appliance whenever you log in.

For DIY troubleshooting advice and repair guides, visit our repair help section.

Showing 10 of 103 parts

Spring#67

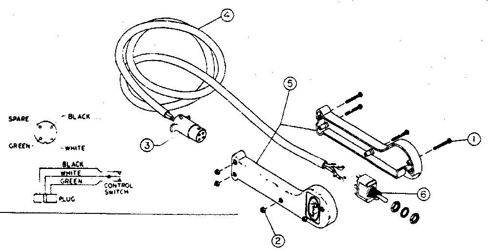
Unit Diagram

Spring

Part #494002

The manufacturer no longer makes this part, and there's no substitute part

Brng Ndl#28

Unit Diagram

Brng ndl

Part #402001

The manufacturer no longer makes this part, and there's no substitute part

Set Screw#38

Unit Diagram

Set screw

Part #416029

The manufacturer no longer makes this part, and there's no substitute part

Strap#5

Solenoid assembly Diagram

Strap

Part #364001

The manufacturer no longer makes this part, and there's no substitute part

Washer#10

Solenoid assembly Diagram

Washer

Part #418140

The manufacturer no longer makes this part, and there's no substitute part

Bushing#29

Unit Diagram

Bushing

Part #412003

The manufacturer no longer makes this part, and there's no substitute part

Drum Shaft#24

Unit Diagram

Drum shaft

Part #357453

The manufacturer no longer makes this part, and there's no substitute part

Screw#8

Solenoid assembly Diagram

Screw

Part #416216

The manufacturer no longer makes this part, and there's no substitute part

Rlr Short#4

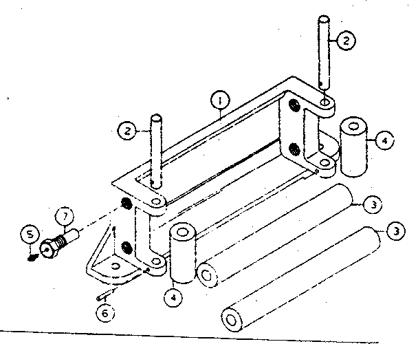
Roller frame assembly Diagram

Rlr short

Part #354005

The manufacturer no longer makes this part, and there's no substitute part

Motor 12v#52

Unit Diagram

Motor 12v

Part #458001

The manufacturer no longer makes this part, and there's no substitute part