Whirlpool
Dryer

Model #LEC6848AN0 Official Whirlpool electric dryer

Here are the diagrams and repair parts for Whirlpool LEC6848AN0 electric dryer, as well as links to manuals and error code tables, if available.

There are a couple of ways to find the part or diagram you need:

  • Click a diagram to see the parts shown on that diagram.
  • In the search box below, enter all or part of the part number or the part’s name.

Not all parts are shown on the diagrams—those parts are labeled NI, for “not illustrated”.

We encourage you to save the model to your profile, so it’s easy to access parts and manuals for your appliance whenever you log in.

For DIY troubleshooting advice and repair guides, visit our repair help section.

    Showing 10 of 146 parts

    Dryer Drum Belt#56

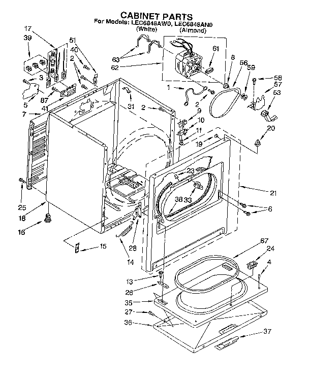
    Cabinet Diagram

    Drum belt

    Part #660996
    Replaced by #341241
    ?
    Manufacturer substitution
    This part replaces 660996. Substitute parts can look different from the original.
    BEST SELLER
    In Stock
    $17.11 | 
    10% OFF 
    Phone Price: $19.11
    Dryer Thermal Fuse, 195-degree F#7

    Bulkhead Diagram

    Dryer thermal fuse

    Part #3392519
    Replaced by #WP3392519
    ?
    Manufacturer substitution
    This part replaces 3392519. Substitute parts can look different from the original.
    BEST SELLER
    In Stock
    $18.88 | 
    10% OFF 
    Phone Price: $20.88
    Dryer Door Latch Kit#24

    Cabinet Diagram

    Catch

    Part #690081
    Replaced by #279570
    ?
    Manufacturer substitution
    This part replaces 690081. Substitute parts can look different from the original.
    BEST SELLER
    This item is not returnable
    In Stock
    $2.03 | 
    84% OFF 
    MSRP: $13.00
    Dryer Door Latch Kit#33

    Cabinet Diagram

    Strike

    Part #696144
    Replaced by #279570
    ?
    Manufacturer substitution
    This part replaces 696144. Substitute parts can look different from the original.
    BEST SELLER
    This item is not returnable
    In Stock
    $2.03 | 
    84% OFF 
    MSRP: $13.00
    Dryer Drum Support Roller Kit#44

    Bulkhead Diagram

    Support

    Part #3389901
    Replaced by #349241T
    ?
    Manufacturer substitution
    This part replaces 3389901. Substitute parts can look different from the original.
    BEST SELLER
    In Stock
    $21.99 | 
    19% OFF 
    Phone Price: $26.99
    Dryer Idler Pulley#53

    Cabinet Diagram

    Dryer idler pulley

    Part #691366
    Replaced by #WP691366
    ?
    Manufacturer substitution
    This part replaces 691366. Substitute parts can look different from the original.
    BEST SELLER
    In Stock
    $16.50 | 
    11% OFF 
    Phone Price: $18.50
    Dryer Operating Thermostat#8

    Bulkhead Diagram

    Dryer operating thermostat

    Part #3387134
    Replaced by #WP3387134
    ?
    Manufacturer substitution
    This part replaces 3387134. Substitute parts can look different from the original.
    BEST SELLER
    In Stock
    $34.23 | 
    13% OFF 
    Phone Price: $39.23
    Dryer Thermal Cut-Off Fuse Kit, 352-degree F#9

    Bulkhead Diagram

    Cut-off kit

    Part #3389946
    Replaced by #279769
    ?
    Manufacturer substitution
    This part replaces 3389946. Substitute parts can look different from the original.
    BEST SELLER
    In Stock
    $39.53 | 
    11% OFF 
    Phone Price: $44.53
    Dryer Drive Motor#62

    Cabinet Diagram

    Drive motor

    Part #3391888
    Replaced by #279827
    ?
    Manufacturer substitution
    This part replaces 3391888. Substitute parts can look different from the original.
    BEST SELLER
    In Stock
    $94.03 | 
    28% OFF 
    MSRP: $130.00
    Dryer Drive Motor#61

    Cabinet Diagram

    Dryer motor switch

    Part #3388235
    Replaced by #279827
    ?
    Manufacturer substitution
    This part replaces 3388235. Substitute parts can look different from the original.
    BEST SELLER
    In Stock
    $94.03 | 
    28% OFF 
    MSRP: $130.00

    Symptoms common to all dryers

    Choose a symptom to see related dryer repairs.

    Main causes: bad drum support roller, damaged idler pulley, broken blower fan blade, worn drum glide bearing, bad drive motor
    Main causes: bad gas valve coils, broken heating element, tripped safety thermostat or fuse, bad operating thermostat, control failure
    Main causes: bad timer or electronic control board, door switch failure
    Main causes: lack of electrical power, bad power cord, wiring failure, bad control board, blown thermal fuse, bad door switch
    Main causes: clogged exhaust vent, bad motor relay, loose dryer door catch, bad door switch, control system failure, faulty drive motor
    Main causes: damaged door strike, worn door catch
    Main causes: door switch failure, lack of power, broken belt, blown thermal fuse, bad drive motor, control system failure
    Main causes: clogged exhaust system, heating system failure, deposits on moisture sensor, control system failure

    Repair guides common to all dryers

    These step-by-step repair guides will help you safely fix what’s broken on your dryer.

    August 1, 2014
    By Lyle Weischwill
    How to replace a dryer drum support roller

    If your dryer thumps or squeals, replace the drum support roller to restore quiet to your home.

    Repair difficulty
    Time required
     90 minutes or less
    August 1, 2014
    By Lyle Weischwill
    How to replace a dryer thermistor

    The thermistor senses the air temperature in the dryer. If your dryer overheats or doesn't heat at all, the thermistor could be the problem.

    Repair difficulty
    Time required
     30 minutes or less
    August 1, 2014
    By Lyle Weischwill
    How to replace a dryer idler pulley

    The idler pulley exerts pressure keeps the drive belt tight so it can rotate the drum. A worn idler pulley squeals or squeaks when the dryer is running. Follow these instructions to replace it.

    Repair difficulty
    Time required
     90 minutes or less

    Articles and videos common to all dryers

    Use the advice and tips in these articles and videos to get the most out of your dryer.

    October 24, 2022

    Easy DIY appliance repairs that anyone can do

    By Lyle Weischwill

    Get advice on simple DIY fixes for appliances that you can safely do on your own.

    August 5, 2022

    Introducing new technical repair content that we’re developing for the Sears Technical Institute

    By Lyle Weischwill

    Learn about Sears Technical Institute and the advanced technical content being developed for aspiring appliance techs.

    January 4, 2022

    How to replace a Maytag dryer heating element

    By Lyle Weischwill

    Learn how to replace a Maytag dryer heating element