GE
Countertop Microwave

Model #JE1660WA03 Official GE microwave

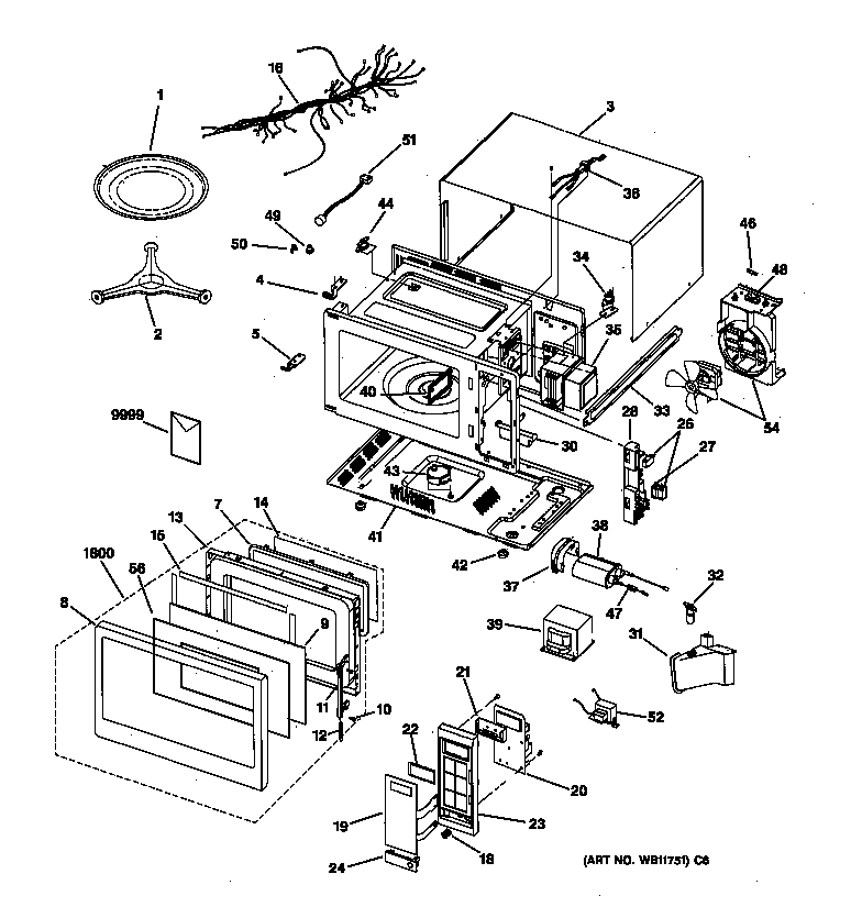
Here are the diagrams and repair parts for GE JE1660WA03 microwave, as well as links to manuals and error code tables, if available.

There are a couple of ways to find the part or diagram you need:

  • Click a diagram to see the parts shown on that diagram.
  • In the search box below, enter all or part of the part number or the part’s name.

Not all parts are shown on the diagrams—those parts are labeled NI, for “not illustrated”.

We encourage you to save the model to your profile, so it’s easy to access parts and manuals for your appliance whenever you log in.

For DIY troubleshooting advice and repair guides, visit our repair help section.

Showing 10 of 66 parts

Microwave Micro-Switch#26

Oven assembly Diagram

Switch

Part #WB24X801
Replaced by #WB24X829
?
Manufacturer substitution
This part replaces WB24X801. Substitute parts can look different from the original.
In Stock
$35.99 | 
12% OFF 
Phone Price: $40.99
Microwave Glass Turntable Tray#1

Oven assembly Diagram

Cooking tray

Part #WB49X10031
Replaced by #WB49X690
?
Manufacturer substitution
This part replaces WB49X10031. Substitute parts can look different from the original.
In Stock
$94.89 | 
5% OFF 
Phone Price: $99.89
Magnetron#35

Oven assembly Diagram

Magnetron

Part #WB27X1114

The manufacturer no longer makes this part, and there's no substitute part

Cover#40

Oven assembly Diagram

Cover-wav

Part #WB6X10066
Replaced by #WB6X538
?
Manufacturer substitution
This part replaces WB6X10066. Substitute parts can look different from the original.
In Stock
$7.69 | 
12% OFF 
Phone Price: $8.69
Latch Body#28

Oven assembly Diagram

Latch body

Part #WB6X401
This item is not returnable
In Stock
$5.49
Low-Voltage Transformer#52

Oven assembly Diagram

Low-voltage transformer

Part #WB20X10004
In Stock
$32.97
Button Spring#18

Oven assembly Diagram

Button spring

Part #WB9X291
This item is not returnable
In Stock
$2.16
Microwave High-Voltage Transformer#39

Oven assembly Diagram

In Stock
$200.45 | 
5% OFF 
Phone Price: $210.45
Diode#47

Oven assembly Diagram

Diode

Part #WB27X10072
In Stock
$43.99
Microwave Door Latch Hook Pin#10

Oven assembly Diagram

Hinge pin

Part #WB6X10060
Replaced by #WB06X10060
?
Manufacturer substitution
This part replaces WB6X10060. Substitute parts can look different from the original.
In Stock
$7.69 | 
12% OFF 
Phone Price: $8.69

Articles and videos common to all microwaves

November 12, 2022

5 Holiday Cleaning Tasks Essential to Boosting Your Home’s Image

By Lyle Weischwill

Get tips on completing essential holiday cleaning tasks to brighten your home.

August 19, 2022

Are DIY appliance repairs safe?

By Lyle Weischwill

Find out how to stay safe when repairing your appliances.

August 5, 2022

Introducing new technical repair content that we’re developing for the Sears Technical Institute

By Lyle Weischwill

Learn about Sears Technical Institute and the advanced technical content being developed for aspiring appliance techs.