Kenmore
Tools & Attachment

Model #1165411582 Official Kenmore powermate vacuum attachment parts

Here are the diagrams and repair parts for Kenmore 1165411582 powermate vacuum attachment parts, as well as links to manuals and error code tables, if available.

There are a couple of ways to find the part or diagram you need:

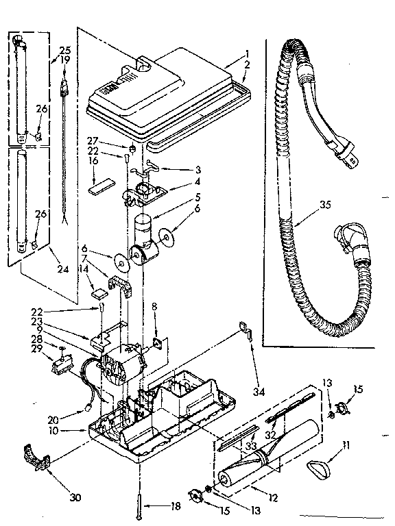
  • Click a diagram to see the parts shown on that diagram.
  • In the search box below, enter all or part of the part number or the part’s name.

Not all parts are shown on the diagrams—those parts are labeled NI, for “not illustrated”.

We encourage you to save the model to your profile, so it’s easy to access parts and manuals for your appliance whenever you log in.

For DIY troubleshooting advice and repair guides, visit our repair help section.

    Showing 10 of 34 parts

    Screw#22

    Power mate Diagram

    Screw

    Part #681297

    The manufacturer no longer makes this part, and there's no substitute part

    Gasket#28

    Power mate Diagram

    Gasket

    Part #742968
    This item is not returnable
    In Stock
    $2.49
    Yoke Bearing Seal#6

    Power mate Diagram

    Yoke bearing seal

    Part #741423
    This item is not returnable
    In Stock
    $2.49
    Vacuum Twist-On Wire Connector#20

    Power mate Diagram

    Nut

    Part #596564
    Replaced by #KS4154460
    ?
    Manufacturer substitution
    This part replaces 596564. Substitute parts can look different from the original.
    This item is not returnable
    In Stock
    $2.49
    Vacuum Beater Bar Belt#11

    Power mate Diagram

    Vacuum beater bar belt

    Part #742664
    Replaced by #KS742664
    ?
    Manufacturer substitution
    This part replaces 742664. Substitute parts can look different from the original.
    This item is not returnable
    Back Order
    $3.49 | 
    22% OFF 
    Phone Price: $4.49
    (NOT SERVICED, USE OLD ) SCREW, MOTOR  BRUSH#35

    Power mate Diagram

    (not serviced, use old ) screw, motor brush

    Part #N/P

    The manufacturer no longer makes this part, and there's no substitute part

    Brush, 1 Set#33

    Power mate Diagram

    Brush, 1 set

    Part #676231

    The manufacturer no longer makes this part, and there's no substitute part

    Bearing#15

    Power mate Diagram

    Bearing

    Part #743395

    The manufacturer no longer makes this part, and there's no substitute part

    Spring#26

    Power mate Diagram

    Spring

    Part #725419

    The manufacturer no longer makes this part, and there's no substitute part

    Guard#34

    Power mate Diagram

    Guard

    Part #742685

    The manufacturer no longer makes this part, and there's no substitute part