Eska
Boating

Model #14140B Official Eska motor

Here are the diagrams and repair parts for Eska 14140B motor, as well as links to manuals and error code tables, if available.

There are a couple of ways to find the part or diagram you need:

  • Click a diagram to see the parts shown on that diagram.
  • In the search box below, enter all or part of the part number or the part’s name.

Not all parts are shown on the diagrams—those parts are labeled NI, for “not illustrated”.

We encourage you to save the model to your profile, so it’s easy to access parts and manuals for your appliance whenever you log in.

For DIY troubleshooting advice and repair guides, visit our repair help section.

Showing 10 of 259 parts

Gasket#25

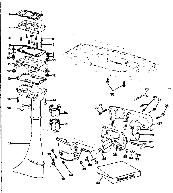
Carburetor assembly 632121 Diagram

Gasket

Part #631028

The manufacturer no longer makes this part, and there's no substitute part

Float#14

Carburetor assembly 632121 Diagram

Float

Part #632019

The manufacturer no longer makes this part, and there's no substitute part

Washer#21

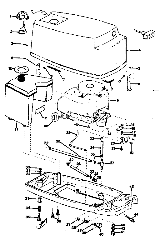
Twist grip assembly Diagram

Washer

Part #4457

The manufacturer no longer makes this part, and there's no substitute part

Clip#13

Carburetor assembly 632121 Diagram

Clip

Part #631022

The manufacturer no longer makes this part, and there's no substitute part

Spring#8

Carburetor assembly 632121 Diagram

Spring

Part #630735

The manufacturer no longer makes this part, and there's no substitute part

Nut#8

Column assembly Diagram

Nut

Part #2629

The manufacturer no longer makes this part, and there's no substitute part

Spring#59

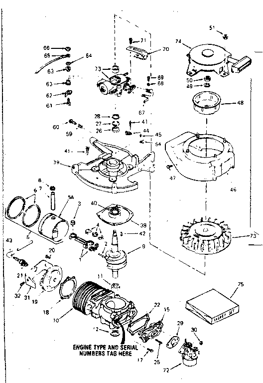
Engine assembly type no. 643-29a Diagram

Spring

Part #630766

The manufacturer no longer makes this part, and there's no substitute part

Seal#26

Engine assembly type no. 643-29a Diagram

Seal

Part #510105

The manufacturer no longer makes this part, and there's no substitute part

Coil Assembly#11

Magneto assembly no. 610832a Diagram

Coil assembly

Part #30560A

The manufacturer no longer makes this part, and there's no substitute part

Gasket#29

Engine assembly type no. 643-29a Diagram

Gasket

Part #510217

The manufacturer no longer makes this part, and there's no substitute part