Makita
Hammer Drill

Model #HP2010N Official Makita drill

Here are the diagrams and repair parts for Makita HP2010N drill, as well as links to manuals and error code tables, if available.

There are a couple of ways to find the part or diagram you need:

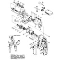
  • Click a diagram to see the parts shown on that diagram.
  • In the search box below, enter all or part of the part number or the part’s name.

Not all parts are shown on the diagrams—those parts are labeled NI, for “not illustrated”.

We encourage you to save the model to your profile, so it’s easy to access parts and manuals for your appliance whenever you log in.

For DIY troubleshooting advice and repair guides, visit our repair help section.

    Showing 10 of 69 parts

    Cover#34A

    Drill Diagram

    Cover

    Part #150309-1

    The manufacturer no longer makes this part, and there's no substitute part

    Cover#16

    Drill Diagram

    Cover

    Part #156741-7

    The manufacturer no longer makes this part, and there's no substitute part

    Strain Relef#43

    Drill Diagram

    Strain relef

    Part #687002-9

    The manufacturer no longer makes this part, and there's no substitute part

    Screw#39

    Drill Diagram

    Screw

    Part #911124-6

    The manufacturer no longer makes this part, and there's no substitute part

    Key Holder#78

    Drill Diagram

    Key holder

    Part #410102-8

    The manufacturer no longer makes this part, and there's no substitute part

    Handle#73A

    Drill Diagram

    Handle

    Part #122428-3

    The manufacturer no longer makes this part, and there's no substitute part

    Ring#3

    Drill Diagram

    Ring

    Part #962151-6

    The manufacturer no longer makes this part, and there's no substitute part

    Screw M4,#20

    Drill Diagram

    Screw m4,

    Part #265029-5

    The manufacturer no longer makes this part, and there's no substitute part

    Gear#13

    Drill Diagram

    Gear

    Part #226039-7

    The manufacturer no longer makes this part, and there's no substitute part

    Shift Rod#17

    Drill Diagram

    Shift rod

    Part #152135-4

    The manufacturer no longer makes this part, and there's no substitute part