Skil
Circular Saw

Model #5450 Official Skil circular saw

Here are the diagrams and repair parts for Skil 5450 circular saw, as well as links to manuals and error code tables, if available.

There are a couple of ways to find the part or diagram you need:

  • Click a diagram to see the parts shown on that diagram.
  • In the search box below, enter all or part of the part number or the part’s name.

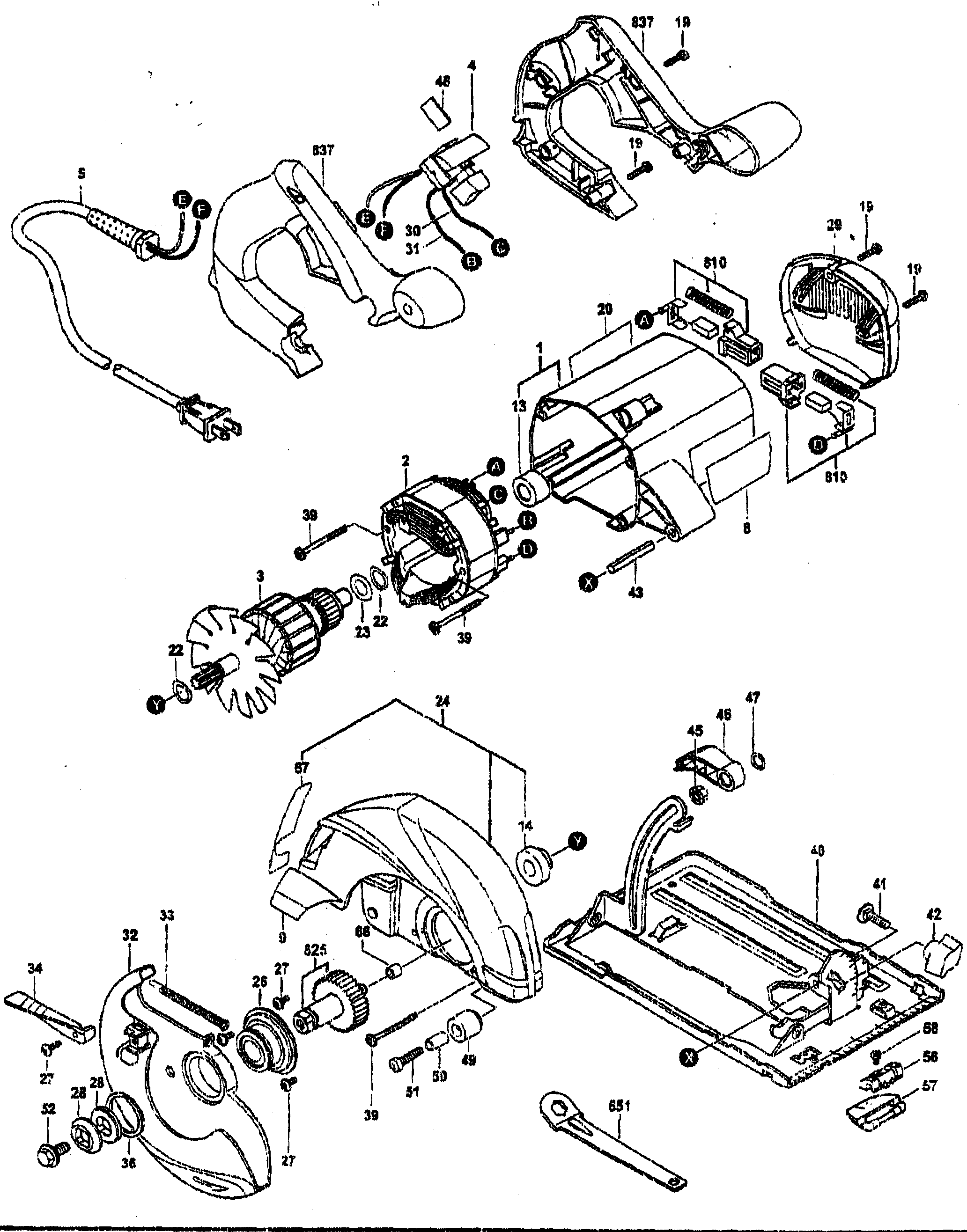
Not all parts are shown on the diagrams—those parts are labeled NI, for “not illustrated”.

We encourage you to save the model to your profile, so it’s easy to access parts and manuals for your appliance whenever you log in.

For DIY troubleshooting advice and repair guides, visit our repair help section.

Showing 10 of 45 parts

Roll Pin#43

Housing assy Diagram

Roll pin

Part #2610914058

The manufacturer no longer makes this part, and there's no substitute part

Armature with Fan, 120-volt#3

Housing assy Diagram

Armature with fan, 120-volt

Part #2610341306

The manufacturer no longer makes this part, and there's no substitute part

Circular Saw Motor Brush Set#810

Housing assy Diagram

Circular saw motor brush set

Part #2610993156

The manufacturer no longer makes this part, and there's no substitute part

Label#20

Housing assy Diagram

Label

Part #2610913224

The manufacturer no longer makes this part, and there's no substitute part

Foam Pad#48

Housing assy Diagram

Foam pad

Part #2610347892

The manufacturer no longer makes this part, and there's no substitute part

Housing#1

Housing assy Diagram

Housing

Part #2610912983

The manufacturer no longer makes this part, and there's no substitute part

Bushing Set#14

Housing assy Diagram

Bushing set

Part #2610356680

The manufacturer no longer makes this part, and there's no substitute part

Screw#51

Housing assy Diagram

Screw

Part #2610347100

The manufacturer no longer makes this part, and there's no substitute part

Screw#39

Housing assy Diagram

Screw

Part #2610347103

The manufacturer no longer makes this part, and there's no substitute part

Washer#23

Housing assy Diagram

Washer

Part #2610341465

The manufacturer no longer makes this part, and there's no substitute part

Articles and videos for circular saws

June 29, 2022

Top questions about Sears and Sears PartsDirect

By Lyle Weischwill

Get answers to frequently asked questions about Sears and Sears PartsDirect.