Craftsman
Walk-Behind Mower

Model #53691184 Official Craftsman 22" rotary lawn mower

Here are the diagrams and repair parts for Craftsman 53691184 22" rotary lawn mower, as well as links to manuals and error code tables, if available.

There are a couple of ways to find the part or diagram you need:

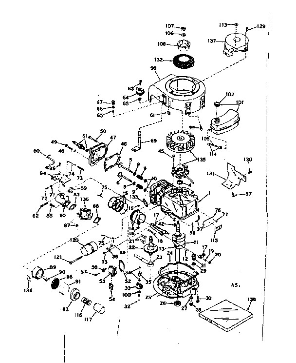
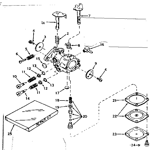
  • Click a diagram to see the parts shown on that diagram.
  • In the search box below, enter all or part of the part number or the part’s name.

Not all parts are shown on the diagrams—those parts are labeled NI, for “not illustrated”.

We encourage you to save the model to your profile, so it’s easy to access parts and manuals for your appliance whenever you log in.

For DIY troubleshooting advice and repair guides, visit our repair help section.

Showing 10 of 199 parts

Flat Washer#7

Replacement parts Diagram

Washer

Part #446363
Replaced by #446363MA
?
Manufacturer substitution
This part replaces 446363. Substitute parts can look different from the original.
This item is not returnable
In Stock
$4.25
Lawn & Garden Equipment Washer#24

Replacement parts Diagram

Washer

Part #8728
Replaced by #783000MA
?
Manufacturer substitution
This part replaces 8728. Substitute parts can look different from the original.
This item is not returnable
In Stock
$5.67
Lawn & Garden Equipment Engine Carburetor Primer Assembly#29

Replacement parts Diagram

Button plug

Part #32184
Replaced by #570629B
?
Manufacturer substitution
This part replaces 32184. Substitute parts can look different from the original.
This item is not returnable
In Stock
$7.43
Screw#28

Replacement parts Diagram

Screw

Part #128058

The manufacturer no longer makes this part, and there's no substitute part

Knob Rect Pl#10

Replacement parts Diagram

Knob

Part #20252
Replaced by #20252MA
?
Manufacturer substitution
This part replaces 20252. Substitute parts can look different from the original.
In Stock
$9.99 | 
9% OFF 
Phone Price: $10.99
Hex Head Screw#17

Replacement parts Diagram

Hex head screw

Part #122027

The manufacturer no longer makes this part, and there's no substitute part

Split Lockwr#16

Replacement parts Diagram

Split lockwr

Part #120638

The manufacturer no longer makes this part, and there's no substitute part

Hex Head Screw#25

Replacement parts Diagram

Hex head screw

Part #121913

The manufacturer no longer makes this part, and there's no substitute part

Lock Nut#9

Replacement parts Diagram

Lock nut

Part #9413447

The manufacturer no longer makes this part, and there's no substitute part

Flat Washer#5

Replacement parts Diagram

Flat washer

Part #996407

The manufacturer no longer makes this part, and there's no substitute part

Articles and videos common to all walk-behind mowers

February 11, 2023

Top 10 electric lawn and garden tools for 2023

Lyle Weischwill

Learn about the top 10 must-have electric lawn & garden tools for 2023

August 30, 2022

How to enjoy all the online benefits we offer on our Sears PartsDirect website

Lyle Weischwill

Learn about all the convenient features on our Sears PartsDirect website that make your parts purchases easier.

August 11, 2022

Tapping into a new feature in the Search Bar on Sears PartsDirect

Lyle Weischwill

Learn about a new feature added to the Search Bar on Sears PartsDirect