Sears
Cycling

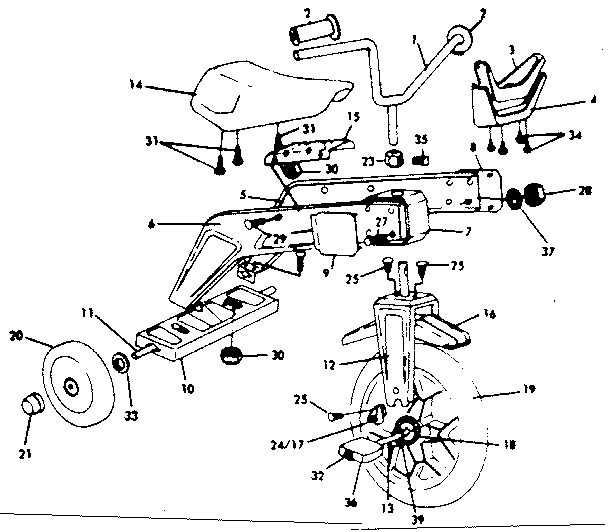
Model #512870472 Official Sears 13" tricycle

Here are the diagrams and repair parts for Sears 512870472 13" tricycle, as well as links to manuals and error code tables, if available.

There are a couple of ways to find the part or diagram you need:

  • Click a diagram to see the parts shown on that diagram.
  • In the search box below, enter all or part of the part number or the part’s name.

Not all parts are shown on the diagrams—those parts are labeled NI, for “not illustrated”.

We encourage you to save the model to your profile, so it’s easy to access parts and manuals for your appliance whenever you log in.

For DIY troubleshooting advice and repair guides, visit our repair help section.

Showing 10 of 39 parts

Screw#25

Replacement parts Diagram

Screw

Part #STD610805

The manufacturer no longer makes this part, and there's no substitute part

Lock Washer#37

Replacement parts Diagram

Lock washer

Part #219-132A

The manufacturer no longer makes this part, and there's no substitute part

Screw#27

Replacement parts Diagram

Screw

Part #416-3766C

The manufacturer no longer makes this part, and there's no substitute part

Screw#35

Replacement parts Diagram

Screw

Part #216-3866A

The manufacturer no longer makes this part, and there's no substitute part

Screw#34

Replacement parts Diagram

Screw

Part #STD610807

The manufacturer no longer makes this part, and there's no substitute part

Screw#29

Replacement parts Diagram

Screw

Part #STD51103

The manufacturer no longer makes this part, and there's no substitute part

Screw#31

Replacement parts Diagram

Screw

Part #416-4070A

The manufacturer no longer makes this part, and there's no substitute part

Lock Nut#30

Replacement parts Diagram

Lock nut

Part #STD541410

The manufacturer no longer makes this part, and there's no substitute part

Hex Nut#28

Replacement parts Diagram

Hex nut

Part #STD541031

The manufacturer no longer makes this part, and there's no substitute part

Owner's Manual

#NI

All parts Diagram

Owner's manual

Part #228-1644

The manufacturer no longer makes this part, and there's no substitute part