Admiral
Dryer

Model #ADE7005AYW Official Admiral dryer

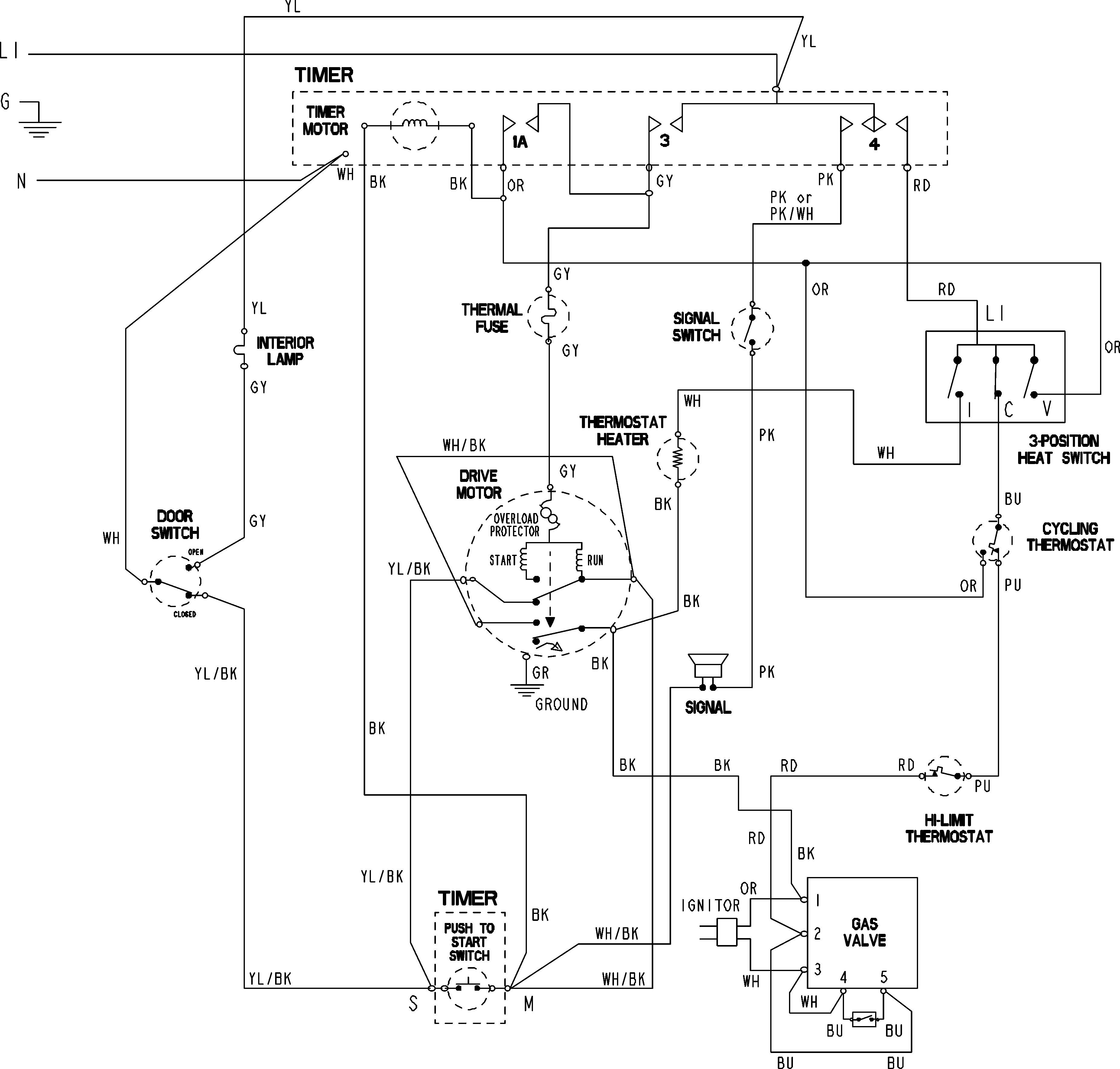
Here are the diagrams and repair parts for Admiral ADE7005AYW dryer, as well as links to manuals and error code tables, if available.

There are a couple of ways to find the part or diagram you need:

  • Click a diagram to see the parts shown on that diagram.
  • In the search box below, enter all or part of the part number or the part’s name.

Not all parts are shown on the diagrams—those parts are labeled NI, for “not illustrated”.

We encourage you to save the model to your profile, so it’s easy to access parts and manuals for your appliance whenever you log in.

For DIY troubleshooting advice and repair guides, visit our repair help section.

Owner’s manual

Showing 10 of 100 parts

Dryer Drum Belt#21

Tumbler Diagram

Dryer drum belt

Part #40111201
Replaced by #WP40111201
?
Manufacturer substitution
This part replaces 40111201. Substitute parts can look different from the original.
BEST SELLER
In Stock
$15.11 | 
39% OFF 
MSRP: $24.59
Dryer Drum Support Roller#17

Tumbler Diagram

Dryer drum support roller

Part #37001042
Replaced by #WP37001042
?
Manufacturer substitution
This part replaces 37001042. Substitute parts can look different from the original.
BEST SELLER
In Stock
$13.08 | 
13% OFF 
Phone Price: $15.08
Dryer Drum Glide Bearing#3

Tumbler Diagram

Cylinder guide

Part #40116501
Replaced by #WP37001298
?
Manufacturer substitution
This part replaces 40116501. Substitute parts can look different from the original.
BEST SELLER
In Stock
$8.69 | 
10% OFF 
Phone Price: $9.69
Dryer Drum Front Glide Bearing Pad

See All Related Diagrams

Felt complete pad

Part #500121
Replaced by #WP500121
?
Manufacturer substitution
This part replaces 500121. Substitute parts can look different from the original.
BEST SELLER
This item is not returnable
In Stock
$6.49 | 
13% OFF 
Phone Price: $7.49
Dryer Door Switch#20

Cabinet & front panel Diagram

Drive switch

Part #504570
Replaced by #W10169313
?
Manufacturer substitution
This part replaces 504570. Substitute parts can look different from the original.
BEST SELLER
In Stock
$16.28 | 
11% OFF 
Phone Price: $18.28
Dryer High-Limit Thermostat#2

Base, heater & motor Diagram

Limit thermostat

Part #62641
Replaced by #WPW10116735
?
Manufacturer substitution
This part replaces 62641. Substitute parts can look different from the original.
In Stock
$46.59 | 
10% OFF 
Phone Price: $51.59
Washer Screw, #10-16 x 3/8-in

See All Related Diagrams

Screw

Part #503688
Replaced by #WP3390631
?
Manufacturer substitution
This part replaces 503688. Substitute parts can look different from the original.
This item is not returnable
In Stock
$4.39 | 
19% OFF 
Phone Price: $5.39
Dryer Blower Wheel#9

Base, heater & motor Diagram

In Stock
$43.39 | 
20% OFF 
MSRP: $54.00
Dryer Motor Clamp#15

Base, heater & motor Diagram

Clamp

Part #58047
Replaced by #WP660658
?
Manufacturer substitution
This part replaces 58047. Substitute parts can look different from the original.
This item is not returnable
In Stock
$6.49 | 
13% OFF 
Phone Price: $7.49
Dryer Drive Motor#7

Base, heater & motor Diagram

Motor pulley

Part #40048501
Replaced by #WP2200376
?
Manufacturer substitution
This part replaces 40048501. Substitute parts can look different from the original.
Back Order
$132.49 | 
7% OFF 
Phone Price: $142.49

Symptoms common to all dryers

Choose a symptom to see related dryer repairs.

Main causes: bad drum support roller, damaged idler pulley, broken blower fan blade, worn drum glide bearing, bad drive motor
Main causes: bad gas valve coils, broken heating element, tripped safety thermostat or fuse, bad operating thermostat, control failure
Main causes: bad timer or electronic control board, door switch failure
Main causes: lack of electrical power, bad power cord, wiring failure, bad control board, blown thermal fuse, bad door switch
Main causes: clogged exhaust vent, bad motor relay, loose dryer door catch, bad door switch, control system failure, faulty drive motor
Main causes: damaged door strike, worn door catch
Main causes: door switch failure, lack of power, broken belt, blown thermal fuse, bad drive motor, control system failure
Main causes: clogged exhaust system, heating system failure, deposits on moisture sensor, control system failure

Repair guides common to all dryers

These step-by-step repair guides will help you safely fix what’s broken on your dryer.

August 1, 2014
By Lyle Weischwill
How to replace a dryer drum support roller

If your dryer thumps or squeals, replace the drum support roller to restore quiet to your home.

Repair difficulty
Time required
 90 minutes or less
August 1, 2014
By Lyle Weischwill
How to replace a dryer thermistor

The thermistor senses the air temperature in the dryer. If your dryer overheats or doesn't heat at all, the thermistor could be the problem.

Repair difficulty
Time required
 30 minutes or less
August 1, 2014
By Lyle Weischwill
How to replace a dryer idler pulley

The idler pulley exerts pressure keeps the drive belt tight so it can rotate the drum. A worn idler pulley squeals or squeaks when the dryer is running. Follow these instructions to replace it.

Repair difficulty
Time required
 90 minutes or less

Articles and videos common to all dryers

Use the advice and tips in these articles and videos to get the most out of your dryer.

October 24, 2022

Easy DIY appliance repairs that anyone can do

By Lyle Weischwill

Get advice on simple DIY fixes for appliances that you can safely do on your own.

August 5, 2022

Introducing new technical repair content that we’re developing for the Sears Technical Institute

By Lyle Weischwill

Learn about Sears Technical Institute and the advanced technical content being developed for aspiring appliance techs.

January 4, 2022

How to replace a Maytag dryer heating element

By Lyle Weischwill

Learn how to replace a Maytag dryer heating element