Kenmore
Dryer

Model #1106308807 Official Kenmore electric dryer

Here are the diagrams and repair parts for Kenmore 1106308807 electric dryer, as well as links to manuals and error code tables, if available.

There are a couple of ways to find the part or diagram you need:

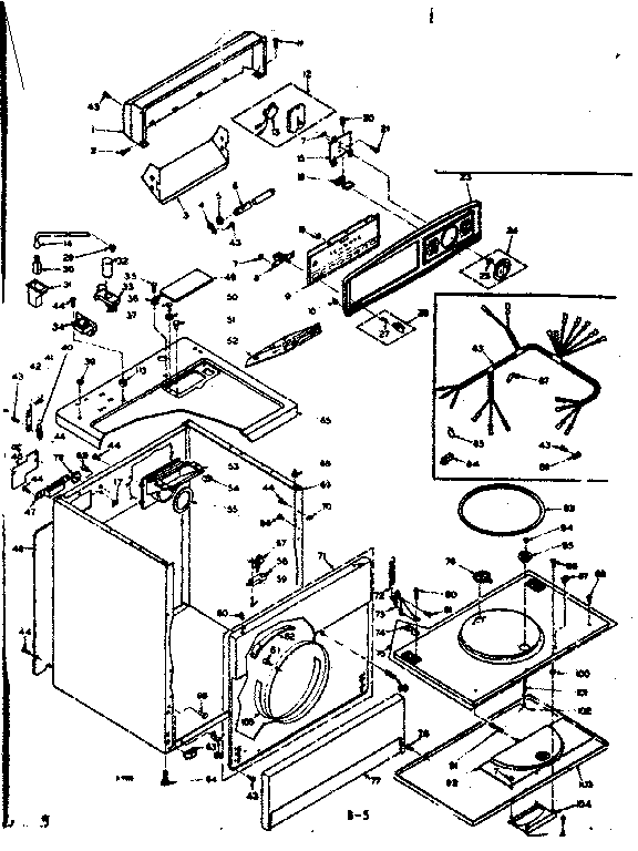
  • Click a diagram to see the parts shown on that diagram.
  • In the search box below, enter all or part of the part number or the part’s name.

Not all parts are shown on the diagrams—those parts are labeled NI, for “not illustrated”.

We encourage you to save the model to your profile, so it’s easy to access parts and manuals for your appliance whenever you log in.

For DIY troubleshooting advice and repair guides, visit our repair help section.

Showing 10 of 211 parts

Appliance Light Bulb, 40-watt (replaces 40A15-2PK, 60A, 60A15RVL, STD398091, WR02X12328, WX12X1510)#23

Bulkhead assembly Diagram

Bulb

Part #19447
Replaced by #40A15
?
Manufacturer substitution
This part replaces 19447. Substitute parts can look different from the original.
BEST SELLER
In Stock
$7.52 | 
12% OFF 
Phone Price: $8.52
Dryer Drive Motor (replaces 2019, 3388235, 349588, 3980069, 661654, 8066206, 8066207, 8115, 8538262, 8539555, W10194250, W10366770, W10396029, W10396032, W10448892)#45C

Bulkhead assembly Diagram

Switch

Part #337351
Replaced by #279827
?
Manufacturer substitution
This part replaces 337351. Substitute parts can look different from the original.
BEST SELLER
In Stock
$96.85 | 
26% OFF 
MSRP: $130.00
Laundry Appliance Door Switch Kit (replaces 279347, 347207, 89556)#58

Machine sub-assembly Diagram

Switch

Part #338883
Replaced by #W10820036
?
Manufacturer substitution
This part replaces 338883. Substitute parts can look different from the original.
BEST SELLER
In Stock
$24.34 | 
26% OFF 
MSRP: $33.00
Dryer Operating Thermostat (replaces 694674)#17

Bulkhead assembly Diagram

Thermostat

Part #298254
Replaced by #WP694674
?
Manufacturer substitution
This part replaces 298254. Substitute parts can look different from the original.
BEST SELLER
In Stock
$46.09 | 
10% OFF 
Was: $51.21
Dryer Terminal Block Kit (replaces 14924, 230148, 230149, 235078, 236109, 236667, 236668, 236672, 239239, 279092, 279195, 339209, 3394352, 339929, 339933, 34001481, 341001, 341055, 341103, 348911, 349899, 690261, S-4298, S-4298-1, S-6760, S-6761)#47

Machine sub-assembly Diagram

Terminal block

Part #230149
Replaced by #279320
?
Manufacturer substitution
This part replaces 230149. Substitute parts can look different from the original.
In Stock
$40.39 | 
11% OFF 
Phone Price: $45.39
Dryer Felt Seal Clip Kit#61

Machine sub-assembly Diagram

Bumper

Part #297787
Replaced by #279220
?
Manufacturer substitution
This part replaces 297787. Substitute parts can look different from the original.
This item is not returnable
In Stock
$16.09 | 
11% OFF 
Phone Price: $18.09
Dryer Toe Panel Clip#63

Machine sub-assembly Diagram

Clip panel

Part #297865
Replaced by #279638
?
Manufacturer substitution
This part replaces 297865. Substitute parts can look different from the original.
This item is not returnable
In Stock
$6.49 | 
13% OFF 
Phone Price: $7.49
Dryer Top Hinge#40

Machine sub-assembly Diagram

Hinge

Part #238088
Replaced by #WP8066217
?
Manufacturer substitution
This part replaces 238088. Substitute parts can look different from the original.
This item is not returnable
In Stock
$6.49 | 
13% OFF 
Phone Price: $7.49
Dryer Motor Bracket Bolt#47

Bulkhead assembly Diagram

Screw

Part #172455
Replaced by #3400500
?
Manufacturer substitution
This part replaces 172455. Substitute parts can look different from the original.
In Stock
$16.79 | 
11% OFF 
Phone Price: $18.79
Dryer Screw, #6-20 x 1.25-in#59

Machine sub-assembly Diagram

Appliance screw

Part #98129
Replaced by #WP98129
?
Manufacturer substitution
This part replaces 98129. Substitute parts can look different from the original.
This item is not returnable
In Stock
$4.39 | 
19% OFF 
Phone Price: $5.39

Symptoms common to all dryers

Choose a symptom to see related dryer repairs.

Main causes: bad drum support roller, damaged idler pulley, broken blower fan blade, worn drum glide bearing, bad drive motor
Main causes: bad gas valve coils, broken heating element, tripped safety thermostat or fuse, bad operating thermostat, control failure
Main causes: bad timer or electronic control board, door switch failure
Main causes: lack of electrical power, bad power cord, wiring failure, bad control board, blown thermal fuse, bad door switch
Main causes: clogged exhaust vent, bad motor relay, loose dryer door catch, bad door switch, control system failure, faulty drive motor
Main causes: damaged door strike, worn door catch
Main causes: door switch failure, lack of power, broken belt, blown thermal fuse, bad drive motor, control system failure
Main causes: clogged exhaust system, heating system failure, deposits on moisture sensor, control system failure

Repair guides common to all dryers

These step-by-step repair guides will help you safely fix what’s broken on your dryer.

August 1, 2014
Lyle Weischwill
How to replace a dryer drum support roller

If your dryer thumps or squeals, replace the drum support roller to restore quiet to your home.

Repair difficulty
Time required
 90 minutes or less
August 1, 2014
Lyle Weischwill
How to replace a dryer thermistor

The thermistor senses the air temperature in the dryer. If your dryer overheats or doesn't heat at all, the thermistor could be the problem.

Repair difficulty
Time required
 30 minutes or less
August 1, 2014
Lyle Weischwill
How to replace a dryer idler pulley

The idler pulley exerts pressure keeps the drive belt tight so it can rotate the drum. A worn idler pulley squeals or squeaks when the dryer is running. Follow these instructions to replace it.

Repair difficulty
Time required
 90 minutes or less

Articles and videos common to all dryers

Use the advice and tips in these articles and videos to get the most out of your dryer.

October 24, 2022

Easy DIY appliance repairs that anyone can do

Lyle Weischwill

Get advice on simple DIY fixes for appliances that you can safely do on your own.

January 4, 2022

How to replace a Maytag dryer heating element

Lyle Weischwill

Learn how to replace a Maytag dryer heating element

August 17, 2021

How to read a wiring schematic video

Lyle Weischwill

Learn how to decipher symbols so you can buy the right part for your problem.