Sony
8mm Camcorder

Model #CCD-TR91 Official Sony 8mm camcorder

Here are the diagrams and repair parts for Sony CCD-TR91 8mm camcorder, as well as links to manuals and error code tables, if available.

There are a couple of ways to find the part or diagram you need:

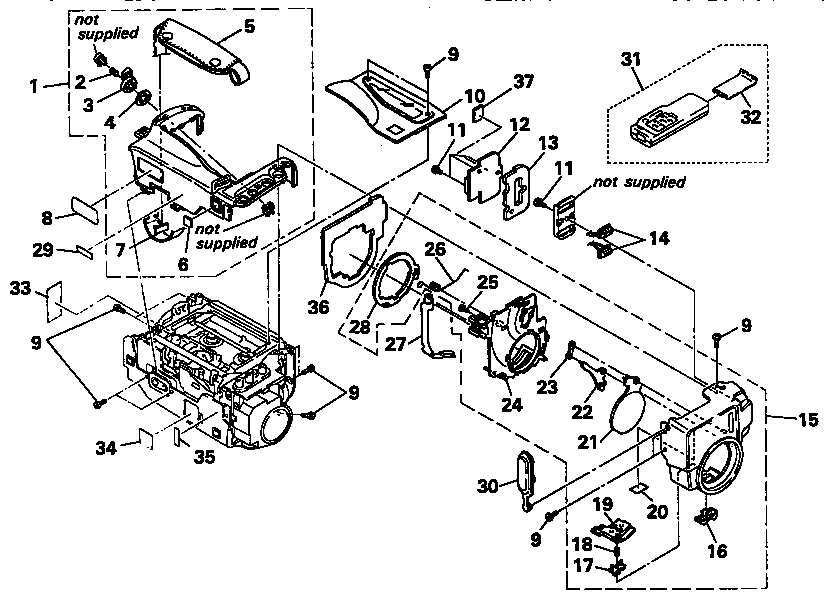
  • Click a diagram to see the parts shown on that diagram.
  • In the search box below, enter all or part of the part number or the part’s name.

Not all parts are shown on the diagrams—those parts are labeled NI, for “not illustrated”.

We encourage you to save the model to your profile, so it’s easy to access parts and manuals for your appliance whenever you log in.

For DIY troubleshooting advice and repair guides, visit our repair help section.

Owner’s manual

Showing 10 of 77 parts

Spacer (a)#12

Cabinet left and front Diagram

Spacer (a)

Part #333218901

The manufacturer no longer makes this part, and there's no substitute part

Label#20

Cabinet right and evf Diagram

Label

Part #394829101

The manufacturer no longer makes this part, and there's no substitute part

Cover#13

Cabinet left and front Diagram

Cover

Part #395533101

The manufacturer no longer makes this part, and there's no substitute part

Lid#2

Cabinet left and front Diagram

Lid

Part #X39433651

The manufacturer no longer makes this part, and there's no substitute part

Lever#15

Cabinet left and front Diagram

Lever

Part #395528901

The manufacturer no longer makes this part, and there's no substitute part

Lever#14

Cabinet left and front Diagram

Lever

Part #395533001

The manufacturer no longer makes this part, and there's no substitute part

Guide#25

Cabinet right and evf Diagram

Guide

Part #394771101

The manufacturer no longer makes this part, and there's no substitute part

Reforcement#7

Cabinet right and evf Diagram

Reforcement

Part #374717801

The manufacturer no longer makes this part, and there's no substitute part

Foot

See All Related Diagrams

Foot

Part #394938301

The manufacturer no longer makes this part, and there's no substitute part

Holder#33

Cabinet right and evf Diagram

Holder

Part #394771401

The manufacturer no longer makes this part, and there's no substitute part