Speed Queen
Dryer

Model #SSE117WF Official Speed Queen dryer

Here are the diagrams and repair parts for Speed Queen SSE117WF dryer, as well as links to manuals and error code tables, if available.

There are a couple of ways to find the part or diagram you need:

  • Click a diagram to see the parts shown on that diagram.
  • In the search box below, enter all or part of the part number or the part’s name.

Not all parts are shown on the diagrams—those parts are labeled NI, for “not illustrated”.

We encourage you to save the model to your profile, so it’s easy to access parts and manuals for your appliance whenever you log in.

For DIY troubleshooting advice and repair guides, visit our repair help section.

Showing 10 of 196 parts

Ring

See All Related Diagrams

Ring

Part #23748

The manufacturer no longer makes this part, and there's no substitute part

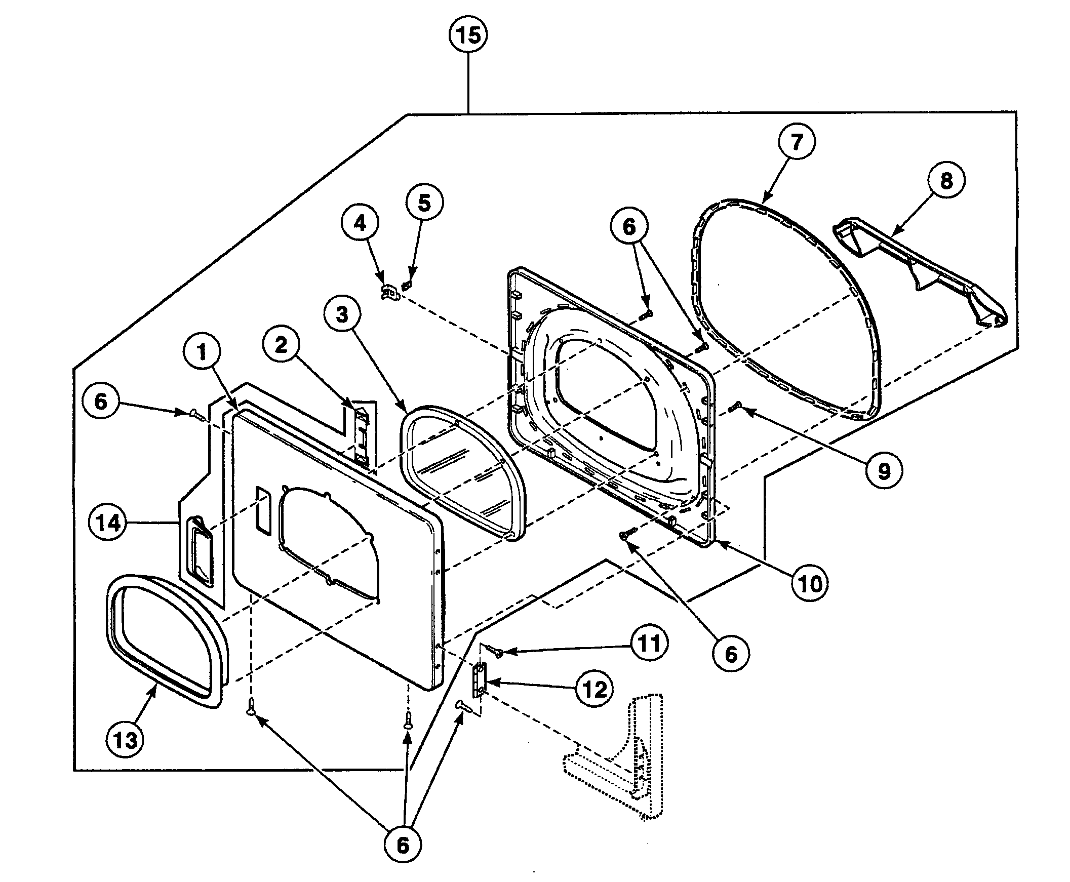
Down Holder#15

Cabinet assy Diagram

Down holder

Part #526P3

The manufacturer no longer makes this part, and there's no substitute part

Damper#8

Cabinet assy Diagram

Damper

Part #58786

The manufacturer no longer makes this part, and there's no substitute part

Terminal#19

Blocks Diagram

Terminal

Part #00252

The manufacturer no longer makes this part, and there's no substitute part

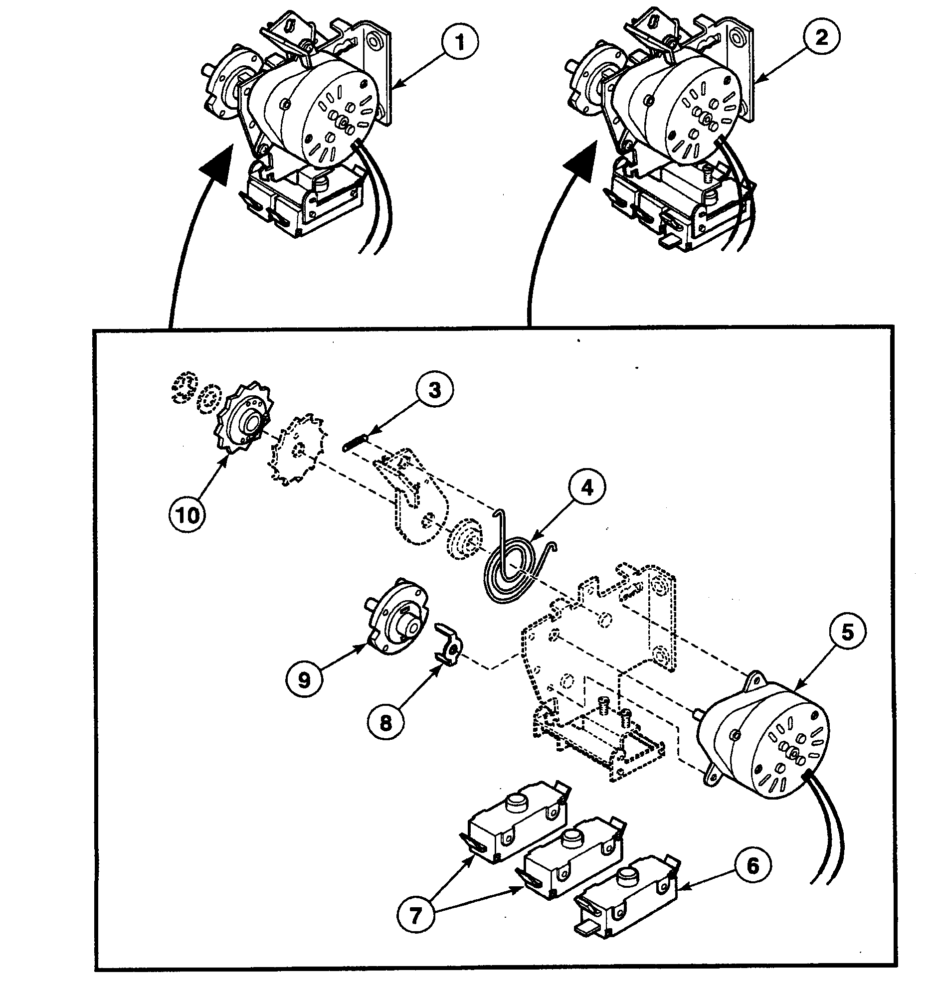
Wire Harness#2

Harnesses 2 Diagram

Wire harness

Part #510414P

The manufacturer no longer makes this part, and there's no substitute part

Wire#NI

Harnesses 1 Diagram

Wire

Part #45380

The manufacturer no longer makes this part, and there's no substitute part

Cabinet Panel#13

Cabinet assy Diagram

Cabinet panel

Part #510002WP

The manufacturer no longer makes this part, and there's no substitute part

Terminal#2

Tools Diagram

Terminal

Part #00255

The manufacturer no longer makes this part, and there's no substitute part

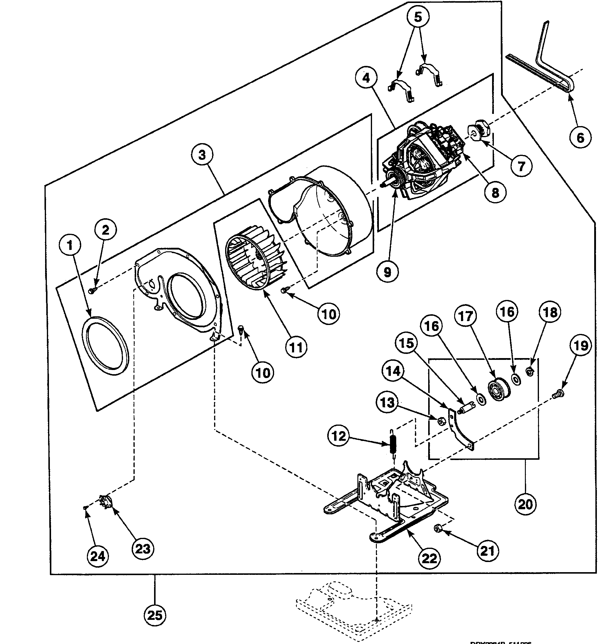
Bulkhead#3

Roller assy Diagram

Bulkhead

Part #511082P

The manufacturer no longer makes this part, and there's no substitute part

Nut#8

Roller assy Diagram

Nut

Part #28447

The manufacturer no longer makes this part, and there's no substitute part

Symptoms common to all dryers

Choose a symptom to see related dryer repairs.

Main causes: bad drum support roller, damaged idler pulley, broken blower fan blade, worn drum glide bearing, bad drive motor
Main causes: bad gas valve coils, broken heating element, tripped safety thermostat or fuse, bad operating thermostat, control failure
Main causes: bad timer or electronic control board, door switch failure
Main causes: lack of electrical power, bad power cord, wiring failure, bad control board, blown thermal fuse, bad door switch
Main causes: clogged exhaust vent, bad motor relay, loose dryer door catch, bad door switch, control system failure, faulty drive motor
Main causes: damaged door strike, worn door catch
Main causes: door switch failure, lack of power, broken belt, blown thermal fuse, bad drive motor, control system failure
Main causes: clogged exhaust system, heating system failure, deposits on moisture sensor, control system failure

Repair guides common to all dryers

These step-by-step repair guides will help you safely fix what’s broken on your dryer.

August 1, 2014
Lyle Weischwill
How to replace a dryer drum support roller

If your dryer thumps or squeals, replace the drum support roller to restore quiet to your home.

Repair difficulty
Time required
 90 minutes or less
August 1, 2014
Lyle Weischwill
How to replace a dryer thermistor

The thermistor senses the air temperature in the dryer. If your dryer overheats or doesn't heat at all, the thermistor could be the problem.

Repair difficulty
Time required
 30 minutes or less
August 1, 2014
Lyle Weischwill
How to replace a dryer idler pulley

The idler pulley exerts pressure keeps the drive belt tight so it can rotate the drum. A worn idler pulley squeals or squeaks when the dryer is running. Follow these instructions to replace it.

Repair difficulty
Time required
 90 minutes or less

Articles and videos common to all dryers

Use the advice and tips in these articles and videos to get the most out of your dryer.

October 24, 2022

Easy DIY appliance repairs that anyone can do

Lyle Weischwill

Get advice on simple DIY fixes for appliances that you can safely do on your own.

January 4, 2022

How to replace a Maytag dryer heating element

Lyle Weischwill

Learn how to replace a Maytag dryer heating element

August 17, 2021

How to read a wiring schematic video

Lyle Weischwill

Learn how to decipher symbols so you can buy the right part for your problem.