Kenmore
Central Air Conditioner

Model #25371840 Official Kenmore air conditioner

Here are the diagrams and repair parts for Kenmore 25371840 air conditioner, as well as links to manuals and error code tables, if available.

There are a couple of ways to find the part or diagram you need:

  • Click a diagram to see the parts shown on that diagram.
  • In the search box below, enter all or part of the part number or the part’s name.

Not all parts are shown on the diagrams—those parts are labeled NI, for “not illustrated”.

We encourage you to save the model to your profile, so it’s easy to access parts and manuals for your appliance whenever you log in.

For DIY troubleshooting advice and repair guides, visit our repair help section.

Showing 10 of 86 parts

Refrigerator Screw#33

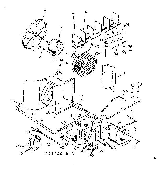
Ellectrical system & air handling parts Diagram

Screw

Part #121941
Replaced by #5304455649
?
Manufacturer substitution
This part replaces 121941. Substitute parts can look different from the original.
In Stock
$16.77
Overload#9

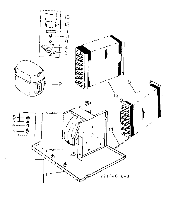
Unit parts Diagram

Overload

Part #145296-01
Replaced by #5303306276
?
Manufacturer substitution
This part replaces 145296-01. Substitute parts can look different from the original.
In Stock
$31.49
Refrigerator Compressor Grommet#5

Unit parts Diagram

Grommet

Part #126340
Replaced by #218513300
?
Manufacturer substitution
This part replaces 126340. Substitute parts can look different from the original.
In Stock
$36.56 | 
12% OFF 
Phone Price: $41.56
Rivet#19

Cabinet and front parts Diagram

Rivet

Part #146657

The manufacturer no longer makes this part, and there's no substitute part

Panel#15

Cabinet and front parts Diagram

Panel

Part #151954

The manufacturer no longer makes this part, and there's no substitute part

Screw#22

Cabinet and front parts Diagram

Screw

Part #100822

The manufacturer no longer makes this part, and there's no substitute part

Clamp#38

Ellectrical system & air handling parts Diagram

Clamp

Part #131900

The manufacturer no longer makes this part, and there's no substitute part

Gasket#11

Unit parts Diagram

Gasket

Part #145193

The manufacturer no longer makes this part, and there's no substitute part

Slng Ring#9

Ellectrical system & air handling parts Diagram

Slng ring

Part #121069

The manufacturer no longer makes this part, and there's no substitute part

Switch#28

Ellectrical system & air handling parts Diagram

Switch

Part #146634

The manufacturer no longer makes this part, and there's no substitute part

Articles and videos common to all central air conditioners

October 24, 2022

Easy DIY appliance repairs that anyone can do

Lyle Weischwill

Get advice on simple DIY fixes for appliances that you can safely do on your own.

August 5, 2022

Introducing new technical repair content that we’re developing for the Sears Technical Institute

Lyle Weischwill

Learn about Sears Technical Institute and the advanced technical content being developed for aspiring appliance techs.

June 29, 2022

Top questions about Sears and Sears PartsDirect

Lyle Weischwill

Get answers to frequently asked questions about Sears and Sears PartsDirect.