WW Grinder
Chipper/Shredder

Model #47019(470190100101-470190199999) Official WW Grinder chipper/shredder

Here are the diagrams and repair parts for WW Grinder 47019470190100101-470190199999 chipper/shredder, as well as links to manuals and error code tables, if available.

There are a couple of ways to find the part or diagram you need:

  • Click a diagram to see the parts shown on that diagram.
  • In the search box below, enter all or part of the part number or the part’s name.

Not all parts are shown on the diagrams—those parts are labeled NI, for “not illustrated”.

We encourage you to save the model to your profile, so it’s easy to access parts and manuals for your appliance whenever you log in.

For DIY troubleshooting advice and repair guides, visit our repair help section.

Showing 10 of 119 parts

Lawn Tractor Screw#40

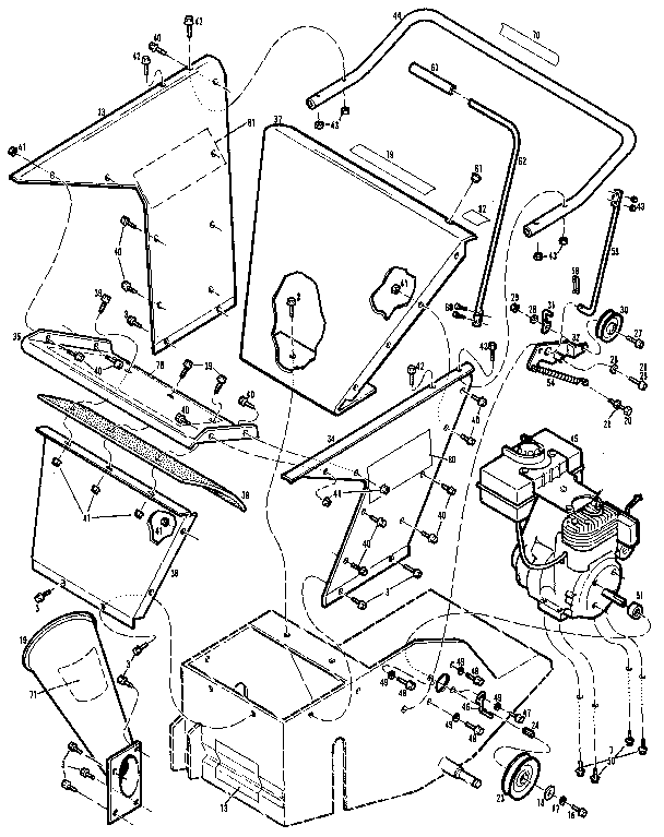
Chipper chute assembly Diagram

Screw

Part #1186308
Replaced by #710-0599
?
Manufacturer substitution
This part replaces 1186308. Substitute parts can look different from the original.
BEST SELLER
This item is not returnable
In Stock
$4.78 | 
17% OFF 
Phone Price: $5.78
Lawn & Garden Equipment Hex Flange Nut

See All Related Diagrams

Nut

Part #1186391
Replaced by #712-04054
?
Manufacturer substitution
This part replaces 1186391. Substitute parts can look different from the original.
This item is not returnable
In Stock
$4.40
Lawn & Garden Equipment Flat Washer#36

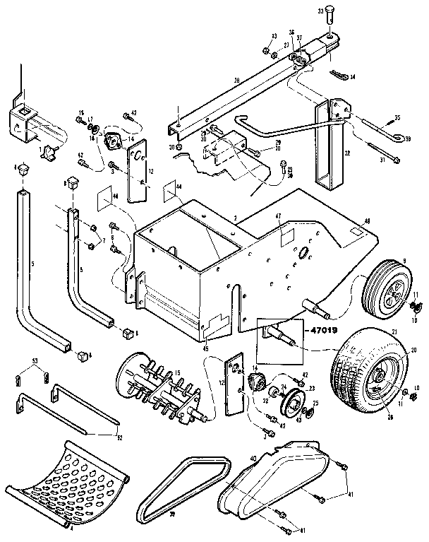
Main frame assembly Diagram

Flat washer

Part #1100256
Replaced by #936-3004
?
Manufacturer substitution
This part replaces 1100256. Substitute parts can look different from the original.
This item is not returnable
In Stock
$3.39
Lawn & Garden Equipment Lock Nut

See All Related Diagrams

Lock nut

Part #1733398
Replaced by #912-3000
?
Manufacturer substitution
This part replaces 1733398. Substitute parts can look different from the original.
This item is not returnable
In Stock
$3.07
Chipper/Shredder Belt#39

Main frame assembly Diagram

V-belt

Part #1762636
Replaced by #1762636MA
?
Manufacturer substitution
This part replaces 1762636. Substitute parts can look different from the original.

Get free shipping with Automatic Reorder

In Stock
$32.89 | 
13% OFF 
Phone Price: $37.89
Sleeve-cyl O#10

Cylinder assembly Diagram

Sleeve

Part #1763110
Replaced by #1763110MA
?
Manufacturer substitution
This part replaces 1763110. Substitute parts can look different from the original.
This item is not returnable
In Stock
$16.83
Sleeve-cyl O#12

Cylinder assembly Diagram

Sleeve

Part #1763112
Replaced by #1763112MA
?
Manufacturer substitution
This part replaces 1763112. Substitute parts can look different from the original.
In Stock
$29.94
Tiller Clutch Handle Grip#63

Chipper chute assembly Diagram

Grip

Part #1715685
Replaced by #720-0269
?
Manufacturer substitution
This part replaces 1715685. Substitute parts can look different from the original.
This item is not returnable
In Stock
$4.70
Spacr-cyl Sh#7

Cylinder assembly Diagram

Spacer

Part #1762616
Replaced by #1762616MA
?
Manufacturer substitution
This part replaces 1762616. Substitute parts can look different from the original.
This item is not returnable
In Stock
$14.46
Chipper/Shredder Flail Blade#15

Cylinder assembly Diagram

Blade

Part #1756904
Replaced by #1915700ZMA
?
Manufacturer substitution
This part replaces 1756904. Substitute parts can look different from the original.
This item is not returnable
In Stock
$13.13 | 
13% OFF 
Phone Price: $15.13