Craftsman
Welder

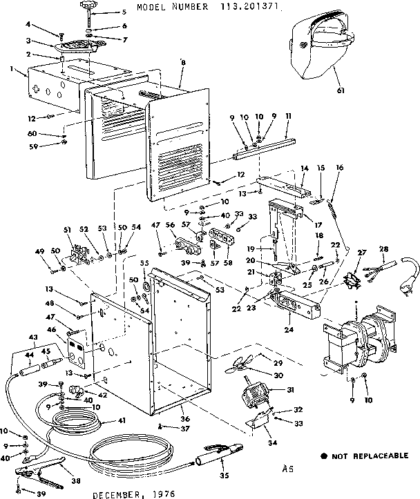
Model #113201371 Official Craftsman 230-amp welder

Here are the diagrams and repair parts for Craftsman 113201371 230-amp welder, as well as links to manuals and error code tables, if available.

There are a couple of ways to find the part or diagram you need:

  • Click a diagram to see the parts shown on that diagram.
  • In the search box below, enter all or part of the part number or the part’s name.

Not all parts are shown on the diagrams—those parts are labeled NI, for “not illustrated”.

We encourage you to save the model to your profile, so it’s easy to access parts and manuals for your appliance whenever you log in.

For DIY troubleshooting advice and repair guides, visit our repair help section.

Showing 10 of 64 parts

Washer#40

Unit Diagram

Washer

Part #STD551025

The manufacturer no longer makes this part, and there's no substitute part

Ground Clamp#38

Unit Diagram

Ground clamp

Part #51439

The manufacturer no longer makes this part, and there's no substitute part

Welder Cable Insulator#44

Unit Diagram

Welder cable insulator

Part #30332

The manufacturer no longer makes this part, and there's no substitute part

Welder Cable Plug#45

Unit Diagram

Welder cable plug

Part #61171

The manufacturer no longer makes this part, and there's no substitute part

Welder Cable Block#56

Unit Diagram

Welder cable block

Part #61115

The manufacturer no longer makes this part, and there's no substitute part

Lock Nut#23

Unit Diagram

Lock nut

Part #STD541425

The manufacturer no longer makes this part, and there's no substitute part

Power Cord Strain Relief#42

Unit Diagram

Power cord strain relief

Part #61086

The manufacturer no longer makes this part, and there's no substitute part

Set Screw#29

Unit Diagram

Set screw

Part #STD501102

The manufacturer no longer makes this part, and there's no substitute part

Screw#12

Unit Diagram

Screw

Part #STD611005

The manufacturer no longer makes this part, and there's no substitute part

Hex Nut#10

Unit Diagram

Hex nut

Part #STD541025

The manufacturer no longer makes this part, and there's no substitute part