Delco Remy
Boating

Model #78708 Official Delco Remy electric chain hoist

Here are the diagrams and repair parts for Delco Remy 78708 electric chain hoist, as well as links to manuals and error code tables, if available.

There are a couple of ways to find the part or diagram you need:

  • Click a diagram to see the parts shown on that diagram.
  • In the search box below, enter all or part of the part number or the part’s name.

Not all parts are shown on the diagrams—those parts are labeled NI, for “not illustrated”.

We encourage you to save the model to your profile, so it’s easy to access parts and manuals for your appliance whenever you log in.

For DIY troubleshooting advice and repair guides, visit our repair help section.

Showing 10 of 55 parts

Cover#18

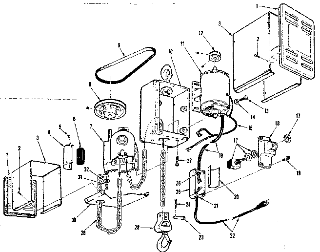
Main assembly exploded Diagram

Cover

Part #H-4605

The manufacturer no longer makes this part, and there's no substitute part

Cover#33

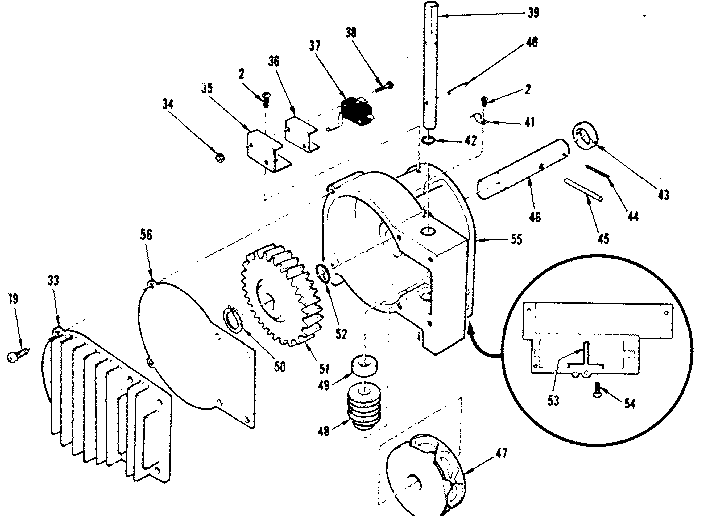
Gear box Diagram

Cover

Part #H-4572

The manufacturer no longer makes this part, and there's no substitute part

COMMON COLLAR PIN#7

Main assembly exploded Diagram

Common collar pin

Part #N/P

The manufacturer no longer makes this part, and there's no substitute part

Screw#19

Main assembly exploded Diagram

Screw

Part #H-4520

The manufacturer no longer makes this part, and there's no substitute part

Screw

See All Related Diagrams

Screw

Part #H-4580

The manufacturer no longer makes this part, and there's no substitute part

Gasket#56

Gear box Diagram

Gasket

Part #H-4577

The manufacturer no longer makes this part, and there's no substitute part

Bearing#49

Gear box Diagram

Bearing

Part #H-4053

The manufacturer no longer makes this part, and there's no substitute part

Pin#23

Main assembly exploded Diagram

Pin

Part #H-4617

The manufacturer no longer makes this part, and there's no substitute part

Worm Gear#51

Gear box Diagram

Worm gear

Part #H-4463

The manufacturer no longer makes this part, and there's no substitute part

Motor#11

Main assembly exploded Diagram

Motor

Part #H-4582

The manufacturer no longer makes this part, and there's no substitute part