Whirlpool
Top-Mount Refrigerator

Model #W8TXEGFYB03 Official Whirlpool refrigerator

Here are the diagrams and repair parts for Whirlpool W8TXEGFYB03 refrigerator, as well as links to manuals and error code tables, if available.

There are a couple of ways to find the part or diagram you need:

  • Click a diagram to see the parts shown on that diagram.
  • In the search box below, enter all or part of the part number or the part’s name.

Not all parts are shown on the diagrams—those parts are labeled NI, for “not illustrated”.

We encourage you to save the model to your profile, so it’s easy to access parts and manuals for your appliance whenever you log in.

For DIY troubleshooting advice and repair guides, visit our repair help section.

Error Codes

Showing 10 of 154 parts

Appliance Light Bulb, 40-watt (replaces 40A15-2PK, 60A, 60A15RVL, STD398091, WR02X12328, WX12X1510)#17

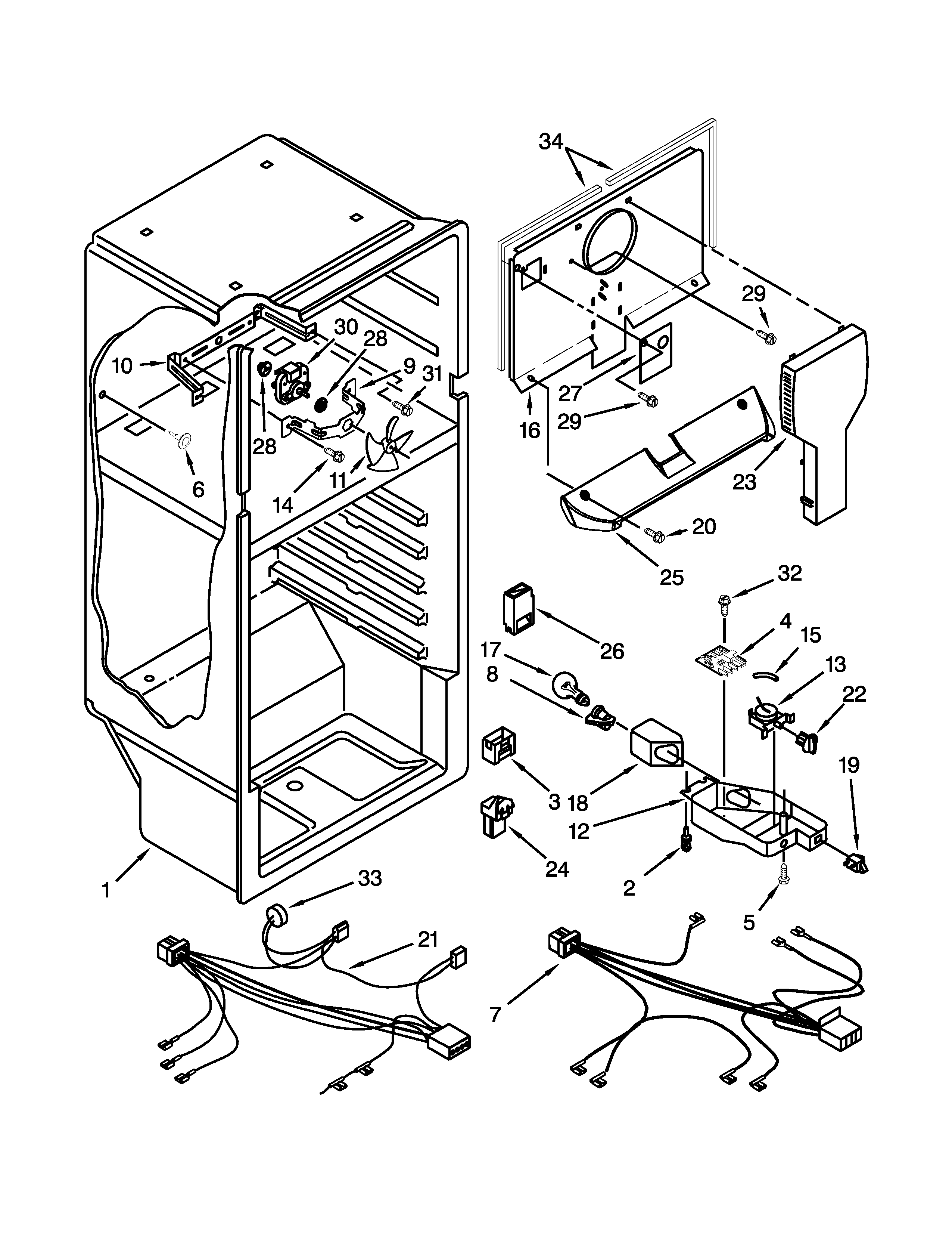
Liner parts Diagram

Light bulb

Part #527949
Replaced by #40A15
?
Manufacturer substitution
This part replaces 527949. Substitute parts can look different from the original.
BEST SELLER
In Stock
$7.52 | 
12% OFF 
Phone Price: $8.52
Refrigerator Door Switch (replaces W11234536, W11428639, WP1118894, WPC3680310)#19

Liner parts Diagram

Refrigerator light switch

Part #1118894
Replaced by #W11384469
?
Manufacturer substitution
This part replaces 1118894. Substitute parts can look different from the original.
BEST SELLER
In Stock
$21.01 | 
19% OFF 
Phone Price: $26.01
Refrigeration Appliance Run Capacitor#29

Unit parts Diagram

Refrigerator run capacitor

Part #2264017
Replaced by #WPW10662129
?
Manufacturer substitution
This part replaces 2264017. Substitute parts can look different from the original.
BEST SELLER
In Stock
$51.92 | 
9% OFF 
Phone Price: $56.92
Refrigerator Defrost Bi-Metal Thermostat#33

Liner parts Diagram

Refrigerator defrost bi-metal

Part #2266066
Replaced by #WPW10225581
?
Manufacturer substitution
This part replaces 2266066. Substitute parts can look different from the original.
BEST SELLER
In Stock
$35.10 | 
12% OFF 
Phone Price: $40.10
Refrigerator Compressor Start Relay#12

Unit parts Diagram

Refrigerator start relay

Part #W10197428
Replaced by #WPW10197428
?
Manufacturer substitution
This part replaces W10197428. Substitute parts can look different from the original.
BEST SELLER
In Stock
$63.43 | 
10% OFF 
Was: $70.48
Appliance Spray Paint (White) (replaces 094566-64, 206923, 2780-0001, 4395978, 5303203125, 66208, 788343, 799343, 799433, 99343, A0050702, F94566-010, Y057937, Y350930)#NI

Optional parts Diagram

Spray paint (white)

Part #350930
Replaced by #350930
?
Manufacturer substitution
This part replaces 350930. Substitute parts can look different from the original.
BEST SELLER
This item is not returnable
In Stock
$15.69 | 
11% OFF 
Phone Price: $17.69
Refrigerator Screw#4

Door parts Diagram

Refrigerator screw

Part #489357
Replaced by #WP489357
?
Manufacturer substitution
This part replaces 489357. Substitute parts can look different from the original.
BEST SELLER
This item is not returnable
In Stock
$4.39 | 
19% OFF 
Phone Price: $5.39
Refrigerator Screw#7

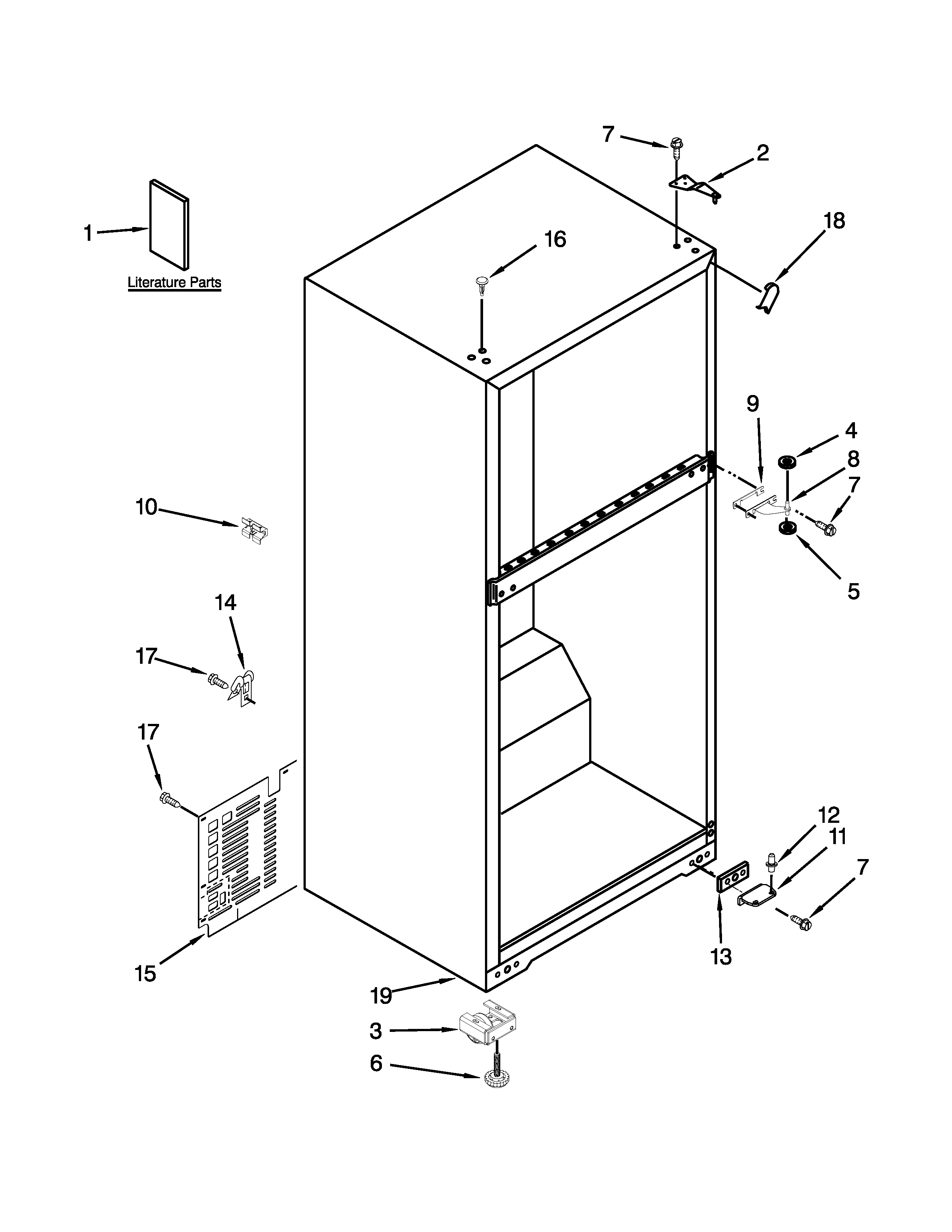
Cabinet parts Diagram

Refrigerator screw

Part #489497
Replaced by #WP489497
?
Manufacturer substitution
This part replaces 489497. Substitute parts can look different from the original.
BEST SELLER
In Stock
$7.99 | 
11% OFF 
Phone Price: $8.99
Refrigerator Roller#17

Unit parts Diagram

Refrigerator roller

Part #W10475495
Replaced by #WPW10475495
?
Manufacturer substitution
This part replaces W10475495. Substitute parts can look different from the original.
BEST SELLER
This item is not returnable
In Stock
$20.19 | 
20% OFF 
Phone Price: $25.19
Refrigerator Door Shelf Rail End Cap#21

Door parts Diagram

Refrigerator door shelf trim end cap

Part #2156003
Replaced by #WP2156003
?
Manufacturer substitution
This part replaces 2156003. Substitute parts can look different from the original.
BEST SELLER
In Stock
$7.10 | 
12% OFF 
Phone Price: $8.10

Symptoms common to all refrigerators

Choose a symptom to see related refrigerator repairs.

Main causes: leaky door gasket, defrost system failure, evaporator fan not running, dirty condenser coils, condenser fan not running
Things to do: clean condenser coils, replace the water filter, clean the interior, adjust doors to prevent air leaks, clean the drain pan
Main causes: jammed ice cubes, broken ice maker assembly, dirty water filter, kinked water line, bad water valve, freezer not cold enough
Main causes: damaged door seal, faulty defrost sensor or bi-metal thermostat, broken defrost heater, bad defrost timer or control board
Main causes: control board or cold control failure, broken compressor start relay, compressor motor failure, defrost timer problems
Main causes: blocked air vents, compressor problems, condenser or evaporator fan not working, control system failure, sensor problems
Main causes: blocked vents, defrost system problems, evaporator fan failure, dirty condenser coils, bad sensors, condenser fan not working
Main causes: water valve leaking, frozen or broken defrost drain tube, overflowing drain pan, cracked water system tubing, leaking door seal

Repair guides common to all refrigerators

These step-by-step repair guides will help you safely fix what’s broken on your refrigerator.

July 20, 2015
Lyle Weischwill
How to clean refrigerator condenser coils

Help your refrigerator run more efficiently by cleaning the condenser coils. It's easy and takes just a few minutes.

Repair difficulty
Time required
 15 minutes or less
July 20, 2015
Lyle Weischwill
How to replace a refrigerator water valve

Replace the water valve that feeds water to the ice maker and water dispenser if it no longer controls the flow of water.

Repair difficulty
Time required
 15 minutes or less
How to replace a refrigerator temperature control board

If the temperature in your refrigerator doesn't match the temperature you set, the problem could be the temperature control board—a service technician can give you a definite diagnosis. If the board is at fault, follow these steps to replace it yourself.

Repair difficulty
Time required
 30 minutes or less

Articles and videos common to all refrigerators

Use the advice and tips in these articles and videos to get the most out of your refrigerator.

June 2, 2022

How to Remove a GE French Door Refrigerator Flipper Mullion

Lyle Weischwill

Learn how to replace the flipper mullion on a GE French door refrigerator.

April 19, 2022

How to change the water filter in an LG refrigerator

Lyle Weischwill

Get tips and advice on replacing the water filter in your LG refrigerator.

December 30, 2021

How to fix your evaporator cooling fan

Lyle Weischwill

Learn how to fix a broken evaporator fan