Carrier
Air Handler

Model #FC4CNF024000AAAA Official Carrier fan coil

Here are the diagrams and repair parts for Carrier FC4CNF024000AAAA fan coil, as well as links to manuals and error code tables, if available.

There are a couple of ways to find the part or diagram you need:

  • Click a diagram to see the parts shown on that diagram.
  • In the search box below, enter all or part of the part number or the part’s name.

Not all parts are shown on the diagrams—those parts are labeled NI, for “not illustrated”.

We encourage you to save the model to your profile, so it’s easy to access parts and manuals for your appliance whenever you log in.

For DIY troubleshooting advice and repair guides, visit our repair help section.

Showing 10 of 53 parts

Furnace Temperature Limit Switch#NI

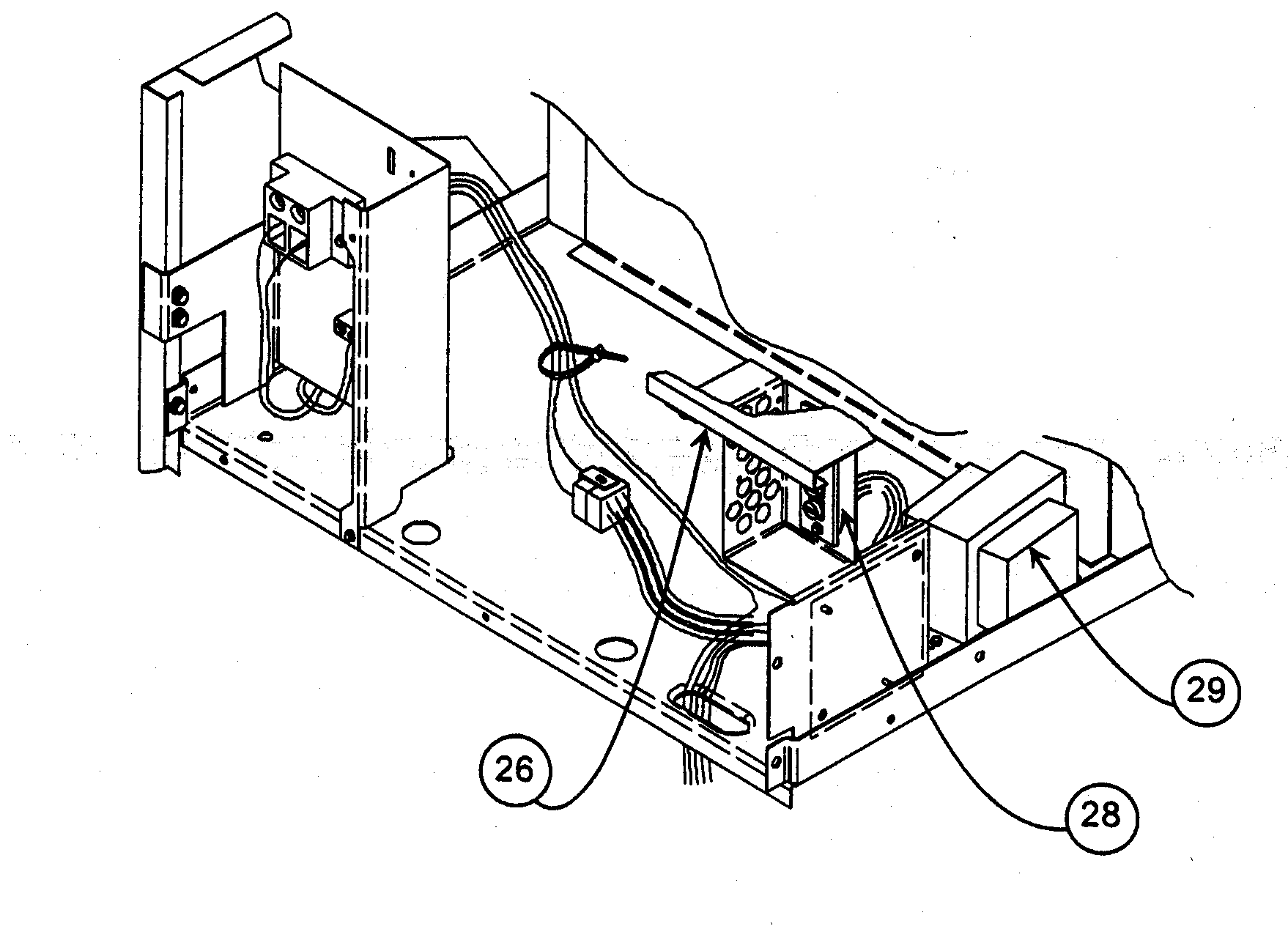
Cabinet assy 1 Diagram

In Stock
$23.89 | 
17% OFF 
Phone Price: $28.89
Latch#10A

Cabinet assy 1 Diagram

Latch

Part #314875-201
This item is not returnable
In Stock
$2.16
Motor Run Capacitor#35B

Cabinet assy 1 Diagram

Capactr run

Part #P291-0753
Replaced by #12907
?
Manufacturer substitution
This part replaces P291-0753. Substitute parts can look different from the original.
This item is not returnable
In Stock
$3.19 | 
24% OFF 
Phone Price: $4.19
Paint#NI

Cabinet assy 1 Diagram

Paint

Part #661858
In Stock
$51.80
Channel#51A

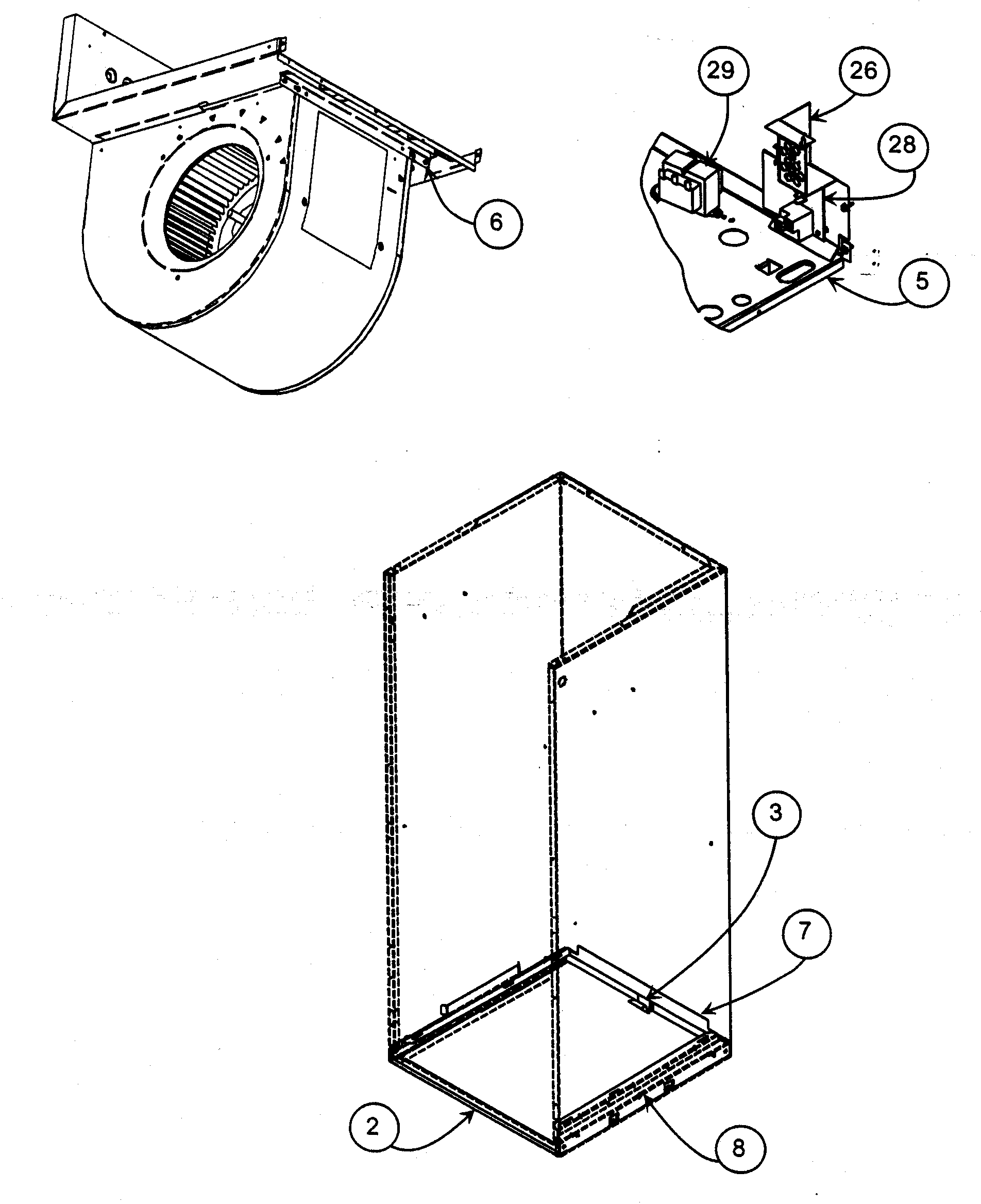
Coil assy Diagram

Channel

Part #316808-301
This item is not returnable
In Stock
$2.16
Deck Blwr#5

Cabinet assy 1 Diagram

Deck blwr

Part #314896-401
In Stock
$42.00
Blower Assembly#35

Cabinet assy 1 Diagram

Blower assembly

Part #316804-785
In Stock
$583.78
Door Assembly#17

Cabinet assy 1 Diagram

Door assembly

Part #329021-705
In Stock
$46.99
Switch#NI

Cabinet assy 1 Diagram

Switch

Part #HH12HV166
In Stock
$41.60
Central Air Conditioner Air Handler Transformer#29

Cabinet assy 2 Diagram

In Stock
$47.56

Articles and videos common to all air handlers

August 5, 2022

Introducing new technical repair content that we’re developing for the Sears Technical Institute

By Lyle Weischwill

Learn about Sears Technical Institute and the advanced technical content being developed for aspiring appliance techs.