Bissell
Upright Vacuum

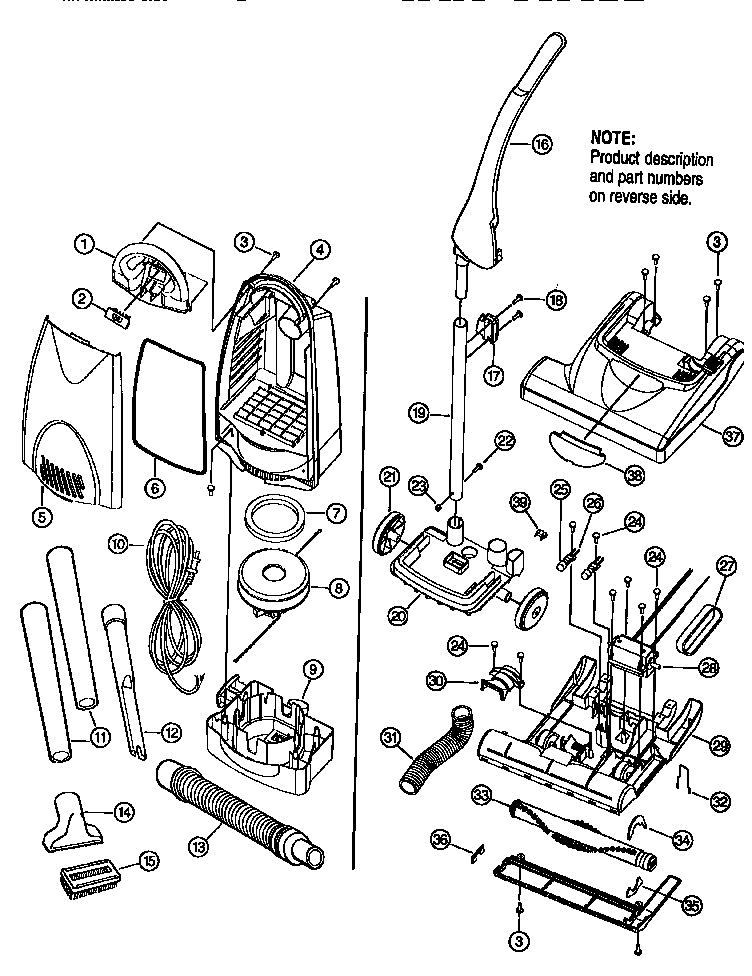
Model #3550 Official Bissell plus vacuum

Here are the diagrams and repair parts for Bissell 3550 plus vacuum, as well as links to manuals and error code tables, if available.

There are a couple of ways to find the part or diagram you need:

  • Click a diagram to see the parts shown on that diagram.
  • In the search box below, enter all or part of the part number or the part’s name.

Not all parts are shown on the diagrams—those parts are labeled NI, for “not illustrated”.

We encourage you to save the model to your profile, so it’s easy to access parts and manuals for your appliance whenever you log in.

For DIY troubleshooting advice and repair guides, visit our repair help section.

Showing 10 of 39 parts

Lamp Holder#26

Unit parts Diagram

Lamp holder

Part #010-4600

The manufacturer no longer makes this part, and there's no substitute part

Hand Cover#1

Unit parts Diagram

Hand cover

Part #013-2906

The manufacturer no longer makes this part, and there's no substitute part

Nut #10-24#23

Unit parts Diagram

Nut #10-24

Part #880-5006

The manufacturer no longer makes this part, and there's no substitute part

Rear Wheel#21

Unit parts Diagram

Rear wheel

Part #010-9770

The manufacturer no longer makes this part, and there's no substitute part

Housing#4

Unit parts Diagram

Housing

Part #014-4701

The manufacturer no longer makes this part, and there's no substitute part

Motor#28

Unit parts Diagram

Motor

Part #010-5964

The manufacturer no longer makes this part, and there's no substitute part

Upright Vacuum Screw#22

Unit parts Diagram

Upright vacuum screw

Part #880-7025

The manufacturer no longer makes this part, and there's no substitute part

Handle Tube#19

Unit parts Diagram

Handle tube

Part #010-9474

The manufacturer no longer makes this part, and there's no substitute part

Duct Cover#30

Unit parts Diagram

Duct cover

Part #013-2900

The manufacturer no longer makes this part, and there's no substitute part

Screw #6x3#24

Unit parts Diagram

Screw #6x3

Part #880-7141

The manufacturer no longer makes this part, and there's no substitute part

Symptoms common to all vacuum cleaners

Choose a symptom to see related vacuum cleaner repairs.

Main causes: damaged vacuum hose, clogged motor air filter, bad suction motor
Main causes: broken drive belt, damaged brush roll, tripped brush roll motor overload, bad brush roll motor, wiring failure
Main causes: lack of power, bad power cord, drive motor failure, wiring failure
Main causes: weak suction motor, vacuum bag is full, clog in suction air path, dirty exhaust filter, leaky vacuum hose

Articles and videos common to all vacuum cleaners

Use the advice and tips in these articles and videos to get the most out of your vacuum.

January 5, 2015

10 must-have tools for appliance repair

By Lyle Weischwill

Come see which tools made our top 10 must-haves for DIY appliance repair.

December 18, 2014

Deciding between a canister or upright vacuum

By Lyle Weischwill

Undecided about canister or upright? We compare them.

July 1, 2013

Vacuum common questions

By Lyle Weischwill

Find the answers to frequently asked questions about vacuum cleaners.