Jenn-Air
Dishwasher

Model #JDD4000AWX2 Official Jenn-Air drawer dishwasher

Here are the diagrams and repair parts for Jenn-Air JDD4000AWX2 drawer dishwasher, as well as links to manuals and error code tables, if available.

There are a couple of ways to find the part or diagram you need:

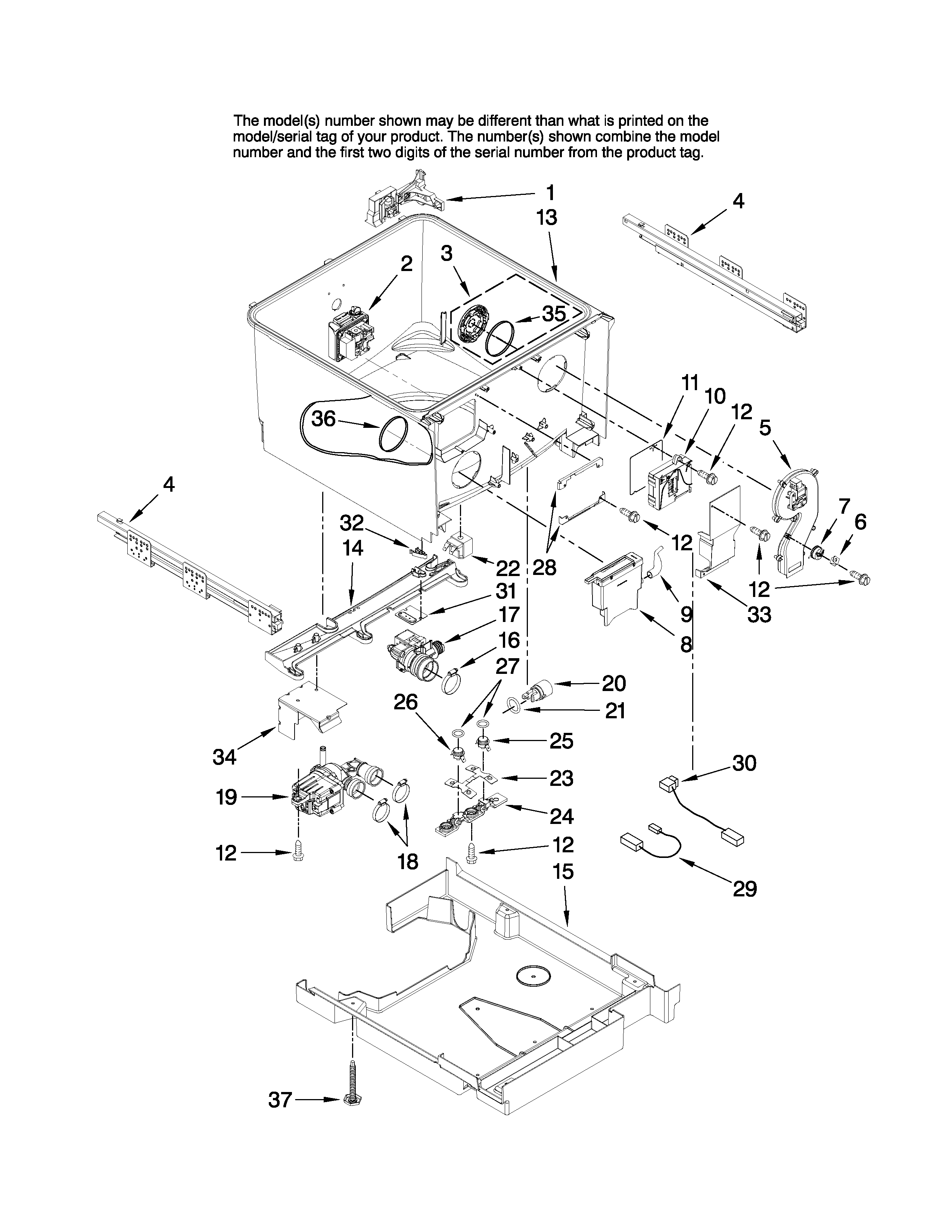
  • Click a diagram to see the parts shown on that diagram.
  • In the search box below, enter all or part of the part number or the part’s name.

Not all parts are shown on the diagrams—those parts are labeled NI, for “not illustrated”.

We encourage you to save the model to your profile, so it’s easy to access parts and manuals for your appliance whenever you log in.

For DIY troubleshooting advice and repair guides, visit our repair help section.

Installation guideOwner’s manual

Showing 10 of 116 parts

Dishwasher Drain Pump Seal#19

Wash system parts Diagram

Dishwasher drain pump seal

Part #99002857
Replaced by #WP99002857
?
Manufacturer substitution
This part replaces 99002857. Substitute parts can look different from the original.
This item is not returnable
In Stock
$4.39 | 
19% OFF 
Phone Price: $5.39
Dishwasher Screw#9

Front panel parts Diagram

Dishwasher screw

Part #Y912620
Replaced by #WPY912620
?
Manufacturer substitution
This part replaces Y912620. Substitute parts can look different from the original.
This item is not returnable
In Stock
$3.95 | 
20% OFF 
Phone Price: $4.95
Pressure Switch#7

Tub parts Diagram

Pressure switch

Part #99003626
In Stock
$50.59 | 
9% OFF 
Phone Price: $55.59
Dishwasher Fine Filter#22

Wash system parts Diagram

In Stock
$32.87
Wire, Thermo#29

Tub parts Diagram

Wire, thermo

Part #99003705
In Stock
$32.87
Dishwasher Drain Hose Clamp#16

Tub parts Diagram

Dishwasher drain hose clamp

Part #99003631
This item is not returnable
In Stock
$5.69 | 
15% OFF 
Phone Price: $6.69
Dishwasher Thermal Fuse (replaces 6-919376)#25

Tub parts Diagram

In Stock
$38.49 | 
11% OFF 
Phone Price: $43.49
Kick Bracket#3

Accessory parts Diagram

Kick bracket

Part #Y6920293
In Stock
$36.07
Dishwasher Washer#16

Wash system parts Diagram

Dishwasher washer

Part #910069
This item is not returnable
In Stock
$30.49 | 
14% OFF 
Phone Price: $35.49
Kick Bracket#4

Accessory parts Diagram

Kick bracket

Part #Y6920295
In Stock
$34.64

Symptoms common to all dishwashers

Choose a symptom to see related dishwasher repairs.

Main causes: broken door latch, tripped circuit breaker, broken heating element, faulty vent fan, sensor failure, control system problem
Main cause: damaged rack height adjuster
Main causes: damaged or stuck spray arm, leaking door seal, damaged door hinge, leaky heating element water seal, cracked water supply line
Main causes: clogged kitchen sink drain, clogged drain hose, drain check valve damaged, drain pump failure, control system problem
Main causes: water supply problem, stuck overfill float, clogged water inlet valve screen, water inlet valve failure
Main causes: glass or popcorn kernel stuck in the chopper blade, drain line vibrating against the cabinet, debris in wash pump or drain pump
Main causes: broken door spring, damaged or broken door hinge
Main causes: not using rinse aid, rinse aid dispenser failure, broken heating element, malfunctioning vent, drying fan failure
Main causes: light switch beside the sink turned off, lack of power, bad dishwasher door switch, control system failure, wiring problem

Repair guides common to all dishwashers

These step-by-step repair guides will help you safely fix what’s broken on your dishwasher.

How to replace a dishwasher door latch assembly

If the dishwasher door doesn't click shut, a broken door latch is a likely cause. Follow these instructions to replace it yourself.

Repair difficulty
Time required
 30 minutes or less
How to replace a dishwasher user interface control

The user interface control houses the selection buttons and display. If it fails, you can't select the cycle and settings. Follow these instructions to replace it yourself.

Repair difficulty
Time required
 30 minutes or less
April 1, 2014
Lyle Weischwill
How to replace a dishwasher thermal fuse

A completely dead control panel often indicates that the thermal fuse on the electronic control board is blown; follow these steps to replace a blown thermal fuse in your dishwasher.

Repair difficulty
Time required
 15 minutes or less

Articles and videos common to all dishwashers

Use the advice and tips in these articles and videos to get the most out of your dishwasher.

November 13, 2022

7 Tips to Get Your Dishwasher Ready for the Holidays

Lyle Weischwill

Find professional tips that can help you get your dishwasher ready for the holidays.

December 23, 2021

How to reset a Whirlpool dishwasher

Lyle Weischwill

Learn how to reset a Whirlpool dishwasher when its control freezes up.

August 17, 2021

How to read a wiring schematic video

Lyle Weischwill

Learn how to decipher symbols so you can buy the right part for your problem.