Kenmore
Upright Vacuum

Model #10063040 Official Kenmore vacuum cleaner

Here are the diagrams and repair parts for Kenmore 10063040 vacuum cleaner, as well as links to manuals and error code tables, if available.

There are a couple of ways to find the part or diagram you need:

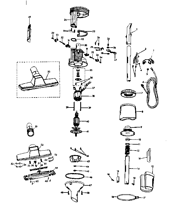
  • Click a diagram to see the parts shown on that diagram.
  • In the search box below, enter all or part of the part number or the part’s name.

Not all parts are shown on the diagrams—those parts are labeled NI, for “not illustrated”.

We encourage you to save the model to your profile, so it’s easy to access parts and manuals for your appliance whenever you log in.

For DIY troubleshooting advice and repair guides, visit our repair help section.

Showing 10 of 61 parts

Connector#5

Unit parts Diagram

Connector

Part #03023

The manufacturer no longer makes this part, and there's no substitute part

Screw#24

Unit parts Diagram

Screw

Part #03060

The manufacturer no longer makes this part, and there's no substitute part

Line Cord#6

Unit parts Diagram

Line cord

Part #30196P1046

The manufacturer no longer makes this part, and there's no substitute part

Screw#36

Unit parts Diagram

Screw

Part #03375

The manufacturer no longer makes this part, and there's no substitute part

Lead Sleeve#37

Unit parts Diagram

Lead sleeve

Part #37651P1

The manufacturer no longer makes this part, and there's no substitute part

Housing Gasket#46

Unit parts Diagram

Housing gasket

Part #24521P2

The manufacturer no longer makes this part, and there's no substitute part

Connector#51

Unit parts Diagram

Connector

Part #22354

The manufacturer no longer makes this part, and there's no substitute part

Brush Holder#33

Unit parts Diagram

Brush holder

Part #24344P1

The manufacturer no longer makes this part, and there's no substitute part

Nut#45

Unit parts Diagram

Nut

Part #20252

The manufacturer no longer makes this part, and there's no substitute part

Fan#43

Unit parts Diagram

Fan

Part #24340P1175

The manufacturer no longer makes this part, and there's no substitute part

Symptoms common to all vacuum cleaners

Choose a symptom to see related vacuum cleaner repairs.

Main causes: damaged vacuum hose, clogged motor air filter, bad suction motor
Main causes: broken drive belt, damaged brush roll, tripped brush roll motor overload, bad brush roll motor, wiring failure
Main causes: lack of power, bad power cord, drive motor failure, wiring failure
Main causes: weak suction motor, vacuum bag is full, clog in suction air path, dirty exhaust filter, leaky vacuum hose

Articles and videos common to all vacuum cleaners

Use the advice and tips in these articles and videos to get the most out of your vacuum.

January 5, 2015

10 must-have tools for appliance repair

By Lyle Weischwill

Come see which tools made our top 10 must-haves for DIY appliance repair.

December 18, 2014

Deciding between a canister or upright vacuum

By Lyle Weischwill

Undecided about canister or upright? We compare them.

July 1, 2013

Vacuum common questions

By Lyle Weischwill

Find the answers to frequently asked questions about vacuum cleaners.