Craftsman
Electric Chainsaw

Model #316341070 Official Craftsman chainsaw

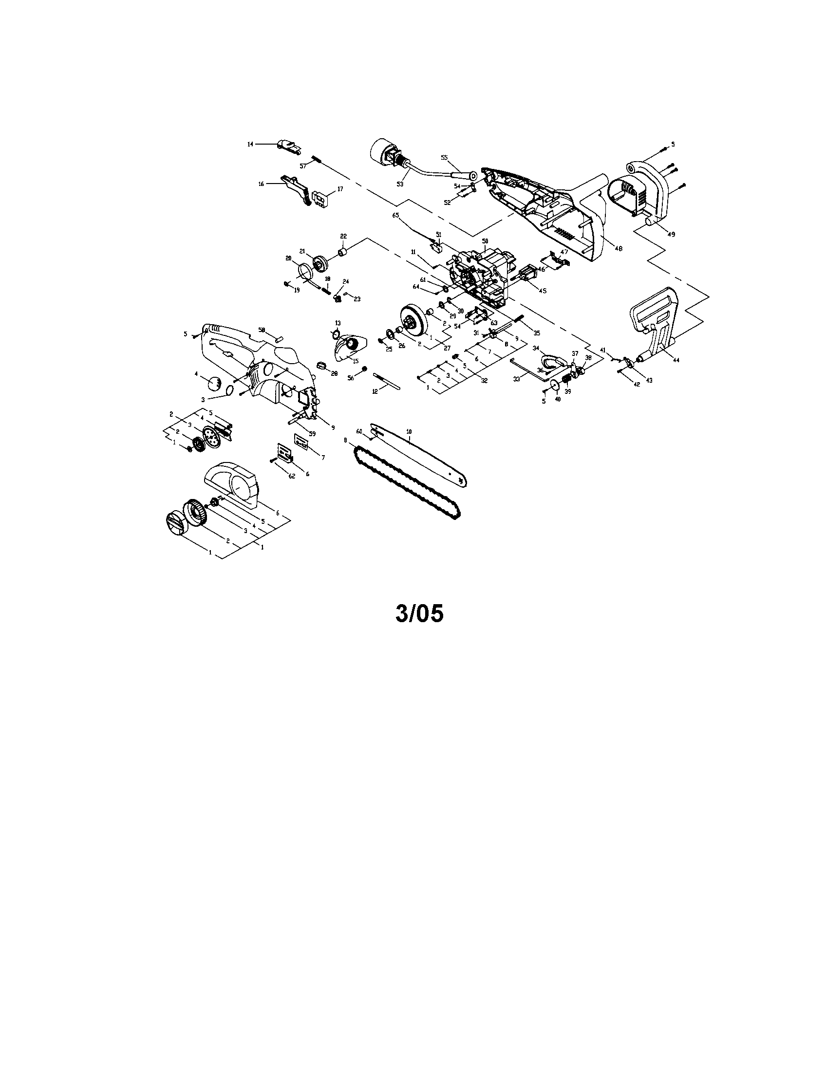
Here are the diagrams and repair parts for Craftsman 316341070 chainsaw, as well as links to manuals and error code tables, if available.

There are a couple of ways to find the part or diagram you need:

  • Click a diagram to see the parts shown on that diagram.
  • In the search box below, enter all or part of the part number or the part’s name.

Not all parts are shown on the diagrams—those parts are labeled NI, for “not illustrated”.

We encourage you to save the model to your profile, so it’s easy to access parts and manuals for your appliance whenever you log in.

For DIY troubleshooting advice and repair guides, visit our repair help section.

Owner’s manual

Showing 10 of 65 parts

Chainsaw Chain, 16-in#8

Electric chain saw Diagram

Chain, 16-in

Part #MC-6220-210201
Replaced by #91PX055G
?
Manufacturer substitution
This part replaces MC-6220-210201. Substitute parts can look different from the original.

Get free shipping with Automatic Reorder

In Stock
$28.49 | 
15% OFF 
Phone Price: $33.49
Chainsaw Bar, 16-in#10

Electric chain saw Diagram

Bar

Part #MC-9040-310194
Replaced by #160SDEA318
?
Manufacturer substitution
This part replaces MC-9040-310194. Substitute parts can look different from the original.
In Stock
$33.70
Screw#42

Electric chain saw Diagram

Screw

Part #MC-6SDABB4.5-30

The manufacturer no longer makes this part, and there's no substitute part

Spring#57

Electric chain saw Diagram

Spring

Part #MC-6024-211506

The manufacturer no longer makes this part, and there's no substitute part

Oil Pipe Assembly#12

Electric chain saw Diagram

Oil pipe assembly

Part #MC-6228-211506

The manufacturer no longer makes this part, and there's no substitute part

Screw#46

Electric chain saw Diagram

Screw

Part #MC-6SDABB04-16

The manufacturer no longer makes this part, and there's no substitute part

Cover#28

Electric chain saw Diagram

Cover

Part #MC-6077-211501

The manufacturer no longer makes this part, and there's no substitute part

Gasket#7

Electric chain saw Diagram

Gasket

Part #MC-6050-211301

The manufacturer no longer makes this part, and there's no substitute part

Washer#3

Electric chain saw Diagram

Washer

Part #MC-6012-210501

The manufacturer no longer makes this part, and there's no substitute part

Spring#47

Electric chain saw Diagram

Spring

Part #MC-6079-211503

The manufacturer no longer makes this part, and there's no substitute part

Articles and videos common to all chainsaws

July 12, 2022

What are the most common replacement parts for chainsaws?

By Lyle Weischwill

Learn about the most common replacement parts for chainsaws and how they can help you fix chainsaw problems.

June 29, 2022

Top questions about Sears and Sears PartsDirect

By Lyle Weischwill

Get answers to frequently asked questions about Sears and Sears PartsDirect.