Craftsman
Accessory

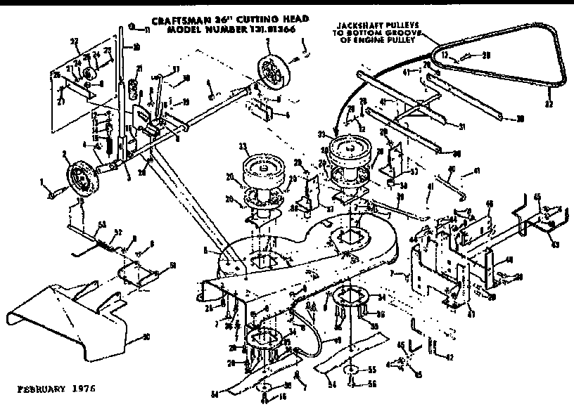
Model #13181366 Official Craftsman 36" cutting head

Here are the diagrams and repair parts for Craftsman 13181366 36" cutting head, as well as links to manuals and error code tables, if available.

There are a couple of ways to find the part or diagram you need:

  • Click a diagram to see the parts shown on that diagram.
  • In the search box below, enter all or part of the part number or the part’s name.

Not all parts are shown on the diagrams—those parts are labeled NI, for “not illustrated”.

We encourage you to save the model to your profile, so it’s easy to access parts and manuals for your appliance whenever you log in.

For DIY troubleshooting advice and repair guides, visit our repair help section.

Showing 10 of 57 parts

Bolt#7

Replacement parts Diagram

Bolt

Part #66238

The manufacturer no longer makes this part, and there's no substitute part

Washer#45

Replacement parts Diagram

Washer

Part #54005

The manufacturer no longer makes this part, and there's no substitute part

Cotter Pin#41

Replacement parts Diagram

Cotter pin

Part #2655

The manufacturer no longer makes this part, and there's no substitute part

Nut#8

Replacement parts Diagram

Nut

Part #68478

The manufacturer no longer makes this part, and there's no substitute part

Bolt#35

Replacement parts Diagram

Bolt

Part #65542

The manufacturer no longer makes this part, and there's no substitute part

Cotter Pin#19

Replacement parts Diagram

Cotter pin

Part #2947

The manufacturer no longer makes this part, and there's no substitute part

Nut#27

Replacement parts Diagram

Nut

Part #68038

The manufacturer no longer makes this part, and there's no substitute part

Washer#24

Replacement parts Diagram

Washer

Part #53847

The manufacturer no longer makes this part, and there's no substitute part

Roll Pin#13

Replacement parts Diagram

Roll pin

Part #52870

The manufacturer no longer makes this part, and there's no substitute part

Washer#12

Replacement parts Diagram

Washer

Part #50806

The manufacturer no longer makes this part, and there's no substitute part